| RF, RFID, Wireless Evaluation Boards | 3 | Active | |
ADRF57402 dB LSB, 4-Bit, Silicon Digital Attenuator, 10 MHz to 60 GHz | Evaluation Boards | 4 | Active | The ADRF5740 is a silicon, 4-bit digital attenuator with 22 dB attenuation control range in 2 dB steps.The ADRF5740 operates from 10 MHz to 60 GHz with less than 3.3 dB of insertion loss and with ±(0.2 + 7.0% of attenuation state) of attenuation accuracy at 55 GHz. The ATTIN port of the ADRF5740 has an RF input power handling capability of 24 dBm average and 24 dBm peak for all states.The ADRF5740 requires a dual supply voltage of +3.3 V and −3.3 V. The ADRF5740 features parallel mode control, and CMOS- and low voltage transistor to transistor logic (LVTTL)-compatible controls.The ADRF5740 RF ports are designed to match a characteristic impedance of 50 Ω. The ADRF5740 comes in a 16-terminal, 2.5 mm × 2.5 mm, RoHS compliant, land grid array (LGA) package and operates from −40°C to +105°C.ApplicationsIndustrial scannersTest and instrumentationCellular infrastructure: 5G millimeter waveMilitary radios, radars, electronic counter measures (ECMs)Microwave radios and very small aperture terminals (VSATs) |
ADRF6520Dual Programmable Filters and VGAs for 2 GHz Channel Spacing for μW Radios | RF and Wireless | 2 | Active | The ADRF6520 is a matched pair of fully differential low noise and low distortion programmable filters and variable gain amplifiers (VGAs). Each channel is capable of rejecting large, out of band interferers while reliably boosting the wanted signal, thus reducing the bandwidth and resolution requirements on the analog-to-digital converters (ADCs). The excellent matching between channels and their high spurious-free dynamic range over all gain and bandwidth settings make the ADRF6520 ideal for quadrature-based (IQ) communication systems with dense constellations, multiple carriers, and nearby interferers. The filter corners, enable, and dc offset correction loop enable are all programmable via a serial peripheral interface (SPI).The first VGA that precedes the filters offers 30 dB of continuous gain control with a maximum gain of 18 dB and sets a differential input impedance of 100 Ω. The filters provide a four-pole Butterworth response with −1 dB corner frequencies: 36 MHz, 72 MHz, 144 MHz, 288 MHz, 432 MHz, 576 MHz, and 720 MHz. For operation beyond 720 MHz, the filter can be disabled and completely bypassed, thereby extending the −1 dB bandwidth up to 1.25 GHz. A wideband rms detector is available to monitor the signal at the filter inputs. A fixed gain amplifier of 6 dB immediately follows the filter. The postfilter VGA provides 30 dB of continuous gain control with a maximum gain of 12 dB. The output buffers offer an additional 18 dB of gain and provide a differential output impedance of 20 Ω. The output buffers are capable of driving 1.5 V p-p into 100 Ω loads at better than 55 dBc nominal for the third-order intermodulation distortion (IMD3). Independent, built in, dc offset correction loops for each channel can be disabled via the SPI if fully dc-coupled operation is desired. The high-pass corner frequency is determined by external capacitors on the CHP1 and CHP2 pins and the postfilter VGA gain.The ADRF6520 operates from a 3.15 V to 3.45 V supply and consumes a maximum supply current of 425 mA. When fully disabled, it consumes ≤10 mA. The ADRF6520 is fabricated in an advanced silicon-germanium BiCMOS process and is available in a 32-lead, exposed pad LFCSP. Performance is specified over the −40°C to +85°C temperature range.ApplicationsPoint-to-point and point-to-multipoint radiosBaseband IQ receiversDiversity receiversADC driversInstrumentationMedical |
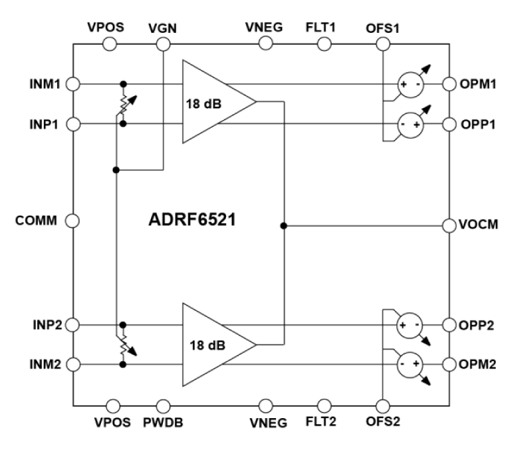
ADRF6521Low Frequency to 3 GHz, Dual VGA with Output Common-Mode and DC Offset Control | RF and Wireless | 3 | Active | The ADRF6521 is a dual, fully differential, low noise and low distortion variable gain amplifier (VGA). The high spurious-free dynamic range over the gain range makes the ADRF6521 ideal for communication systems with dense constellations, multiple carriers, and nearby interferers.The VGA has a 21 dB attenuation range with a typical voltage gain of 18 dB. The differential input impedance is 100 Ω, while the differential output impedance is 16 Ω. The ±1 dB gain flatness bandwidth is 2.5 GHz. The output buffers are capable of swinging 1.5 V p-p into 100 Ω loads at >55 dBc for second-order and third-order intermodulation distortion (IMD2 and IMD3), and for second and third harmonic distortion (HD2 and HD3) from low frequency to 1 GHz. Variable output dc offset control is accomplished with the OFS1 and OFS2 pins, and the output common-mode can be controlled with the VOCM pin.The ADRF6521 flexibly operates from a single +5 V supply or from a range of dual supplies and consumes a total supply current of 200 mA. When fully disabled, it consumes 25 mA typical. The ADRF6521 is fabricated in an advanced silicon-germanium BiCMOS process and is available in a 20-lead, exposed pad, 3 mm × 3 mm LFCSP. Performance is specified over the −40°C to +85°C temperature range.ApplicationsPoint-to-point and point-to-multipoint radiosBaseband IQ receiversDiversity receiversADC driversInstrumentationMedical |
| Evaluation Boards | 1 | Active | |
ADRF6650Dual Downconverter with DVGA and PLL/VCO, 450 MHz to 2700 MHz | Evaluation Boards | 3 | Active | The ADRF6650 is a highly integrated downconverter that integrates dual mixers, dual digital switched attenuators, dual digital variable gain amplifiers, a phase-locked loop (PLL), and voltage controlled oscillators (VCOs). In addition, the ADRF6650 integrates two radio frequency (RF) baluns, serial gain control (SGC) controls, and fast enable inputs for time division duplex (TDD) operation.The on-chip RF baluns enable the ADRF6650 to support 50 Ω terminated RF inputs. The integrated passive mixer provides a highly linear downconversion for a 200 MHz, sliding, intermediate frequency (IF) window. The ADRF6650 uses broadband square wave limiting local oscillator (LO) amplifiers to achieve an RF bandwidth of 450 MHz to 2700 MHz. Unlike conventional narrow-band sine wave LO amplifier solutions, this amplifier permits the LO to be applied either above or below the RF input over an extremely wide bandwidth.The ADRF6650 offers two alternatives for generating the differential LO input signal: internally via the on-chip fractional-N synthesizer with low phase noise VCOs, or externally via a low phase noise LO signal. The integrated PLL/VCO enables continuous LO coverage from 450 MHz to 2900 MHz. The PLL reference input supports a wide frequency range and includes integrated reference dividers before the phase frequency detector (PFD).The ADRF6650 is fabricated using an advanced silicon-germanium (SiGe) bipolar complementary metal-oxide semiconductor (BiCMOS) process. It is available in a 56-lead, RoHS-compliant, 8 mm × 8 mm, lead frame chip scale package (LFCSP) package with an exposed pad. Performance is specified over the −40°C to +105°C maximum paddle temperature.ApplicationsMultiband/multistandard cellular base station diversity receiversWideband radio link diversity downconvertersMultimode cellular extenders and picocells |
| Evaluation Boards | 1 | Active | |
ADRF6658Wideband, Dual Rx Mixers with Integrated IF Amplifiers | RF and Wireless | 2 | Active | The ADRF6658 is a high performance, low power, wideband, dual-channel radio frequency (RF) downconverter with integrated intermediate frequency (IF) digitally controlled amplifiers (DGAs) for wideband, low distortion base station radio receivers.The dual Rx mixers are doubly balanced Gilbert cell mixers with high linearity and excellent image rejection. Both mixers convert 50 Ω RF inputs to open-collector broadband IF outputs. Internal tunable baluns on the RF inputs enable suppression of RF signal harmonics and attenuation of out-of-band signals before the mixer inputs, reducing input reflections and out-of-band interference signals. A flexible local oscillator (LO) architecture allows the use of differential or single-ended LO signals.The dual-channel IF DGAs are based on the ADL5201 and ADL5202 and have a fixed, differential output impedance of 100 Ω. The gain is adjustable over a 31.5 dB range with a 0.5 dB step size via the on-chip SPI, or through independent, 6-bit parallel ports that support latch functionality. Each channel, from the mixer inputs to the IF amplifier outputs, together with an LC interstage band-pass filter, achieves a maximum voltage conversion gain of 26.5 dB.Fabricated with the Analog Devices, Inc., high speed SiGe process, the ADRF6658 is available in a compact, 7 mm × 7 mm, 48-lead LFCSP package, and operates over the −40°C to +105°C temperature range.APPLICATIONSCellular base stations and wireless infrastructure receivers (W-CDMA, TD-SCDMA, WiMAX, GSM, LTE, PCS, DCS, DECT)Active antenna systemsPTP radio link down convertersWireless LANs and CATV equipment |
ADRF67021200 MHzto 2400 MHzQuadrature Modulator with 1550 MHzto 2150 MHzFractional-N PLL & Integrated VCO | Evaluation Boards | 2 | Active | The ADRF6702 provides a quadrature modulator and synthesizer solution within a small 6 mm × 6 mm footprint while requiring minimal external components.The ADRF6702 is designed for RF outputs from 1200 MHz to 2400 MHz. The low phase noise VCO and high performance quadrature modulator make the ADRF6702 suitable for next generation communication systems requiring high signal dynamic range and linearity. The integration of the IQ modulator, PLL, and VCO provides for significant board savings and reduces the BOM and design complexity.The integrated fractional-N PLL/synthesizer generates a 2× fLOinput to the IQ modulator. The phase detector together with an external loop filter is used to control the VCO output. The VCO output is applied to a quadrature divider. To reduce spurious components, a sigma-delta (Σ-Δ) modulator controls the programmable PLL divider.The IQ modulator has wideband differential I and Q inputs, which support baseband as well as complex IF architectures. The single-ended modulator output is designed to drive a 50 Ω load impedance and can be disabled.The ADRF6702 is fabricated using an advanced silicon-germanium BiCMOS process. It is available in a 40-lead, exposed-paddle, Pb-free, 6 mm × 6 mm LFCSP package. Performance is specified from −40°C to +85°C. A lead-free evaluation board is available.APPLICATIONSCellular communications systemsGSM/EDGE, CDMA2000, W-CDMA, TD-SCDMA, LTEBroadband wireless access systemsSatellite modems |
| RF Modulators | 1 | Active | |