A
Analog Devices Inc./Maxim Integrated
| Series | Category | # Parts | Status | Description |
|---|---|---|---|---|
| Part | Spec A | Spec B | Spec C | Spec D | Description |
|---|---|---|---|---|---|
| Series | Category | # Parts | Status | Description |
|---|---|---|---|---|
| Part | Spec A | Spec B | Spec C | Spec D | Description |
|---|---|---|---|---|---|
| Part | Category | Description |
|---|---|---|
Analog Devices Inc./Maxim Integrated | Development Boards Kits Programmers | EVAL BOARD HMC264LM3 |
Analog Devices Inc./Maxim Integrated | Development Boards Kits Programmers | EVAL BOARD HMC362S8GE |
Analog Devices Inc./Maxim Integrated | Development Boards Kits Programmers | BOARD EVAL DIVIDER HMC365 |
Analog Devices Inc./Maxim Integrated | Development Boards Kits Programmers | EVAL BOARD HMC413QS16G |
Analog Devices Inc./Maxim Integrated | Development Boards Kits Programmers | EVAL BOARD HMC414MS8G |
Analog Devices Inc./Maxim Integrated | Development Boards Kits Programmers | EVAL BRD, 3.5GHZ, SPDT NON-REFLECTIVE SW ROHS COMPLIANT: YES |
Analog Devices Inc./Maxim Integrated | Development Boards Kits Programmers | BOARD EVALUATION HMC435AMS8G |
Analog Devices Inc./Maxim Integrated | Development Boards Kits Programmers | EVALUATION BOARD, HMC536MS8G, RF SWITCH, RF / IF |
Analog Devices Inc./Maxim Integrated | Development Boards Kits Programmers | EVAL BOARD HMC415LP3 |
Analog Devices Inc./Maxim Integrated | Development Boards Kits Programmers | EVAL BRD, HBT MMIC, DIVIDE-BY-2, 8GHZ ROHS COMPLIANT: YES |
| Series | Category | # Parts | Status | Description |
|---|---|---|---|---|
ADP17611 A, Low VIN, Low Noise, CMOS Linear Regulator | Development Boards, Kits, Programmers | 12 | Active | The ADP1761 is a low noise, low dropout (LDO) linear regulator. It is designed to operate from a single input supply with an input voltage as low as 1.10 V, without the requirement of an external bias supply to increase efficiency and provide up to 1 A of output current.The low 30 mV typical dropout voltage at a 1 A load allows the ADP1761 to operate with a small headroom while maintaining regulation and providing better efficiency. The ADP1761 is optimized for stable operation with small 10 μF ceramic output capacitors.The ADP1761 delivers optimal transient performance with minimal board area.The ADP1761 is available in fixed output voltages ranging from 0.9 V to 1.5 V. The output of the adjustable output model can be set from 0.5 V to 1.5 V through an external resistor connected between VADJ and ground.The ADP1761 has an externally programmable soft start time by connecting a capacitor to the SS pin. Short-circuit and thermal overload protection circuits prevent damage in adverse conditions. The ADP1761 is available in a small 16-lead LFCSP package for the smallest footprint solution to meet a variety of applications.APPLICATIONSRegulation to noise sensitive applications such as radio frequency (RF) transceivers, analog-to-digital converter (ADC) and digital-to-analog converter (DAC) circuits, phase-locked loops (PLLs), voltage controlled oscillators (VCOs) and clocking integrated circuitsField-programmable gate array (FPGA) and digital signal processor (DSP) suppliesMedical and healthcareIndustrial and instrumentationAutomotive |
ADP17622 A, Low VIN, Low Noise, CMOS Linear Regulator | Evaluation Boards | 13 | Active | The ADP1762 is a low noise, low dropout (LDO) linear regulator. It is designed to operate from a single input supply with an input voltage as low as 1.10 V, without the requirement of an external bias supply, to increase efficiency and provide up to 2 A of output current.The low 62 mV typical dropout voltage at a 2 A load allows the ADP1762 to operate with a small headroom while maintaining regulation and providing better efficiency.The ADP1762 is optimized for stable operation with small 10 μF ceramic output capacitors. The ADP1762 delivers optimal transient performance with minimal board area.The ADP1762 is available in fixed output voltages ranging from 0.9 V to 1.5 V. The output of the adjustable output model can be set from 0.5 V to 1.5 V through an external resistor connected between VADJ and ground.The ADP1762 has an externally programmable soft start time by connecting a capacitor to the SS pin. Short-circuit and thermal overload protection circuits prevent damage in adverse conditions. The ADP1762 is available in a small 16-lead LFCSP package for the smallest footprint solution to meet a variety of applications.APPLICATIONSRegulation to noise sensitive applications such as radio frequency (RF) transceivers, analog-to-digital converter (ADC) and digital-to-analog converter (DAC) circuits, phase-locked loops (PLLs), voltage controlled oscillators (VCOs) and clocking integrated circuitsField-programmable gate array (FPGA) and digital signal processor (DSP) suppliesMedical and healthcareIndustrial and instrumentation |
ADP17633 A, Low VIN, Low Noise, CMOS Linear Regulator | Voltage Regulators - Linear, Low Drop Out (LDO) Regulators | 18 | Active | The ADP1763 is a low noise, low dropout (LDO) linear regulator. It is designed to operate from a single input supply with an input voltage as low as 1.10 V without the requirement of an external bias supply to increase efficiency and provide up to 3 A of output current.The low 95 mV typical dropout voltage at a 3 A load allows the ADP1763 to operate with a small headroom while maintaining regulation and providing better efficiency.The ADP1763 is optimized for stable operation with small 10 μF ceramic output capacitors. The ADP1763 delivers optimal transient performance with minimal board area.The ADP1763 is available in fixed output voltages ranging from 0.9 V to 1.5 V. The output of the adjustable output model can be set from 0.5 V to 1.5 V through an external resistor connected between VADJ and ground.The ADP1763 has an externally programmable soft start time by connecting a capacitor to the SS pin. Short-circuit and thermal overload protection circuits prevent damage in adverse conditions. The ADP1763 is available in a small 16-lead LFCSP package for the smallest footprint solution to meet a variety of applications.APPLICATIONSRegulation to noise sensitive applications such as RF transceivers, analog-to-digital converter (ADC) and digital-to-analog converter (DAC) circuits, phase-locked loops (PLLs), voltage controlled oscillators (VCOs) and clocking integrated circuitsField-programmable gate array (FPGA) and digital signal processor (DSP) suppliesMedical and healthcareIndustrial and instrumentationAutomotive |
| Linear Voltage Regulator Evaluation Boards | 11 | Active | ||
ADP17655 A, Low VIN, Low Noise, CMOS Linear Regulator | Linear Voltage Regulator Evaluation Boards | 10 | Active | The ADP1765 is a low noise, low dropout (LDO) linear regulator. It is designed to operate from a single input supply with an input voltage as low as 1.10 V without the requirement of an external bias supply to increase efficiency and provide up to 5 A of output current (IOUT).The low 59 mV typical dropout voltage at a 5 A load allows the ADP1765 to operate with a small headroom while maintaining regulation and providing better efficiency.The ADP1765 is optimized for stable operation with small 22 µF ceramic output capacitors. The ADP1765 delivers optimal transient performance with minimal printed circuit board (PCB) area.The ADP1765 is available in fixed output voltages ranging from 0.55 V to 1.5 V. The output voltage (VOUT) of the adjustable output model can be set from 0.5 V to 1.5 V through an external resistor connected between VADJ and ground.The ADP1765 has an externally programmable soft start time by connecting a capacitor to the SS pin. Short-circuit and thermal overload protection circuits prevent damage in adverse conditions. The ADP1765 is available in a small, 16-lead LFCSP package for the smallest footprint solution to meet a variety of applications.APPLICATIONSRegulation to noise sensitive applications such as radio frequency (RF) transceivers, analog-to-digital converter (ADC) and digital-to-analog converter (DAC) circuits, phase-locked loops (PLLs), voltage controlled oscillators (VCOs) and clocking integrated circuitsField-programmable gate array (FPGA) and digital signal processor (DSP) suppliesMedical and healthcareIndustrial and instrumentation |
| Integrated Circuits (ICs) | 1 | Active | ||
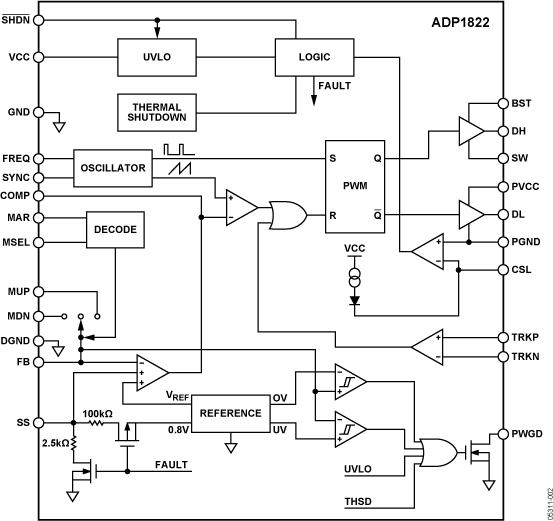
ADP1822PWM, Step-Down DC-to-DC Controller with Margining and Tracking | DC DC Switching Controllers | 1 | Active | The ADP1822 is a versatile and inexpensive synchronous voltage-mode PWM step-down controller. It drives an all N-channel power stage to regulate an output voltage as low as 0.6 V.The ADP1822 regulated output can track another power supply and can be dynamically adjusted up or down with the controller’s margining-control inputs, making it ideal for high reliability applications. It is well suited for a wide range of high power applications, such as DSP power and processor core power in telecommunications, medical imaging, high performance servers, and industrial applications. It operates from a 3.7 V to 5.5 V supply with power input voltage ranging from 1.0 V to 24 V.The ADP1822 can operate at any frequency between 300 kHz and 1.2 MHz, either by synchronizing with an external source or an internally generated, logic-controlled clock of 300 kHz or 600 kHz. It includes an adjustable soft start to allow sequencing and quick power-up while preventing input inrush current. Output reverse-current protection at startup prevents excessive output voltage excursions. The adjustable, virtually lossless current-limit scheme reduces external part count and improves efficiency.The ADP1822 operates over the −40°C to +125°C junction temperature range and is available in a 24-lead QSOP package.APPLICATIONSTelecommunications and networking systemsHigh performance serversMedical imaging systemsDSP core power suppliesMicroprocessor core power suppliesMobile communication base stationsDistributed power |
ADP1823Dual, Interleaved, Step-Down DC-to-DC Controller with Tracking | DC DC Switching Controllers | 1 | Active | The ADP1823 is a versatile, dual, interleaved, synchronous, PWM buck controller that generates two independent output rails from an input of 3.7 V to 20 V, with a power input voltage that ranges from 1 V to 24 V. Each controller can be configured to provide output voltages from 0.6 V to 85% of the input voltage and is sized to handle large MOSFETs for point-of-load regulators. The two channels operate 180° out of phase, reducing stress on the input capacitor and allowing smaller, low cost components. The ADP1823 is ideal for a wide range of high power applications, such as DSP and processor core input/output power, and general-purpose power in telecommunications, medical imaging, PCs, gaming, and industrial applications.The ADP1823 operates at a pin-selectable, fixed switching frequency of either 300 kHz or 600 kHz, minimizing external component size and cost. For noise sensitive applications, it can also be synchronized to an external clock to achieve switching frequencies between 300 kHz and 1 MHz. The ADP1823 includes soft start protection to prevent inrush current from the input supply during startup, reverse current protection during soft start for precharged outputs, as well as a unique adjustable lossless current-limit scheme using external MOSFET sensing.For applications requiring power supply sequencing, the ADP1823 also provides tracking inputs that allow the output voltages to track during startup, shutdown, and faults. This feature can also be used to implement DDR memory bus termination.The ADP1823 is specified over the −40°C to +125°C junction temperature range and is available in a 32-lead LFCSP.ApplicationsTelecommunications and networking systemsMedical imaging systemsBase station powerSet-top boxesPrintersDDR termination |
| DC DC Switching Controllers | 3 | Active | ||
| DC DC Switching Controllers | 2 | Active | ||