A
Analog Devices Inc./Maxim Integrated
| Series | Category | # Parts | Status | Description |
|---|---|---|---|---|
| Part | Spec A | Spec B | Spec C | Spec D | Description |
|---|---|---|---|---|---|
| Series | Category | # Parts | Status | Description |
|---|---|---|---|---|
| Part | Spec A | Spec B | Spec C | Spec D | Description |
|---|---|---|---|---|---|
| Part | Category | Description |
|---|---|---|
Analog Devices Inc./Maxim Integrated LTC1879EGN#TRUnknown | Integrated Circuits (ICs) | IC REG BUCK ADJ 1.2A 16SSOP |
Analog Devices Inc./Maxim Integrated LTC2208CUP#TRUnknown | Integrated Circuits (ICs) | IC ADC 16BIT 130MSPS 64-QFN |
Analog Devices Inc./Maxim Integrated ADP2108ACBZ-1.1-R7Obsolete | Integrated Circuits (ICs) | IC REG BUCK 1.1V 600MA 5WLCSP |
Analog Devices Inc./Maxim Integrated EV1HMC832ALP6GObsolete | Development Boards Kits Programmers | EVAL BOARD FOR HMC832ALP6GE |
Analog Devices Inc./Maxim Integrated LTC488ISWUnknown | Integrated Circuits (ICs) | IC LINE RCVR RS485 QUAD 16-SOIC |
Analog Devices Inc./Maxim Integrated LTC6946IUFD-2Obsolete | Integrated Circuits (ICs) | IC CLK/FREQ SYNTH 28QFN |
Analog Devices Inc./Maxim Integrated MAX5556ESA+TObsolete | Integrated Circuits (ICs) | IC DAC/AUDIO 16BIT 50K 8SOIC |
Analog Devices Inc./Maxim Integrated EVAL-FLTR-LD-1RZUnknown | Unclassified | EVAL BRD FOR AD800 SERIES |
Analog Devices Inc./Maxim Integrated | Development Boards Kits Programmers | BOARD EVAL FOR AD9963 |
Analog Devices Inc./Maxim Integrated LTC1296CCSW#TRUnknown | Integrated Circuits (ICs) | IC DATA ACQ SYS 12BIT 5V 20SOIC |
| Series | Category | # Parts | Status | Description |
|---|---|---|---|---|
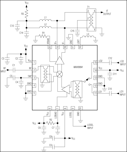
MAX9994SiGe High-Linearity, 1400MHz to 2200MHz Downconversion Mixer with LO Buffer/Switch | RF and Wireless | 2 | Active | The MAX9994 high-linearity downconversion mixer provides 8.3dB gain, +26.2dBm IIP3, and 9.7dB NF for 1400MHz to 2200MHz UMTS/WCDMA, DCS, and PCS base-station receiver applications. With a wide LO range of 1400MHz to 2000MHz, the MAX9994 can be used in either high-side or low-side LO injection architectures, depending on the RF band of interest. Higher LO applications are supported by the MAX9996, which is pin-pin and functionally compatible with the MAX9994.In addition to offering excellent linearity and noise performance, the MAX9994 also yields a high level of component integration. This device includes a double-balanced passive mixer core, an IF amplifier, a dual-input LO selectable switch, and an LO buffer. On-chip baluns are also integrated to allow for single-ended RF and LO inputs. The MAX9994 requires a nominal LO drive of 0dBm, and supply current is guaranteed to be below 235mA.The MAX9994/MAX9996 are pin compatible with the MAX9984/MAX9986 815MHz to 995MHz mixers, making this entire family of downconverters ideal for applications where a common PC board layout is used for both frequency bands. The MAX9994 is also functionally compatible with the MAX9993.The MAX9994 is available in a compact, 20-pin, thin QFN package (5mm x 5mm) with an exposed pad. Electrical performance is guaranteed over the extended -40°C to +85°C temperature range.ApplicationscdmaOne™ and cdma2000® Base StationsDCS1800/PCS1900 EDGE Base StationsDigital and Spread-Spectrum Communication SystemsFixed Broadband Wireless AccessMicrowave LinksMilitary SystemsPHS/PAS Base StationsPredistortion ReceiversPrivate Mobile Radios (PMRs)TD-SCDMA/TD-LTE Base StationsUMTS/LTE Base StationsWireless Local Loop (WLL) |
| RF Mixers | 1 | Obsolete | ||
| RF and Wireless | 2 | Active | ||
| Evaluation Boards | 1 | Obsolete | ||
| Development Boards, Kits, Programmers | 1 | Active | ||
| Evaluation and Demonstration Boards and Kits | 1 | Active | ||
| Evaluation Boards | 1 | Active | ||
| Development Boards, Kits, Programmers | 1 | Active | ||
| Development Boards, Kits, Programmers | 1 | Active | ||
| Embedded MCU, DSP Evaluation Boards | 1 | Active | ||