MAX8895Li-Ion Chargers with Smart Power Selector, Adapter Type Detection, and USB Enumeration | Evaluation and Demonstration Boards and Kits | 6 | Active | The MAX8895_ USB-compliant linear battery chargers operate from either a USB port or dedicated charger with automatic detection of adapter type and USB enumeration capability. The MAX8895X/MAX8895Y integrate the battery disconnect switch, current-sense circuit, MOSFET pass elements, and thermal regulation circuitry, and eliminate the external reverse-blocking Schottky diode to create the simplest and smallest stand-alone charging solutions.The MAX8895_ include an automated detection of charge adapter type, making it possible to distinguish between USB 2.0 device, USB charger, and dedicated charger devices. Furthermore, the MAX8895X/MAX8895Y include a USB enumeration function that automatically negotiates with a USB host, making it possible to achieve the highest current available from a USB 2.0 device or USB charger without processor intervention. The adapter type detection is compliant with USB 2.0 specification as well as USB charging Revision 1.1.The MAX8895_ control the charging sequence for single-cell Li+ batteries from initial power-OK indication, through prequalification, fast-charge, top-off, and finally charge termination. Charging is controlled using constant current, constant voltage, and constant die-temperature (CCCVCTj) regulation for safe operation under all conditions. The maximum charging current is adaptively controlled by subtracting the system current from the input current limit, ensuring that the charging current is always maximized for any given operating condition.The MAX8895_ feature optimized smart power control to make the best use of limited USB or adapter power. Battery charge current is set independently of the SYS_ input current limit. Power not used by the system charges the battery. Automatic input selection switches the system from battery to external power. This allows the application to operate without a battery, discharged battery, or dead battery.Other features include undervoltage lockout (UVLO), overvoltage protection (OVP), charge status flag, charge fault flag, power-OK monitor, battery thermistor monitor, charge timer, and a 3.3V output.The MAX8895_ operate from a +4.0V to +6.6V supply and include overvoltage protection up to +16V. The MAX8895_ are specified over the extended temperature range (-40°C to +85°C) and are available in a compact 2.36mm x 2.36mm, 25-bump WLP package (0.4mm pitch).ApplicationsBluetooth® HeadsetsCharging CradlesPortable Devices |
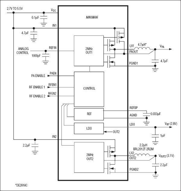
MAX8896Dual PWM Step-Down Converter in a 2mm x 2mm Package for WCDMA PA and RF Power | Voltage Regulators - Linear + Switching | 2 | Obsolete | The MAX8896 dual step-down converter is optimized for powering the power amplifier (PA) and RF transceiver in WCDMA handsets. This device integrates a high-efficiency PWM step-down converter (OUT1) for medium and low-power transmission, and a 140mΩ (typ) bypass FET to power the PA directly from the battery during high-power transmission. A second high-efficiency PWM step-down converter (OUT2) supplies power directly to a high PSRR, low output noise, 200mA low-dropout linear regulator (LDO) to power the RF transceiver.Fast switching allows the use of small ceramic input and output capacitors while maintaining low ripple voltage. The feedback network is integrated reducing external component count and total solution size. OUT1 uses an analog input driven by an external DAC to control the output voltage linearly for continuous PA power adjustment. At high duty cycle, OUT1 automatically switches to bypass mode, connecting the input to the output through a low-impedance (140mΩ, typ) MOSFET.OUT2 is a 2MHz fixed-frequency, step-down converter capable of operating at 100% duty cycle. Output accuracy is ±2% over load, line, and temperature. The output of OUT2 is preset to 3.1V to provide power to a 200mA, 2.8V LDO designed for low noise (16µVRMS, typ), high PSRR (65dB, typ) operation. This configuration provides noise attenuation for the RF transceiver power supply in the 100Hz to 100kHz range.Other features include separate output enables, low-supply current shutdown, output overcurrent, and overtemperature protection. The MAX8896 is available in a 16-bump, 2mm x 2mm UCSP™ package (0.7mm max height).ApplicationsSmartphonesWCDMA/NCDMA Cellular Handsets |
| Integrated Circuits (ICs) | 2 | Active | |
| Integrated Circuits (ICs) | 3 | Active | |
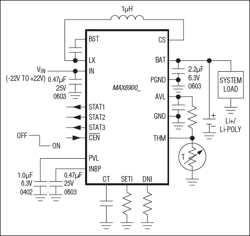
MAX89001.2A Switch-Mode Li+ Chargers with ±22V Input Rating and JEITA Battery Temperature Monitoring | Battery Chargers | 4 | Active | The MAX8900_ is a high-frequency, switch-mode charger for a 1-cell lithium ion (Li+) or lithium polymer (Li-Poly) battery. It delivers up to 1.2A of current to the battery from 3.4V to 6.3V (MAX8900A/MAX8900C) or 3.4V to 8.7V (MAX8900B). The 3.25MHz switch-mode charger is ideally suited to small portable devices such as headsets and ultra-portable media players because it minimizes component size and heat.Several features make the MAX8900_ perfect for high-reliability systems. The MAX8900_ is protected against input voltages as high as +22V and as low as -22V. Battery protection features include low voltage prequalification, charge fault timer, die temperature monitoring, and battery temperature monitoring. The battery temperature monitoring adjusts the charge current and termination voltage as described in the JEITA* specification for safe use of secondary lithium-ion batteries.Charge parameters are easily adjustable with external components. An external resistance adjusts the charge current from 50mA to 1200mA. Another external resistance adjusts the prequalification and done current thresholds from 10mA to 200mA. The done current threshold is very accurate achieving ±1mA at the 10mA level. The charge timer is adjustable with an external capacitor.The MAX8900_ is available in a 0.4mm pitch, 2.44mm x 2.67mm x 0.64mm WLP package.ApplicationsDigital CameraseBookGPS, PNDHeadsets and Media PlayersSmartphonesUSB Charging |
| Power Management (PMIC) | 10 | Active | |
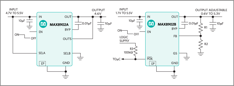
MAX8902Low-Noise 500mA LDO Regulators in a 2mm x 2mm TDFN Package | Development Boards, Kits, Programmers | 4 | Active | The MAX8902A/MAX8902B low-noise linear regulators deliver up to 500mA of output current with only 16µVRMSof output noise in a 100kHz bandwidth. These regulators maintain their output voltage over a wide input range, requiring only 100mV of input-to-output headroom at full load.These LDOs maintain a low 80µA typical supply current, independent of the load current and dropout voltage. The regulator control circuitry includes a programmable soft-start circuit and short circuit, reverse current, and thermal-overload protection. Other features include an enable input and a power-OK output (MAX8902B only).The MAX8902A output voltage can be set to 1.5V, 1.8V, 2.0V, 2.5V, 3.0V, 3.1V, 3.3V, 4.6V, or 4.7V using the SELA and SELB inputs. The MAX8902B output voltage can be set between 0.6V and 5.3V with an external resistor voltage-divider.ApplicationsMP3 and Portable Media PlayersNotebook ComputersSmartphones |
| Integrated Circuits (ICs) | 3 | Active | |
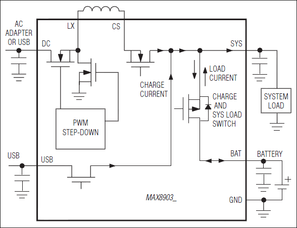
MAX89032A 1-Cell Li+ DC-DC Charger for USB and Adapter Power | Evaluation Boards | 21 | Active | The MAX8903A–MAX8903E/MAX8903G/MAX8903H/MAX8903J/MAX8903N/MAX8903Y are integrated 1-cell Li+ chargers and Smart Power Selectors™ with dual (AC adapter and USB) power inputs. The switch mode charger uses a high switching frequency to eliminate heat and allow tiny external components. It can operate with either separate inputs for USB and AC adapter power, or from a single input that accepts both. All power switches for charging and switching the load between battery and external power are included on-chip. No external MOSFETs, blocking diodes, or current-sense resistors are required.The MAX8903_ feature optimized smart power control to make the best use of limited USB or adapter power. Battery charge current and SYS output current limit are independently set. Power not used by the system charges the battery. Charge current and SYS output current limit can be set up to 2A while USB input current can be set to 100mA or 500mA. Automatic input selection switches the system from battery to external power. The DC input operates from 4.15V to 16V with up to 20V protection, while the USB input has a range of 4.1V to 6.3V with up to 8V protection.The MAX8903_ internally block current from the battery and system back to the DC and USB inputs when no input supply is present. Other features include prequal charging and timer, fast charge timer, overvoltage protection, charge status and fault outputs, power-OK monitors, and a battery thermistor monitor. In addition, on-chip thermal limiting reduces battery charge rate and AC adapter current to prevent charger overheating. The MAX8903_ is available in a 4mm x 4mm, 28-pin thin QFN package.The various versions of the MAX8903_ allow for design flexibility to choose key parameters such as system regulation voltage, battery prequalification threshold, and battery regulation voltage. The MAX8903B/MAX8903E/MAX8903G also includes power-enable on battery detection. See theSelector Guidesection in the full data sheet for complete details.ApplicationsMobile Internet DevicesPDA, Palmtop, and Wireless HandheldsPersonal Navigation DevicesPortable Multimedia PlayersSmart Cell PhonesUltra Mobile PCs |
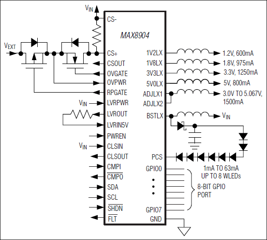
MAX8904High-Efficiency Power-Management IC with I²C Control for 2-Cell Li+ Battery Operated Devices | Battery Management | 2 | Obsolete | The MAX8904 power-management IC provides a complete power-supply solution for 2-cell Li+ handheld/Li-Poly applications such as point-of-sale terminals, digital SLR cameras, digital video cameras and ultra-mobile PCs.The MAX8904 includes five step-down converters (1V2, 1V8, 3V3, 5V0, and ADJ) with internal MOSFETs and +1%/-3% accurate output voltages for processor core, memory, I/O, and other system power rail requirements. LCD backlighting is supported by a WLED boost converter that can provide 35mA for up to 8 WLEDs. This boost converter is also configurable as a 6-bit programmable voltage source that can provide up to 63mA of output current. A 500mA, internal MOSFET, current-limited switch (CLS), allows system designers to control input power to external peripheral devices.The MAX8904 controls an external n-MOSFET for input overvoltage protection (13.5V, typ) and an external p-MOSFET for reverse polarity protection (up to -28V) of downstream circuits. System input current monitoring for power management is facilitated by an on-board current-sense amplifier (CSA) with differential inputs and a 1.2V full scale, ground-referenced analog output.A 400kHz, I²C interface supports output voltage setting of the ADJ power rail and boost regulator (voltage source mode), WLED current setting for the boost regulator (WLED current regulator mode), GPIO control, and enable/disable of ADJ, 5V0, boost regulator, CSA blocks. The I²C interface also enables the host processor to read on-board fault status registers when interrupted by the MAX8904 active-low FLT pin under system fault conditions.An emergency shutdown input, active-low SHDN allows converters preselected through I²C to turn off immediately under power-fail conditions, thus saving valuable firmware execution time. An uncommitted, active-low, 14V open-drain comparator (CMP) with a 1.25V internal reference is also provided in the MAX8904. The MAX8904 PWREN logic input turns on the 1V2, 1V8, 3V3, and 5V0 default power rails.The MAX8904 is available in a 56-pin, 7mm x 7mm TQFN package.ApplicationsDigital SLR CamerasDigital Video CamerasPoint-of-Sale TerminalsUltra-Mobile PCs |