A
Analog Devices Inc./Maxim Integrated
| Series | Category | # Parts | Status | Description |
|---|---|---|---|---|
| Part | Spec A | Spec B | Spec C | Spec D | Description |
|---|---|---|---|---|---|
| Series | Category | # Parts | Status | Description |
|---|---|---|---|---|
| Part | Spec A | Spec B | Spec C | Spec D | Description |
|---|---|---|---|---|---|
| Series | Category | # Parts | Status | Description |
|---|---|---|---|---|
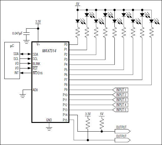
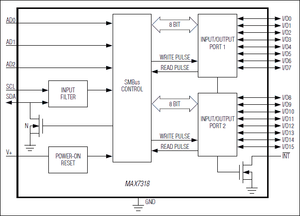
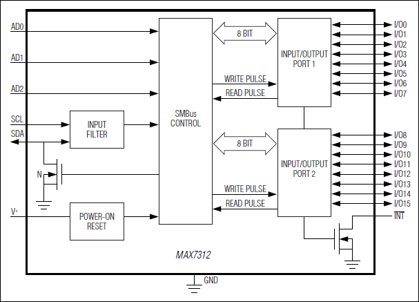
MAX73112-Wire-Interfaced 16-Bit I/O Port Expander with Interrupt and Hot-Insertion Protection | Evaluation and Demonstration Boards and Kits | 9 | Active | The MAX7311 2-wire-interfaced expander provides 16-bit parallel input/output (I/O) port expansion for SMBus™ and I²C applications. The MAX7311 consists of input port registers, output port registers, polarity inversion registers, configuration registers, a bus timeout register, and an I²C-compatible serial interface logic compatible with SMBus. The system master can invert the MAX7311 input data by writing to the active-high polarity inversion register. The system master can enable or disable bus timeout by writing to the bus timeout register.Any of the 16 I/O ports can be configured as an input or output. A power-on reset (POR) initializes the 16 I/Os as inputs. Three address select pins configure one of 64 slave ID addresses.The MAX7311 supports hot insertion. All port pins, the active-low INT output, SDA, SCL and the slave address inputs AD0-2 remain high impedance in power down (V+ = 0V) with up to 6V asserted upon them.The MAX7311 is available in 24-pin SO, SSOP, TSSOP, and thin QFN packages and is specified over the -40°C to +125°C automotive temperature range.For applications requiring I/Os without pullup resistors, refer to the MAX7312 data sheet.ApplicationsIndustrial ControlInstrumentation and Test MeasurementMedical EquipmentPLCsRAID SystemsServers |
| Integrated Circuits (ICs) | 8 | Active | ||
| Evaluation and Demonstration Boards and Kits | 8 | Active | ||
MAX731418-Port GPIO with LED Intensity Control, Interrupt, and Hot-Insertion Protection | Interface | 4 | Active | The MAX7314 I²C-compatible serial interfaced peripheral provides microprocessors with 16 I/O ports plus one output-only port and one input-only port. Each I/O port can be individually configured as either an open-drain current-sinking output rated at 50mA and 5.5V, or a logic input with transition detection. The output-only port can be assigned as an interrupt output for transition detection. The outputs are capable of driving LEDs, or providing logic outputs with external resistive pullup up to 5.5V.Eight-bit PWM current control is built in for all 17 output ports. A 4-bit global control applies to all LED outputs and provides coarse adjustment of current from fully off to fully on with 14 intensity steps in between. Each output has an individual 4-bit control, which further divides the globally set current into 16 more steps. Alternatively, the current control can be configured as a single 8-bit control that sets all outputs at once.Each output has independent blink timing with two blink phases. All LEDs can be individually set to be on or off during either blink phase, or to ignore the blink control. The blink period is controlled by a clock input (up to 1kHz) on BLINK or by a register. The BLINK input can also be used as a logic control to turn the LEDs on and off, or as a general-purpose input.The MAX7314 supports hot insertion. All port pins, the active-low INT output, SDA, SCL, active-low RST, BLINK, and the slave address input ADO remain high impedance in powerdown (V+ = 0V) with up to 6V asserted upon them. The MAX7314 is controlled through a 2-wire serial interface, and uses four-level logic to allow four I²C addresses from only one select pin.ApplicationsKeypad BacklightsLCD BacklightsLED Status IndicationRelay DriversRGB LED DriversSystem I/O Ports |
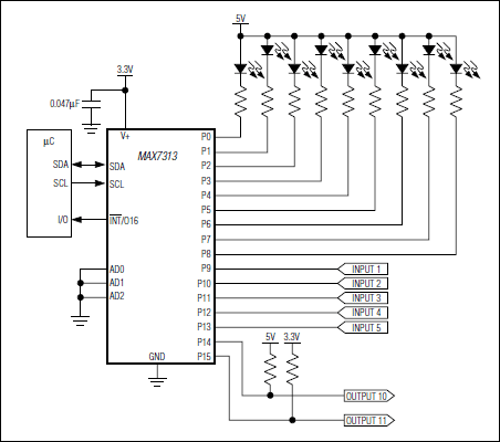
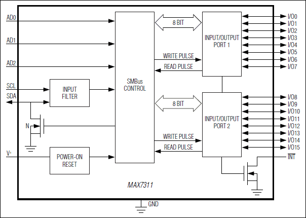
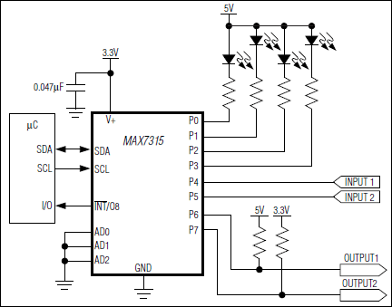
MAX73158-Port I/O Expander with LED Intensity Control, Interrupt, and Hot-Insertion Protection | Evaluation Boards | 7 | Active | The MAX7315 I²C-/SMBus™-compatible serial interfaced peripheral provides microprocessors with 8 I/O ports. Each I/O port can be individually configured as either an open-drain current-sinking output rated at 50mA at 5.5V, or a logic input with transition detection. A ninth port can be used for transition detection interrupt or as a general-purpose output. The outputs are capable of directly driving LEDs, or providing logic outputs with external resistive pullup up to 5.5V.PWM current drive is integrated with 8 bits of control. Four bits are global control and apply to all LED outputs to provide coarse adjustment of current from fully off to fully on in 14 intensity steps. Each output then has individual 4-bit control, which further divides the globally set current into 16 more steps. Alternatively, the current control can be configured as a single 8-bit control that sets all outputs at once.The MAX7315 is pin and software compatible with the PCA9534 and PCA9554(A).Each output has independent blink timing with two blink phases. All LEDs can be individually set to be on or off during either blink phase, or to ignore the blink control. The blink period is controlled by a register.The MAX7315 supports hot insertion. All port pins, the active-low INT output, SDA, SCL, and the slave address inputs AD0-2 remain high impedance in power-down (V+ = 0V) with up to 6V asserted upon them.The MAX7315 is controlled through the 2-wire I²C/SMBus serial interface, and can be configured to one of 64 I²C addresses.ApplicationsCell PhonesKeypad BacklightsLaptop ComputersLCD BacklightsLED Status IndicationPortable EquipmentRGB LED Drivers |
| Integrated Circuits (ICs) | 3 | Obsolete | ||
| Interface | 4 | Active | ||
| Evaluation and Demonstration Boards and Kits | 8 | Active | ||
MAX7319I²C Port Expander with Eight Inputs and Maskable Transition Detection | Interface | 3 | Active | The MAX7319 2-wire serial-interfaced peripheral features eight input ports with selectable internal pullups, overvoltage protection to +6V, and transition detection with interrupt output.All input ports are continuously monitored for state changes (transition detection). Transitions are latched, allowing detection of transient changes. Any combination of inputs can be selected using the interrupt mask to assert the active-low INT output. When the MAX7319 is subsequently accessed through the serial interface, any pending interrupt is cleared.The +5.5V tolerant active-low RST input clears the serial interface, terminating any I²C communication to or from the MAX7319.The MAX7319 uses two address inputs with four-level logic to allow 16 I²C slave addresses. The slave address also enables or disables internal 40kΩ pullups in groups of four ports.The MAX7319 supports hot insertion. All eight input ports, the serial interface SDA, SCL, AD0, AD2, active-low INT, and active-low RST remain high impedance in power-down (V+ = 0) with up to +6V asserted on them.The MAX7319 is one device in a family of pin-compatible port expanders with a choice of input ports, open-drain I/O ports, and push-pull output ports.The MAX7319 is available in 16-pin QSOP and 16-pin TQFN packages, and is specified over the automotive temperature range (-40°C to +125°C).ApplicationsCell PhonesNotebooksSAN/NASSatellite RadioServers |
MAX732+12V/+15V Step-Up Current-Mode PWM Regulators | PMIC | 12 | Active | +12V/+15V Step-Up Current-Mode PWM Regulators |
| Part | Category | Description |
|---|---|---|
Analog Devices Inc./Maxim Integrated LTC1879EGN#TRUnknown | Integrated Circuits (ICs) | IC REG BUCK ADJ 1.2A 16SSOP |
Analog Devices Inc./Maxim Integrated LTC2208CUP#TRUnknown | Integrated Circuits (ICs) | IC ADC 16BIT 130MSPS 64-QFN |
Analog Devices Inc./Maxim Integrated ADP2108ACBZ-1.1-R7Obsolete | Integrated Circuits (ICs) | IC REG BUCK 1.1V 600MA 5WLCSP |
Analog Devices Inc./Maxim Integrated EV1HMC832ALP6GObsolete | Development Boards Kits Programmers | EVAL BOARD FOR HMC832ALP6GE |
Analog Devices Inc./Maxim Integrated LTC488ISWUnknown | Integrated Circuits (ICs) | IC LINE RCVR RS485 QUAD 16-SOIC |
Analog Devices Inc./Maxim Integrated LTC6946IUFD-2Obsolete | Integrated Circuits (ICs) | IC CLK/FREQ SYNTH 28QFN |
Analog Devices Inc./Maxim Integrated MAX5556ESA+TObsolete | Integrated Circuits (ICs) | IC DAC/AUDIO 16BIT 50K 8SOIC |
Analog Devices Inc./Maxim Integrated EVAL-FLTR-LD-1RZUnknown | Unclassified | EVAL BRD FOR AD800 SERIES |
Analog Devices Inc./Maxim Integrated | Development Boards Kits Programmers | BOARD EVAL FOR AD9963 |
Analog Devices Inc./Maxim Integrated LTC1296CCSW#TRUnknown | Integrated Circuits (ICs) | IC DATA ACQ SYS 12BIT 5V 20SOIC |