A
Analog Devices Inc./Maxim Integrated
| Series | Category | # Parts | Status | Description |
|---|---|---|---|---|
| Part | Spec A | Spec B | Spec C | Spec D | Description |
|---|---|---|---|---|---|
| Series | Category | # Parts | Status | Description |
|---|---|---|---|---|
| Part | Spec A | Spec B | Spec C | Spec D | Description |
|---|---|---|---|---|---|
| Part | Category | Description |
|---|---|---|
Analog Devices Inc./Maxim Integrated LTC1879EGN#TRUnknown | Integrated Circuits (ICs) | IC REG BUCK ADJ 1.2A 16SSOP |
Analog Devices Inc./Maxim Integrated LTC2208CUP#TRUnknown | Integrated Circuits (ICs) | IC ADC 16BIT 130MSPS 64-QFN |
Analog Devices Inc./Maxim Integrated ADP2108ACBZ-1.1-R7Obsolete | Integrated Circuits (ICs) | IC REG BUCK 1.1V 600MA 5WLCSP |
Analog Devices Inc./Maxim Integrated EV1HMC832ALP6GObsolete | Development Boards Kits Programmers | EVAL BOARD FOR HMC832ALP6GE |
Analog Devices Inc./Maxim Integrated LTC488ISWUnknown | Integrated Circuits (ICs) | IC LINE RCVR RS485 QUAD 16-SOIC |
Analog Devices Inc./Maxim Integrated LTC6946IUFD-2Obsolete | Integrated Circuits (ICs) | IC CLK/FREQ SYNTH 28QFN |
Analog Devices Inc./Maxim Integrated MAX5556ESA+TObsolete | Integrated Circuits (ICs) | IC DAC/AUDIO 16BIT 50K 8SOIC |
Analog Devices Inc./Maxim Integrated EVAL-FLTR-LD-1RZUnknown | Unclassified | EVAL BRD FOR AD800 SERIES |
Analog Devices Inc./Maxim Integrated | Development Boards Kits Programmers | BOARD EVAL FOR AD9963 |
Analog Devices Inc./Maxim Integrated LTC1296CCSW#TRUnknown | Integrated Circuits (ICs) | IC DATA ACQ SYS 12BIT 5V 20SOIC |
| Series | Category | # Parts | Status | Description |
|---|---|---|---|---|
| Supervisors | 1 | Active | ||
| Supervisors | 2 | Active | ||
| Supervisors | 16 | Active | ||
| Supervisors | 15 | Active | ||
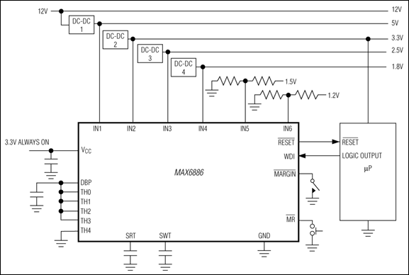
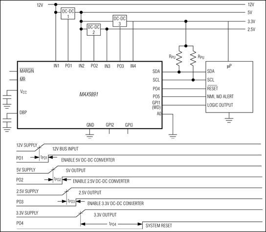
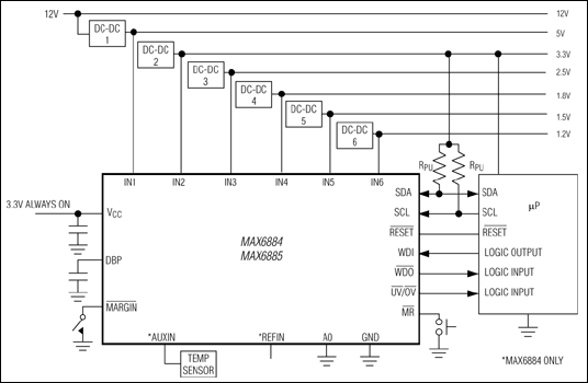
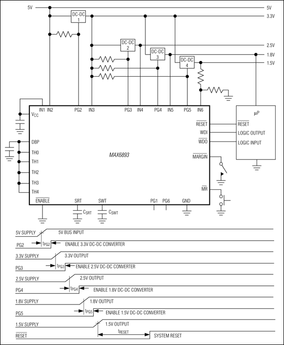
MAX6889EEPROM-Programmable, Octal/Hex/Quad, Power-Supply Sequencers/Supervisors | Supervisors | 3 | Active | The MAX6889/MAX6890/MAX6891 EEPROM-configurable, multivoltage supply sequencers/supervisors monitor several voltage detector inputs and general-purpose logic inputs and feature programmable outputs for highly configurable power-supply sequencing applications. The MAX6889 features eight voltage detector inputs and ten programmable outputs. The MAX6890 features six voltage detector inputs and eight programmable outputs, while the MAX6891 features four voltage detector inputs and five programmable outputs. Manual reset and margin disable inputs offer additional flexibility.All voltage detectors offer a configurable threshold for undervoltage detection. High-voltage input IN1 monitors voltages from 2.5V to 13.2V in 50mV increments, or from 1.25V to 7.625V in 25mV increments. Inputs IN2–IN7 monitor voltages from 1V to 5.5V in 20mV increments or from 0.5V to 3.05V in 10mV increments. High-voltage input IN8 monitors voltages from 2.5V to 15.25V in 50mV increments, or from 1.25V to 7.625V in 25mV increments. Programmable output stages control power-supply sequencing or system resets/interrupts. Programmable output options include: active-high, active-low, open drain, and weak pullup. Programmable timing delay blocks configure each output to wait between 25µs and 1600ms before deasserting.The MAX6889/MAX6890/MAX6891 feature a watchdog timer for added flexibility. Program the watchdog timer to assert one or more programmable outputs. The initial and normal watchdog timeout periods are independently programmable from 6.25ms to 102.4s.An SMBus™/I2C-compatible, 2-wire serial data interface programs and communicates with the configuration EEPROM, the configuration registers, and the internal 512-bit user EEPROM.The MAX6889/MAX6890/MAX6891 are available in 5mm x 5mm x 0.8mm thin QFN packages and are specified to operate over the extended temperature range (-40°C to +85°C).ApplicationsMulti-Microprocessor/Voltage SystemsNetworking SystemsServers and WorkstationsStorage EquipmentTelecommunication/Central Office SystemsWireless Base Stations |
| Voltage Regulators - Linear, Low Drop Out (LDO) Regulators | 4 | Obsolete | ||
| Power Management (PMIC) | 1 | Obsolete | ||
| Integrated Circuits (ICs) | 2 | Active | ||
| Power Management (PMIC) | 2 | Obsolete | ||
| Integrated Circuits (ICs) | 2 | Active | ||