| Integrated Circuits (ICs) | 12 | Active | |
MAX3081±15kV ESD-Protected, Fail-Safe, High-Speed (10Mbps), Slew-Rate-Limited RS-485/RS-422 Transceivers | Drivers, Receivers, Transceivers | 12 | Active | The MAX3080E–MAX3089E are ±15kV electrostatic discharge (ESD)-protected, high-speed transceivers for RS-485/RS-422 communication that contain one driver and one receiver. These devices feature fail-safe circuitry, which guarantees a logic-high receiver output when the receiver inputs are open or shorted. This means that the receiver output will be a logic high if all transmitters on a terminated bus are disabled (high impedance). The MAX3080E/MAX3081E/MAX3082E feature reduced slew-rate drivers that minimize EMI and reduce reflections caused by improperly terminated cables, allowing error-free data transmission up to 115kbps. The MAX3083E/MAX3084E/MAX3085E offer higher driver output slew-rate limits, allowing transmit speeds up to 500kbps. The MAX3086E/MAX3087E/MAX3088Es' driver slew rates are not limited, making transmit speeds up to 10Mbps possible. The MAX3089E's slew rate is selectable between 115kbps, 500kbps, and 10Mbps by driving a selector pin with a single three-state driver. All devices feature enhanced ESD protection. All transmitter outputs and receiver inputs are protected to ±15kV using the Human Body Model.These transceivers typically draw 375µA of supply current when unloaded, or when fully loaded with the drivers disabled.All devices have a 1/8-unit-load receiver input impedance that allows up to 256 transceivers on the bus. The MAX3082E/MAX3085E/MAX3088E are intended for halfduplex communications, while the MAX3080E/MAX3081E/MAX3083E/MAX3084E/MAX3086E/MAX3087E are intended for full-duplex communications. The MAX3089E is selectable between half-duplex and full-duplex operation. It also features independently programmable receiver and transmitter output phase via separate pins.ApplicationsIndustrial Control Local Area NetworksLevel TranslatorsRS-422/RS-485 CommunicationsTransceivers for EMI-Sensitive Applications |
MAX3082±15kV ESD-Protected, Fail-Safe, High-Speed (10Mbps), Slew-Rate-Limited RS-485/RS-422 Transceivers | Integrated Circuits (ICs) | 15 | Active | The MAX3080E–MAX3089E are ±15kV electrostatic discharge (ESD)-protected, high-speed transceivers for RS-485/RS-422 communication that contain one driver and one receiver. These devices feature fail-safe circuitry, which guarantees a logic-high receiver output when the receiver inputs are open or shorted. This means that the receiver output will be a logic high if all transmitters on a terminated bus are disabled (high impedance). The MAX3080E/MAX3081E/MAX3082E feature reduced slew-rate drivers that minimize EMI and reduce reflections caused by improperly terminated cables, allowing error-free data transmission up to 115kbps. The MAX3083E/MAX3084E/MAX3085E offer higher driver output slew-rate limits, allowing transmit speeds up to 500kbps. The MAX3086E/MAX3087E/MAX3088Es' driver slew rates are not limited, making transmit speeds up to 10Mbps possible. The MAX3089E's slew rate is selectable between 115kbps, 500kbps, and 10Mbps by driving a selector pin with a single three-state driver. All devices feature enhanced ESD protection. All transmitter outputs and receiver inputs are protected to ±15kV using the Human Body Model.These transceivers typically draw 375µA of supply current when unloaded, or when fully loaded with the drivers disabled.All devices have a 1/8-unit-load receiver input impedance that allows up to 256 transceivers on the bus. The MAX3082E/MAX3085E/MAX3088E are intended for halfduplex communications, while the MAX3080E/MAX3081E/MAX3083E/MAX3084E/MAX3086E/MAX3087E are intended for full-duplex communications. The MAX3089E is selectable between half-duplex and full-duplex operation. It also features independently programmable receiver and transmitter output phase via separate pins.ApplicationsIndustrial Control Local Area NetworksLevel TranslatorsRS-422/RS-485 CommunicationsTransceivers for EMI-Sensitive Applications |
MAX3082E±15kV ESD-Protected, Fail-Safe, High-Speed (10Mbps), Slew-Rate-Limited RS-485/RS-422 Transceivers | Drivers, Receivers, Transceivers | 1 | Active | The MAX3080E–MAX3089E are ±15kV electrostatic discharge (ESD)-protected, high-speed transceivers for RS-485/RS-422 communication that contain one driver and one receiver. These devices feature fail-safe circuitry, which guarantees a logic-high receiver output when the receiver inputs are open or shorted. This means that the receiver output will be a logic high if all transmitters on a terminated bus are disabled (high impedance). The MAX3080E/MAX3081E/MAX3082E feature reduced slew-rate drivers that minimize EMI and reduce reflections caused by improperly terminated cables, allowing error-free data transmission up to 115kbps. The MAX3083E/MAX3084E/MAX3085E offer higher driver output slew-rate limits, allowing transmit speeds up to 500kbps. The MAX3086E/MAX3087E/MAX3088Es' driver slew rates are not limited, making transmit speeds up to 10Mbps possible. The MAX3089E's slew rate is selectable between 115kbps, 500kbps, and 10Mbps by driving a selector pin with a single three-state driver. All devices feature enhanced ESD protection. All transmitter outputs and receiver inputs are protected to ±15kV using the Human Body Model.These transceivers typically draw 375µA of supply current when unloaded, or when fully loaded with the drivers disabled.All devices have a 1/8-unit-load receiver input impedance that allows up to 256 transceivers on the bus. The MAX3082E/MAX3085E/MAX3088E are intended for halfduplex communications, while the MAX3080E/MAX3081E/MAX3083E/MAX3084E/MAX3086E/MAX3087E are intended for full-duplex communications. The MAX3089E is selectable between half-duplex and full-duplex operation. It also features independently programmable receiver and transmitter output phase via separate pins.ApplicationsIndustrial Control Local Area NetworksLevel TranslatorsRS-422/RS-485 CommunicationsTransceivers for EMI-Sensitive Applications |
| Drivers, Receivers, Transceivers | 10 | Active | |
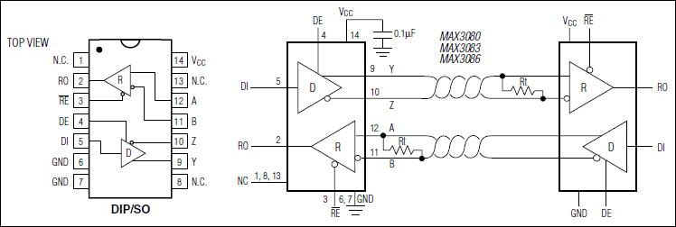
MAX3084Fail-Safe, High-Speed (10Mbps), Slew-Rate-Limited RS-485/RS-422 Transceivers | Integrated Circuits (ICs) | 11 | Active | The MAX3080-MAX3089 high-speed transceivers for RS-485/RS-422 communication contain one driver and one receiver. These devices feature fail-safe circuitry, which guarantees a logic-high receiver output when the receiver inputs are open or shorted. This means that the receiver output will be a logic high if all transmitters on a terminated bus are disabled (high impedance). The MAX3080/MAX3081/MAX3082 feature reduced slew-rate drivers that minimize EMI and reduce reflections caused by improperly terminated cables, allowing error-free data transmission up to 115kbps. The MAX3083/MAX3084/MAX3085 offer higher driver output slew-rate limits, allowing transmit speeds up to 500kbps. The MAX3086/MAX3087/MAX3088's driver slew rates are not limited, making transmit speeds up to 10Mbps possible. The MAX3089's slew rate is selectable between 115kbps, 500kbps, and 10Mbps by driving a selector pin with a single three-state driver.These transceivers typically draw 375µA of supply current when unloaded, or when fully loaded with the drivers disabled.All devices have a 1/8-unit-load receiver input impedance that allows up to 256 transceivers on the bus. The MAX3082/MAX3085/MAX3088 are intended for halfduplex communications, while the MAX3080/MAX3081/ MAX3083/MAX3084/MAX3086/MAX3087 are intended for full-duplex communications. The MAX3089 is selectable between half-duplex and full-duplex operation. It also features independently programmable receiver and transmitter output phase via separate pins.ApplicationsIndustrial-Control Local Area NetworksLevel TranslatorsRS-422/RS-485 CommunicationsTransceivers for EMI-Sensitive Applications |
| Interface | 16 | Active | |
MAX3085E±15kV ESD-Protected, Fail-Safe, High-Speed (10Mbps), Slew-Rate-Limited RS-485/RS-422 Transceivers | Drivers, Receivers, Transceivers | 1 | Active | The MAX3080E–MAX3089E are ±15kV electrostatic discharge (ESD)-protected, high-speed transceivers for RS-485/RS-422 communication that contain one driver and one receiver. These devices feature fail-safe circuitry, which guarantees a logic-high receiver output when the receiver inputs are open or shorted. This means that the receiver output will be a logic high if all transmitters on a terminated bus are disabled (high impedance). The MAX3080E/MAX3081E/MAX3082E feature reduced slew-rate drivers that minimize EMI and reduce reflections caused by improperly terminated cables, allowing error-free data transmission up to 115kbps. The MAX3083E/MAX3084E/MAX3085E offer higher driver output slew-rate limits, allowing transmit speeds up to 500kbps. The MAX3086E/MAX3087E/MAX3088Es' driver slew rates are not limited, making transmit speeds up to 10Mbps possible. The MAX3089E's slew rate is selectable between 115kbps, 500kbps, and 10Mbps by driving a selector pin with a single three-state driver. All devices feature enhanced ESD protection. All transmitter outputs and receiver inputs are protected to ±15kV using the Human Body Model.These transceivers typically draw 375µA of supply current when unloaded, or when fully loaded with the drivers disabled.All devices have a 1/8-unit-load receiver input impedance that allows up to 256 transceivers on the bus. The MAX3082E/MAX3085E/MAX3088E are intended for halfduplex communications, while the MAX3080E/MAX3081E/MAX3083E/MAX3084E/MAX3086E/MAX3087E are intended for full-duplex communications. The MAX3089E is selectable between half-duplex and full-duplex operation. It also features independently programmable receiver and transmitter output phase via separate pins.ApplicationsIndustrial Control Local Area NetworksLevel TranslatorsRS-422/RS-485 CommunicationsTransceivers for EMI-Sensitive Applications |
| Integrated Circuits (ICs) | 12 | Active | |
MAX3086E±15kV ESD-Protected, Fail-Safe, High-Speed (10Mbps), Slew-Rate-Limited RS-485/RS-422 Transceivers | Interface | 1 | Active | The MAX3080E–MAX3089E are ±15kV electrostatic discharge (ESD)-protected, high-speed transceivers for RS-485/RS-422 communication that contain one driver and one receiver. These devices feature fail-safe circuitry, which guarantees a logic-high receiver output when the receiver inputs are open or shorted. This means that the receiver output will be a logic high if all transmitters on a terminated bus are disabled (high impedance). The MAX3080E/MAX3081E/MAX3082E feature reduced slew-rate drivers that minimize EMI and reduce reflections caused by improperly terminated cables, allowing error-free data transmission up to 115kbps. The MAX3083E/MAX3084E/MAX3085E offer higher driver output slew-rate limits, allowing transmit speeds up to 500kbps. The MAX3086E/MAX3087E/MAX3088Es' driver slew rates are not limited, making transmit speeds up to 10Mbps possible. The MAX3089E's slew rate is selectable between 115kbps, 500kbps, and 10Mbps by driving a selector pin with a single three-state driver. All devices feature enhanced ESD protection. All transmitter outputs and receiver inputs are protected to ±15kV using the Human Body Model.These transceivers typically draw 375µA of supply current when unloaded, or when fully loaded with the drivers disabled.All devices have a 1/8-unit-load receiver input impedance that allows up to 256 transceivers on the bus. The MAX3082E/MAX3085E/MAX3088E are intended for halfduplex communications, while the MAX3080E/MAX3081E/MAX3083E/MAX3084E/MAX3086E/MAX3087E are intended for full-duplex communications. The MAX3089E is selectable between half-duplex and full-duplex operation. It also features independently programmable receiver and transmitter output phase via separate pins.ApplicationsIndustrial Control Local Area NetworksLevel TranslatorsRS-422/RS-485 CommunicationsTransceivers for EMI-Sensitive Applications |