A
Analog Devices Inc./Maxim Integrated
| Series | Category | # Parts | Status | Description |
|---|---|---|---|---|
| Part | Spec A | Spec B | Spec C | Spec D | Description |
|---|---|---|---|---|---|
| Series | Category | # Parts | Status | Description |
|---|---|---|---|---|
| Part | Spec A | Spec B | Spec C | Spec D | Description |
|---|---|---|---|---|---|
| Part | Category | Description |
|---|---|---|
Analog Devices Inc./Maxim Integrated LTC1879EGN#TRUnknown | Integrated Circuits (ICs) | IC REG BUCK ADJ 1.2A 16SSOP |
Analog Devices Inc./Maxim Integrated LTC2208CUP#TRUnknown | Integrated Circuits (ICs) | IC ADC 16BIT 130MSPS 64-QFN |
Analog Devices Inc./Maxim Integrated ADP2108ACBZ-1.1-R7Obsolete | Integrated Circuits (ICs) | IC REG BUCK 1.1V 600MA 5WLCSP |
Analog Devices Inc./Maxim Integrated EV1HMC832ALP6GObsolete | Development Boards Kits Programmers | EVAL BOARD FOR HMC832ALP6GE |
Analog Devices Inc./Maxim Integrated LTC488ISWUnknown | Integrated Circuits (ICs) | IC LINE RCVR RS485 QUAD 16-SOIC |
Analog Devices Inc./Maxim Integrated LTC6946IUFD-2Obsolete | Integrated Circuits (ICs) | IC CLK/FREQ SYNTH 28QFN |
Analog Devices Inc./Maxim Integrated MAX5556ESA+TObsolete | Integrated Circuits (ICs) | IC DAC/AUDIO 16BIT 50K 8SOIC |
Analog Devices Inc./Maxim Integrated EVAL-FLTR-LD-1RZUnknown | Unclassified | EVAL BRD FOR AD800 SERIES |
Analog Devices Inc./Maxim Integrated | Development Boards Kits Programmers | BOARD EVAL FOR AD9963 |
Analog Devices Inc./Maxim Integrated LTC1296CCSW#TRUnknown | Integrated Circuits (ICs) | IC DATA ACQ SYS 12BIT 5V 20SOIC |
| Series | Category | # Parts | Status | Description |
|---|---|---|---|---|
MAX25222Automotive 4-Channel TFT-LCD Power Supply with VCOM Buffer and ASIL B Features | Power Management (PMIC) | 3 | Active | The MAX25222/MAX25222C are a 4-channel TFT-LCD power ICs that provide symmetrical positive AVDD and negative NAVDD supplies, as well as VGONand VGOFFgate supplies. In addition, a VCOM buffer with output voltage range above and below ground and a temperature measurement block are integrated.The devices contain non-volatile memory so that the values of all outputs can be calibrated for the lifetime of the device (maximum five times).Programming is carried out using the built-in I2C interface, which can also be used to read back diagnostic information. A stand-alone mode is available after the device has been programmed.The temperature sensor interface block measures the temperature, optionally allowing the VCOM output voltage to be adjusted depending on the measured temperature. The MAX25222/MAX25222C2 includes extensive diagnostics to aid in fulfilling ASIL-B safety level.The MAX25222/MAX25222C is available in a TQFN package and operate in the -40°C to 125°C temperature range.ApplicationsCentral Information DisplaysInfotainment DisplaysInstrument Clusters |
MAX25222CAutomotive 4-Channel TFT-LCD Power Supply with VCOM Buffer and ASIL B Features | Power Management (PMIC) | 2 | Active | The MAX25222/MAX25222C are a 4-channel TFT-LCD power ICs that provide symmetrical positive AVDD and negative NAVDD supplies, as well as VGONand VGOFFgate supplies. In addition, a VCOM buffer with output voltage range above and below ground and a temperature measurement block are integrated.The devices contain non-volatile memory so that the values of all outputs can be calibrated for the lifetime of the device (maximum five times).Programming is carried out using the built-in I2C interface, which can also be used to read back diagnostic information. A stand-alone mode is available after the device has been programmed.The temperature sensor interface block measures the temperature, optionally allowing the VCOM output voltage to be adjusted depending on the measured temperature. The MAX25222/MAX25222C2 includes extensive diagnostics to aid in fulfilling ASIL-B safety level.The MAX25222/MAX25222C is available in a TQFN package and operate in the -40°C to 125°C temperature range.ApplicationsCentral Information DisplaysInfotainment DisplaysInstrument Clusters |
MAX25223Automotive 36V 3.5A Buck Converter with 5μA IQ | Voltage Regulators - DC DC Switching Regulators | 4 | Active | The MAX25223 is a small, automotive grade synchronous buck converter with integrated high-side and low-side switches. The device is designed to deliver up to 3.5A with input voltages from +3V to +36V while using only 5µA quiescent current at no load. The MAX25223 provides an accurate output voltage of ±2% within the normal operation input range of +6V to +18V. With 65ns minimum on-time capability, the converter is capable of large input-to-output conversion ratios. Voltage quality can be monitored by observing the PGOOD signal. MAX25223 can operate in drop-out by running at 99% duty cycle, making it ideal for automotive and industrial applications. The IC offers standard parts with fixed output voltages of 3.3V and 5V. Other fixed output voltages in the range of 3V to 5.5V are also available on request. Frequency is internally fixed at 2.1MHz, which allows for small external components, reduces output ripple, and guarantees that there is no AM interference. A 400kHz option is also offered to provide minimum switching losses and maximum efficiency. MAX25223 automatically enters skip mode at light loads with ultra-low quiescent current of 5µA at no load. It offers pin-enabled spread-spectrum frequency modulation designed to minimize EMI-radiated emissions due to the modulation frequency.The MAX25223 comes in a small 4mm x 4mm 20-pin SW-TQFN package and uses very few external components. The intelligent package layout results in an extremely low-noise solution with superior EMI performance.ApplicationsAutomotiveIndustrialHigh Voltage DC-DC Converters |
| Evaluation Boards | 7 | Active | ||
MAX2523236V, 3A Mini Buck Converter with 3.5uA IQ | DC/DC & AC/DC (Off-Line) SMPS Evaluation Boards | 15 | Active | The MAX25232 is a small, synchronous buck converter with integrated high-side and low-side switches. The device is designed to deliver up to 3A with 3.5V to 36V input voltages while using only 3.5µA quiescent current at no load.The device provides an accurate output voltage of ±2% in FPWM mode within the normal 6V to 18V operation input range. With 65ns minimum on-time capability, the converter is capable of large input-to-output conversion ratios. Voltage quality can be monitored by observing the PGOOD signal. The device can operate in dropout by running at 99% duty cycle, making it ideal for automotive and industrial applications. The device offers two fixed 5V and 3.3V output voltages. In addition, the device can be configured for 1V to 10V output voltages using an external resistor-divider. Frequency is internally fixed at 2.1MHz, which allows for small external components and reduced output ripple, and guarantees no AM interference. A 400kHz option is also offered to provide minimum switching losses and maximum efficiency. The device automatically enters skip mode at light loads with ultra-low 3.5µA quiescent current at no load. The device offers pin-enabled spread-spectrum frequency modulation designed to minimize EMI-radiated emissions due to the modulation frequency.The MAX25232 variants are available in a small (3mm x 3mm), 12-pin, side-wettable TDFN package with an exposed pad, and require very few external components.ApplicationsAutomotiveHigh-Voltage DC-DC ConvertersIndustrial |
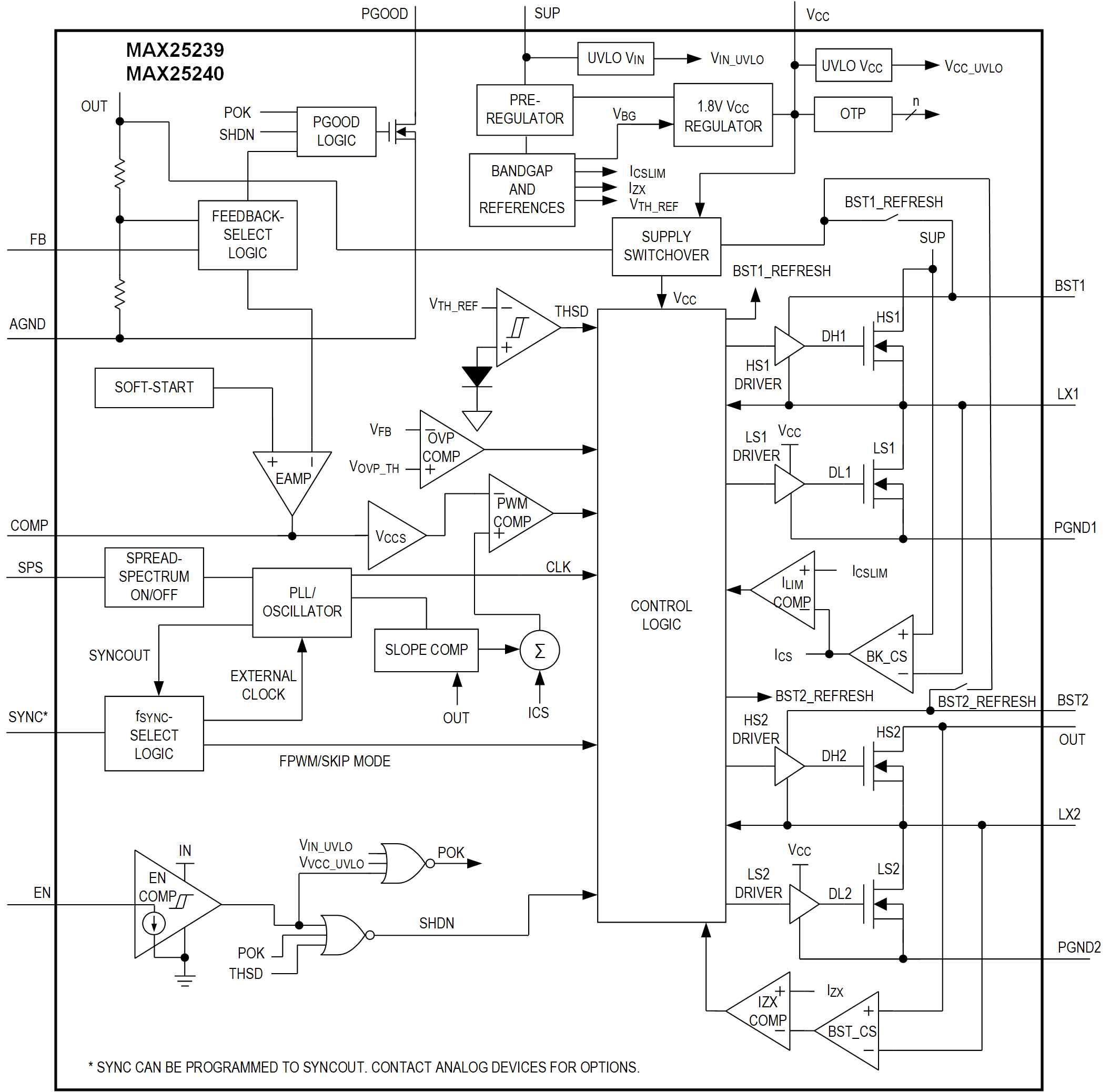
MAX25239Automotive 2V to 36V, 6A Buck-Boost Converters | Power Management (PMIC) | 6 | Active | The MAX25239/MAX25240are small, synchronous, buck-boost converters with integrated H-bridge switches. These ICs provide a fixed-output regulation voltage and an externally adjustable output voltage in the 3V to 20V range with an input voltage above, below, or equal to the output regulation voltage. The ICs have typical 8.2A and 10A input current limit options and can support continuous load currents up to 6A depending on the input-to-output voltage ratio and operating frequency. It also has a wide input voltage range of 2V to 36V.The MAX25239/MAX25240 have three switching frequency options: 2.1MHz, 400kHz, and 200kHz. The 2.1MHz high switching frequency allows small external components and reduced output ripple, and guarantees no AM band interference, while the 400kHz or 200kHz switching frequency offers better efficiency and relieves the power consumption concern. The SYNC input allows three operation modes: skip mode with ultra-low quiescent current, forced fixed-frequency PWM operation, and synchronization to an external clock. The IC also includes spread-spectrum frequency modulation to minimize EMI interference.The MAX25239/MAX25240 feature a power-OK (POK) indicator, undervoltage lockout, overvoltage protection, cycle-by-cycle current limit, and thermal shutdown. The ICs are available in a small, 4.25mm x 4.25mm x 0.75mm, 22-pin FC2QFN and 5.00mm x 5.00mm x 0.75mm, 18-pin FCQFN packages.ApplicationsADAS ECUBody ElectronicsInfotainment SystemsPoint-of-Load Power SuppliesStart-Stop Systems |
MAX25240Automotive 2V to 36V, 6A Buck-Boost Converters | Evaluation Boards | 9 | Active | TheMAX25239/MAX25240 are small, synchronous, buck-boost converters with integrated H-bridge switches. These ICs provide a fixed-output regulation voltage and an externally adjustable output voltage in the 3V to 20V range with an input voltage above, below, or equal to the output regulation voltage. The ICs have typical 8.2A and 10A input current limit options and can support continuous load currents up to 6A depending on the input-to-output voltage ratio and operating frequency. It also has a wide input voltage range of 2V to 36V.The MAX25239/MAX25240 have three switching frequency options: 2.1MHz, 400kHz, and 200kHz. The 2.1MHz high switching frequency allows small external components and reduced output ripple, and guarantees no AM band interference, while the 400kHz or 200kHz switching frequency offers better efficiency and relieves the power consumption concern. The SYNC input allows three operation modes: skip mode with ultra-low quiescent current, forced fixed-frequency PWM operation, and synchronization to an external clock. The IC also includes spread-spectrum frequency modulation to minimize EMI interference.The MAX25239/MAX25240 feature a power-OK (POK) indicator, undervoltage lockout, overvoltage protection, cycle-by-cycle current limit, and thermal shutdown. The ICs are available in a small, 4.25mm x 4.25mm x 0.75mm, 22-pin FC2QFN and 5.00mm x 5.00mm x 0.75mm, 18-pin FCQFN packages.ApplicationsADAS ECUBody ElectronicsInfotainment SystemsPoint-of-Load Power SuppliesStart-Stop Systems |
| DC/DC & AC/DC (Off-Line) SMPS Evaluation Boards | 28 | Active | ||
MAX25249BFour-Output Mini PMICs for Camera Applications | Voltage Regulators - Linear + Switching | 14 | Active | The MAX25249/MAX25249B are high-efficiency, four-output PMICs that integrate three DC-DC converters and a high-PSRR LDO, with OV/UV monitoring on all outputs. OUT1 is a 1A high-voltage synchronous step-down converter operating from power over coax or car battery. OUT2 and OUT3 low-voltage synchronous step-down converters operate from OUT1 and provide a 0.8V to 3.9875V output voltage range. OUT2 can deliver 1.2A for high-megapixel cameras and high-speed serializers. OUT3 can deliver 1.2A to power the secondary rails of the imager, serializer, and MCU. OUT4 is a low-voltage, low-noise, high-PSRR LDO for imager power. All buck converters achieve ±1.5% output voltage accuracy over load, line, and temperature range. Overvoltage and undervoltage faults are monitored with ±1.3% accuracy around the set voltage, and errors are communicated through active-low RESET.The devices feature a 2.2MHz fixed-frequency PWM mode for better noise immunity and load-transient response. The high-frequency operation allows for the use of all ceramic capacitors and minimizes external components. The programmable spread-spectrum frequency modulation minimizes radiated electromagnetic emissions. Integrated low-RDS(ON)switches improve efficiency at heavy loads and make layout simpler than discrete solutions.Sequencing through the use of EN23 and EN4 pins and factory-settable output voltages increases flexibility for different image sensors and configurations. Other features include soft-start, overcurrent, and overtemperature protections. The MAX25249/MAX25249B are compliant with ASIL B ratings and are specified for operation over the -40°C to +125°C automotive temperature range.ApplicationsFront/Rear/Surround View Camera |
| Voltage Regulators - Linear + Switching | 6 | Active | ||