A
Analog Devices Inc./Maxim Integrated
| Series | Category | # Parts | Status | Description |
|---|---|---|---|---|
| Part | Spec A | Spec B | Spec C | Spec D | Description |
|---|---|---|---|---|---|
| Series | Category | # Parts | Status | Description |
|---|---|---|---|---|
| Part | Spec A | Spec B | Spec C | Spec D | Description |
|---|---|---|---|---|---|
| Part | Category | Description |
|---|---|---|
Analog Devices Inc./Maxim Integrated LTC1879EGN#TRUnknown | Integrated Circuits (ICs) | IC REG BUCK ADJ 1.2A 16SSOP |
Analog Devices Inc./Maxim Integrated LTC2208CUP#TRUnknown | Integrated Circuits (ICs) | IC ADC 16BIT 130MSPS 64-QFN |
Analog Devices Inc./Maxim Integrated ADP2108ACBZ-1.1-R7Obsolete | Integrated Circuits (ICs) | IC REG BUCK 1.1V 600MA 5WLCSP |
Analog Devices Inc./Maxim Integrated EV1HMC832ALP6GObsolete | Development Boards Kits Programmers | EVAL BOARD FOR HMC832ALP6GE |
Analog Devices Inc./Maxim Integrated LTC488ISWUnknown | Integrated Circuits (ICs) | IC LINE RCVR RS485 QUAD 16-SOIC |
Analog Devices Inc./Maxim Integrated LTC6946IUFD-2Obsolete | Integrated Circuits (ICs) | IC CLK/FREQ SYNTH 28QFN |
Analog Devices Inc./Maxim Integrated MAX5556ESA+TObsolete | Integrated Circuits (ICs) | IC DAC/AUDIO 16BIT 50K 8SOIC |
Analog Devices Inc./Maxim Integrated EVAL-FLTR-LD-1RZUnknown | Unclassified | EVAL BRD FOR AD800 SERIES |
Analog Devices Inc./Maxim Integrated | Development Boards Kits Programmers | BOARD EVAL FOR AD9963 |
Analog Devices Inc./Maxim Integrated LTC1296CCSW#TRUnknown | Integrated Circuits (ICs) | IC DATA ACQ SYS 12BIT 5V 20SOIC |
| Series | Category | # Parts | Status | Description |
|---|---|---|---|---|
| Power Management - Specialized | 1 | Active | ||
| Power Management (PMIC) | 3 | Active | ||
MAX16515V/3.3V or Adjustable, High-Efficiency, Low-Dropout, Step-Down DC-DC Controller | Voltage Regulators - DC DC Switching Controllers | 10 | Active | The MAX1649/MAX1651 BiCMOS, step-down, DC-DC switching controllers provide high efficiency over loads ranging from 1mA to more than 2.5A. A unique, current-limited pulse-frequency-modulated (PFM) control scheme gives these devices the benefits of pulse-width-modulation (PWM) converters (high efficiency at heavy loads), while using only 100µA of supply current (vs. 2mA to 10mA for PWM converters). Dropout performance down to 300mV is provided by a high switch duty cycle (96.5%) and a low current-sense threshold (110mV).A high switching frequency (up to 300kHz) allows these devices to use miniature external components.The MAX1649/MAX1651 have dropout voltages less than 0.3V at 500mA and accept input voltages up to 16V. Output voltages are preset at 5V (MAX1649), or 3.3V (MAX1651). They can also be adjusted to any voltage from 1.5V to the input voltage by using two resistors.These step-down controllers drive external P-channel MOSFETs at loads greater than 12.5W. If less power is required, use the MAX639/MAX640/MAX653 step-down converters with on-chip FETs, which allow up to a 225mA load current.Applications5V to 3.3V Green PC ApplicationsBattery-Powered ApplicationsHigh-Efficiency Step-Down RegulationPDAs |
| DC DC Switching Controllers | 1 | Active | ||
| DC DC Switching Controllers | 3 | Obsolete | ||
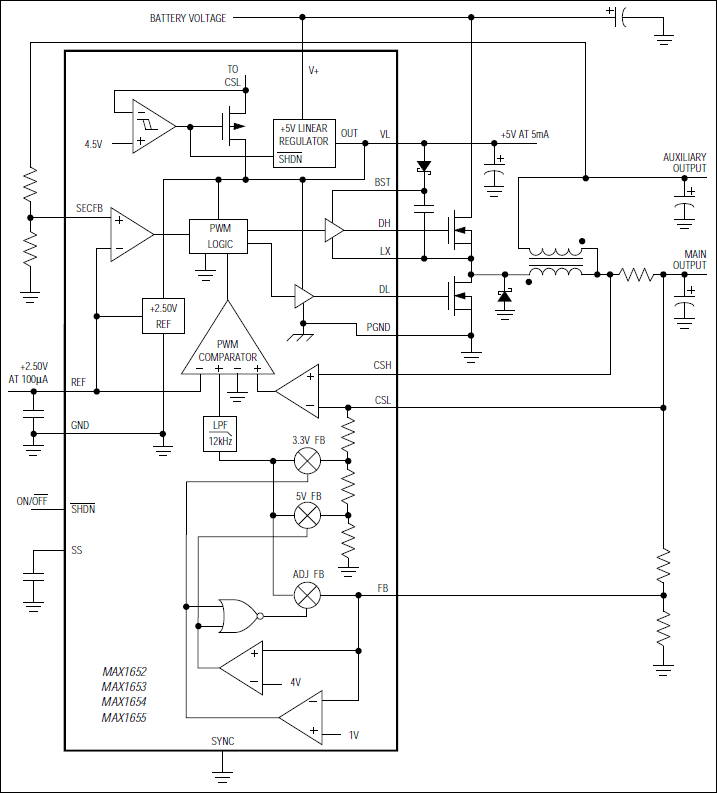
MAX1653High-Efficiency, PWM, Step-Down DC-DC Controllers in 16-Pin QSOP | Voltage Regulators - DC DC Switching Controllers | 8 | Active | The MAX1652-MAX1655 are high-efficiency, pulse-width-modulated (PWM), step-down DC-DC controllers in small QSOP packages. The MAX1653/MAX1655 also come in 16-pin narrow SO packages that are pin-compatible upgrades to the popular MAX797. Improvements include higher duty-cycle operation for better dropout, lower quiescent supply currents for better light-load efficiency, and an output voltage down to 1V (MAX1655).The MAX1652-MAX1655 achieve up to 96% efficiency and deliver up to 10A using a unique Idle Mode™ synchronous-rectified PWM control scheme. These devices automatically switch between PWM operation at heavy loads and pulse-frequency-modulated (PFM) operation at light loads to optimize efficiency over the entire output current range. The MAX1653/MAX1655 also feature logic-controlled, forced PWM operation for noise-sensitive applications.All devices operate with a selectable 150kHz/300kHz switching frequency, which can also be synchronized to an external clock signal. Both external power switches are inexpensive N-channel MOSFETs, which provide low resistance while saving space and reducing cost.The MAX1652 and MAX1654 have an additional feedback pin that permits regulation of a low-cost second output tapped from a transformer winding. The MAX1652 provides an additional positive output. The MAX1654 provides an additional negative output.The MAX1652-MAX1655 have a 4.5V to 30V input voltage range. The MAX1652/MAX1653/MAX1654's output range is 2.5V to 5.5V while the MAX1655's output range extends down to 1V. An evaluation kit (MAX1653EVKit) is available to speed designs.ApplicationsCell PhonesDistributed PowerHandheld ComputersHandy TerminalsMobile CommunicationsNotebook ComputersPDAs |
| DC DC Switching Controllers | 3 | Active | ||
| Specialized ICs | 2 | Active | ||
MAX16545Integrated Protection IC on 12V Bus with an Integrated MOSFET, Lossless Current Sensing, and PMBus Interface | Evaluation Boards | 5 | Active | The MAX16545B/C is a circuit-breaker protection IC with an integrated low-resistance MOSFET and lossless current-sense circuitry featuring PMBus™ /SMBus control and reporting. The IC is designed to provide the optimum solution for distribution, control, monitoring and protection of the system’s 12V power supply. An internal LDO provides the bias supply voltage for the protection IC.If no fault is detected, the MAX16545B/C initiates the startup. The device has been designed to provide controlled, monotonic startup. Programmable soft-start ramp and delay is implemented to limit the inrush current during startup. The MAX16545B is set for 16A Startup OCP, and the MAX16545C is set for 24A Startup OCP.The IC monitors the current and the voltage of the 12V system power rail and provides multiple levels of protection with fast turn off if a fault is detected. Three methods of overcurrent protection are provided. Programmable moderate OCP level allows surge currents for a limited time. User-selectable severe OCP level provides a fast disconnect if a current exceeding the severe OCP threshold is detected. An additional fixed high shutdown OCP level provides instantaneous disconnect to further protect the device.The lossless current sense provides high-accuracy current sensing over load and temperature, improving overall system energy efficiency, and reducing dissipation. A signal proportional to the load current is reported through an analog output and extensive reporting is provided through the SMBus/PMBus.Output voltage is monitored at all times. If at any time the output voltage falls below the programmable output undervoltage lockout threshold, the PWRGD signal is asserted low. If at any time the input voltage falls below the programmable input undervoltage lockout threshold, the PWRGD signal is asserted low. The MAX16545B/C can be programmed through PMBus to provide input overvoltage protection. Input overvoltage protection is disabled by default. When enabled through PMBus, if the input voltage exceeds a programmable overvoltage threshold, the MOSFET is latched off and a fault is communicated.The IC is used to distribute and control power to a system from the +12V power supply.ApplicationsIntegrated Protection IC on 12V: Circuit Breaker, Hot Swap, Inrush ControlServers, Networking, Storage, Communication Equipment and AC/DC Power Supplies |
| Power Management (PMIC) | 5 | Active | ||