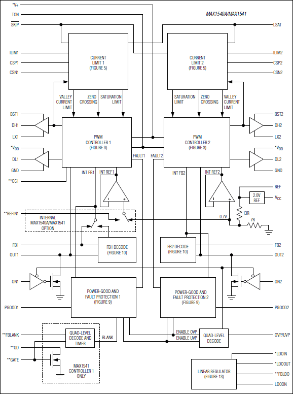
MAX1540Dual Step-Down Controllers with Saturation Protection, Dynamic Output, and Linear Regulator | DC DC Switching Controllers | 3 | Active | The MAX1540A/MAX1541 dual pulse-width modulation (PWM) controllers provide the high efficiency, excellent transient response, and high DC-output accuracy necessary for stepping down high-voltage batteries to generate low-voltage chipset and RAM power supplies in notebook computers.The Maxim proprietary Quick-PWM™ controllers are free running, constant on-time with input feed forward. This configuration provides ultra-fast transient response, wide input-output (I/O) differential range, low supply current, and tight load-regulation characteristics. The controllers can accurately sense the inductor current across an external current-sense resistor in series with the output to ensure reliable overload and inductor saturation protection. Alternatively, the controllers can use the synchronous rectifier itself or lossless inductor current-sensing methods to provide overload protection with lower power dissipation.For a single step-down PWM controller with inductor-saturation protection, external-reference input voltage, and dynamically selectable output voltages, refer to the MAX1992/MAX1993 data sheet.Applications0.7V to 5.5V Supply RailsActive Termination Buses (MAX1541)Core/IO Supplies as Low as 0.7VCPU/Chipset/GPU with Dynamic Voltage CoresDDR Memory Termination (MAX1541)Notebook ComputersSupplies (MAX1541) |
MAX1540ADual Step-Down Controllers with Saturation Protection, Dynamic Output, and Linear Regulator | Power Management (PMIC) | 1 | Active | The MAX1540A/MAX1541 dual pulse-width modulation (PWM) controllers provide the high efficiency, excellent transient response, and high DC-output accuracy necessary for stepping down high-voltage batteries to generate low-voltage chipset and RAM power supplies in notebook computers.The Maxim proprietary Quick-PWM™ controllers are free running, constant on-time with input feed forward. This configuration provides ultra-fast transient response, wide input-output (I/O) differential range, low supply current, and tight load-regulation characteristics. The controllers can accurately sense the inductor current across an external current-sense resistor in series with the output to ensure reliable overload and inductor saturation protection. Alternatively, the controllers can use the synchronous rectifier itself or lossless inductor current-sensing methods to provide overload protection with lower power dissipation.For a single step-down PWM controller with inductor-saturation protection, external-reference input voltage, and dynamically selectable output voltages, refer to the MAX1992/MAX1993 data sheet.Applications0.7V to 5.5V Supply RailsActive Termination Buses (MAX1541)Core/IO Supplies as Low as 0.7VCPU/Chipset/GPU with Dynamic Voltage CoresDDR Memory Termination (MAX1541)Notebook ComputersSupplies (MAX1541) |
MAX1541Dual Step-Down Controllers with Saturation Protection, Dynamic Output, and Linear Regulator | Integrated Circuits (ICs) | 2 | Active | The MAX1540A/MAX1541 dual pulse-width modulation (PWM) controllers provide the high efficiency, excellent transient response, and high DC-output accuracy necessary for stepping down high-voltage batteries to generate low-voltage chipset and RAM power supplies in notebook computers.The Maxim proprietary Quick-PWM™ controllers are free running, constant on-time with input feed forward. This configuration provides ultra-fast transient response, wide input-output (I/O) differential range, low supply current, and tight load-regulation characteristics. The controllers can accurately sense the inductor current across an external current-sense resistor in series with the output to ensure reliable overload and inductor saturation protection. Alternatively, the controllers can use the synchronous rectifier itself or lossless inductor current-sensing methods to provide overload protection with lower power dissipation.For a single step-down PWM controller with inductor-saturation protection, external-reference input voltage, and dynamically selectable output voltages, refer to the MAX1992/MAX1993 data sheet.Applications0.7V to 5.5V Supply RailsActive Termination Buses (MAX1541)Core/IO Supplies as Low as 0.7VCPU/Chipset/GPU with Dynamic Voltage CoresDDR Memory Termination (MAX1541)Notebook ComputersSupplies (MAX1541) |
| Special Purpose Regulators | 2 | Active | |
| Integrated Circuits (ICs) | 3 | Active | |
| Power Management (PMIC) | 3 | Active | |
| Special Purpose Regulators | 2 | Obsolete | |
| Integrated Circuits (ICs) | 3 | Active | |
| DC DC Switching Controllers | 1 | Obsolete | |
| Power Management (PMIC) | 7 | Active | |