LTC3874PolyPhase Step-Down Synchronous Slave Controller with Sub-Milliohm DCR Sensing | PMIC | 6 | Active | The LTC3874-1 is a dual PolyPhase®current mode synchronous step-down slave controller. It enables high current, multiphase applications when paired with a companion master controller by extending the phase count. Compatible master controllers include the LTC3884-1, LTC3774, LTC3875, LTC3877 and LTC3866. The LTC3874-1 employs a unique architecture that enhances the signal-to-noise ratio of the current sense signal, allowing the use of submilliohm DC resistance power inductors to maximize efficiency while reducing switching jitter. Its peak current mode architecture allows for accurate phase-to-phase current sharing even for dynamic loads.Effectively working with a master controller, the LTC3874-1 supports all the programmable features as well as fault protection.ApplicationsHigh Current Distributed Power SystemsTelecom, Datacom and Storage SystemsIntelligent Energy Efficient Power Regulation |
LTC3874-1PolyPhase Step-Down Synchronous Slave Controller with Sub-Milliohm DCR Sensing | Power Management (PMIC) | 2 | Active | The LTC3874-1 is a dual PolyPhase®current mode synchronous step-down slave controller. It enables high current, multiphase applications when paired with a companion master controller by extending the phase count. Compatible master controllers include the LTC3884-1, LTC3774, LTC3875, LTC3877 and LTC3866. The LTC3874-1 employs a unique architecture that enhances the signal-to-noise ratio of the current sense signal, allowing the use of submilliohm DC resistance power inductors to maximize efficiency while reducing switching jitter. Its peak current mode architecture allows for accurate phase-to-phase current sharing even for dynamic loads.Effectively working with a master controller, the LTC3874-1 supports all the programmable features as well as fault protection.ApplicationsHigh Current Distributed Power SystemsTelecom, Datacom and Storage SystemsIntelligent Energy Efficient Power Regulation |
| PMIC | 12 | Active | |
| Voltage Regulators - Special Purpose | 10 | Active | |
| PMIC | 6 | Active | |
| Integrated Circuits (ICs) | 4 | Active | |
| Voltage Regulators - DC DC Switching Controllers | 8 | Active | |
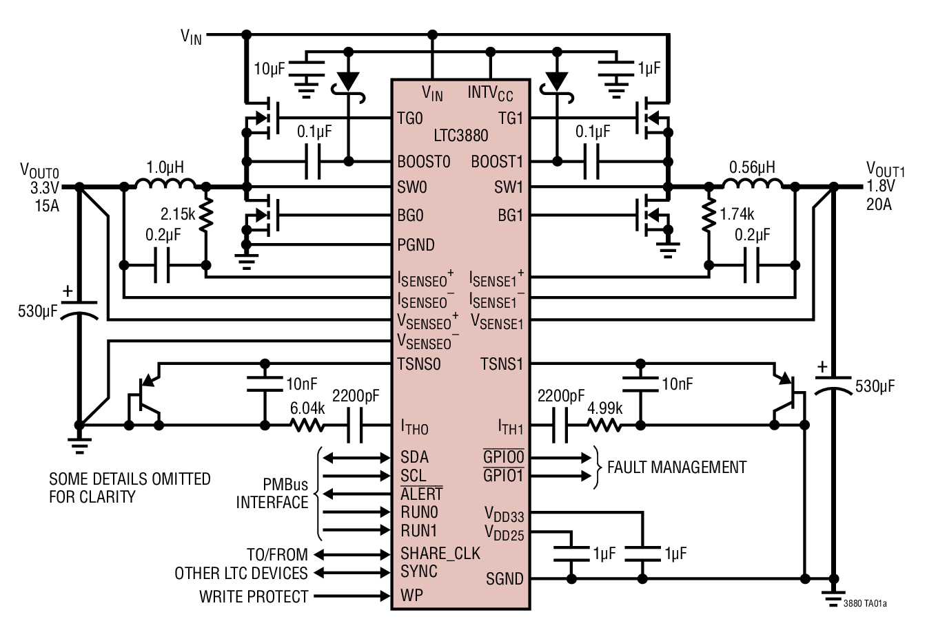
LTC3880Dual Output PolyPhase Step-Down DC/DC Controller with Digital Power System Management | Evaluation Boards | 9 | Active | The LTC3880/LTC3880-1 are dual, PolyPhase DC/DC synchronous step-down switching regulator controllers with an I2C-based PMBus compliant serial interface. The controllers use a constant frequency, current mode architecture that is supported by LTpowerPlay™software development tool with graphical user interface (GUI).Switching frequency, output voltage, and device address can be programmed using external configuration resistors. Parameters can be set via the digital interface or stored in EEPROM. Voltage, current, internal/external temperature and fault status can be read back through the bus interface. The LTC3880 incorporates a 5V linear regulator while the LTC3880-1 uses an external 5V supply for minimum power loss. See comparison to LTC3887 below.VOUTStart-Up TimeMax VOUT0/1Fast ADC Mode for 1 ParameterLTC3887/LTC3887-135ms5.5V/5.5VNoLTC3880/LTC3880-1120ms4V/5.4VNoApplicationsHigh Current Distributed Power SystemsTelecom, Datacom and Storage SystemsIntelligent Energy Efficient Power Regulation |
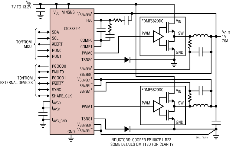
LTC3882Dual Output PolyPhase Step-Down DC/DC Voltage Mode Controller with Digital Power System Management | PMIC | 5 | Active | The LTC3882 is a dual, PolyPhase DC/DC synchronous step-down switching regulator controller with PMBus compliant serial interface. It uses a constant frequency, leading-edge modulation, voltage mode architecture for excellent transient response and output regulation. Each PWM channel can produce output voltages from 0.5V to 5.25V using a wide range of 3.3V compatible power stages, including power blocks, DrMOS or discrete FET drivers. Up to four LTC3882s can operate in parallel for 2-, 3-, 4-, 6- or 8-phase operation.LTC3882 system configuration and monitoring is supported by the LTpowerPlay®software tool. The device’s serial interface can be used to read back input voltage, output voltage and current, temperature and fault status. A wide range of operating parameters can be set via the digital interface or stored in internal EEPROM for use at power up. Switching frequency and phase, output voltage and device address can also be programmed using external configuration resistors.PWM Enable OutputTG/BG ControlHW Write ProtectDedicated PGOODDifferential VoutSenseLTC3882YesYesYesNoVOUT0OnlyLTC3882-1NoNoNoYesVOUT0& VOUT1ApplicationsHigh Current Distributed Power SystemsServers, Network and Storage EquipmentIntelligent Energy Efficient Power RegulationIndustrial/Telecom/ATE Systems |
| Voltage Regulators - DC DC Switching Controllers | 4 | Active | |