Zenode.ai Logo
Beta

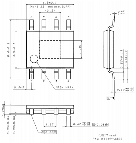
BD9G201UEFJ-LB Series

1ch Buck Converter

Manufacturer: Rohm Semiconductor

Catalog

1ch Buck Converter

Key Features

Long Time Support Product for Industrial Applications, Integrated Nch MOSFET, Synchronizes to external clock 250kHz to 500kHz, ON/OFF Control through EN Terminal(Standby current of 0μA), Small package(HTSOP-J8ES), LowDrop Out operation

Description

AI
BD9G201UEFJ-LB is a buck converter with built-in high side MOSFET. It has an input voltage range of 4.5V to 42V. Current mode architecture provides fast transient response and a simple phase compensation setup. The IC is mainly used as a secondary side power supply: for example, a step-down output of 3.3V/5V can be produced from voltage power supply such as 12V or 24V. In addition, it has a synchronization function with an external CLK that provides noise management.This IC uses different production line against series model BD9G201EFJ-LB for the purpose of improving production efficiency. We recommend using this IC for your new development. Electric characteristics noted in Datasheet does not differ between Production Line. In addition, the data of BD9G201EFJ-LB is disclosed for documents and design models unless otherwise specified.