Zenode.ai Logo
Beta

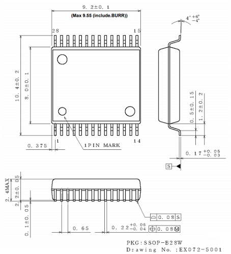
BM60055FV-C Series

1ch Gate Driver Providing Galvanic Isolation 2500Vrms Isolation Voltage

Manufacturer: Rohm Semiconductor

Catalog

1ch Gate Driver Providing Galvanic Isolation 2500Vrms Isolation Voltage

Key Features

Fault Signal Output Function, Under Voltage Lockout Function, Short Circuit Protection Function, Over Current Protection Function, Over Temperature Protection, Temperature Compensation of OC, Soft Turn Off Function of SCP, 2 Level Turn Off Function, Active Miller Clamping, Switching Controller, Output State Feedback Function, AEC-Q100 Qualified

Description

AI
The BM60055FV-C is a gate driver with an isolation voltage of 2500Vrms, I/O delay time of 250ns, minimum input pulse width of 170ns. It incorporates the fault signal output function (FLT_UVLO, FLT_SC, FLT_OT), under voltage lockout (UVLO) function, short circuit protection (SCP) function, over temperature protection (OT) function, over current protection (OC) function, Soft turn off function, 2 level turn off function, active miller clamping function, switching controller function and output state feedback function.For sale of this product, please contact the specifications in our sales office. Currently, we don't sell this on the internet distributors now.