S
STMicroelectronics
| Series | Category | # Parts | Status | Description |
|---|---|---|---|---|
| Part | Spec A | Spec B | Spec C | Spec D | Description |
|---|---|---|---|---|---|
| Series | Category | # Parts | Status | Description |
|---|---|---|---|---|
| Part | Spec A | Spec B | Spec C | Spec D | Description |
|---|---|---|---|---|---|
| Part | Category | Description |
|---|---|---|
STMicroelectronics STEVAL-ISA068V1Obsolete | Development Boards Kits Programmers | EVAL BOARD FOR ST1S32 |
STMicroelectronics 74VCXHQ163245TTRObsolete | Integrated Circuits (ICs) | IC TRANSLATION TXRX 2.7V 48TSSOP |
STMicroelectronics | Development Boards Kits Programmers | VNQ9050LAJ EVALUATION BOARD |
STMicroelectronics LSM303DLHCTRObsolete | Sensors Transducers | IMU ACCEL/MAG 3-AXIS I2C 14LGA |
STMicroelectronics M93C56-WMN6TObsolete | Integrated Circuits (ICs) | EEPROM SERIAL-MICROWIRE 2K-BIT 256 X 8/128 X 16 3.3V/5V 8-PIN SO N T/R |
STMicroelectronics | Integrated Circuits (ICs) | STM32U |
STMicroelectronics TS831-3IZObsolete | Integrated Circuits (ICs) | IC SUPERVISOR 1 CHANNEL TO92-3 |
STMicroelectronics STMPE1208SQTRObsolete | Integrated Circuits (ICs) | IC I/O EXPANDER I2C 12B 40QFN |
STMicroelectronics STM32L1-MAGNETObsolete | Development Boards Kits Programmers | IAR EXPERIMENT STM32 L1 EVAL BRD |
STMicroelectronics VNB35N07Obsolete | Integrated Circuits (ICs) | IC PWR DRIVER N-CHAN 1:1 D2PAK |
| Series | Category | # Parts | Status | Description |
|---|---|---|---|---|
| PMIC | 2 | Active | ||
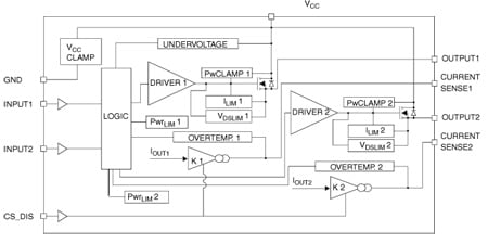
VND5160AJ-EDouble channel high side driver with analog current sense for automotive applications | Integrated Circuits (ICs) | 1 | Active | The VND5160AJ-E is a monolithic device made using STMicroelectronics VIPower technology. It is intended for driving resistive or inductive loads with one side connected to ground. Active VCCpin voltage clamp protects the device against low energy spikes (see ISO7637 transient compatibility table). This device integrates an analog current sense which delivers a current proportional to the load current (according to a known ratio) when CS_DIS is driven low or left open. When CS_DIS is driven high, the CURRENT SENSE pin is in a high impedance condition. Output current limitation protects the device in overload condition. In case of long overload duration, the device limits the dissipated power to safe level up to thermal shut-down intervention. Thermal shut-down with automatic restart allows the device to recover normal operation as soon as fault condition disappears. |
VND5160J-EDouble channel high side driver for automotive applications | Power Distribution Switches, Load Drivers | 1 | Active | The VND5160J-E is a monolithic device made using STMicroelectronics VIPower M0-5 technology. It is intended for driving resistive or inductive loads with one side connected to ground. Active VCCpin voltage clamp protects the device against low energy spikes (see ISO7637 transient compatibility table).
The device detects open load condition in both ON and OFF states, when STAT_DIS is left open or driven low. Output shorted to VCCis detected in the OFF state.
When STAT_DIS is driven high, the STATUS pin is in a high impedance condition.
Output current limitation protects the device in overload condition. In case of long duration overload, the device limits the dissipated power to safe level up to thermal shut-down intervention. . Thermal shut-down with automatic restart allows the device to recover normal operation as soon as fault condition disappears. |
| Power Distribution Switches, Load Drivers | 1 | Unknown | ||
VND5E004A-EDouble 4 mOhm high-side driver with analog current sense | Power Management (PMIC) | 1 | Active | The VND5E004A-E and VND5E004ASP30-E are double channel high-side drivers manufactured using ST proprietary VIPower®M0-5 technology and housed in PQFN-12x12 power lead-less and MultiPowerSO-30 packages. The devices are designed to drive 12 V automotive grounded loads, and to provide protection and diagnostics. They also implement a 3 V and 5 V CMOS-compatible interface for use with any microcontroller.
The devices integrate advanced protective functions such as load current limitation, inrush and overload active management by power limitation, overtemperature shut-off with auto-restart and overvoltage active clamp. A dedicated analog current sense pin is associated with every output channel providing enhanced diagnostic functions including fast detection of overload and short-circuit to ground through power limitation indication, overtemperature indication, short-circuit to VCCdiagnosis and on-state and off-state open-load detection. The current sensing and diagnostic feedback of the whole device can be disabled by pulling the DE pin low to share the external sense resistor with similar devices. |
VND5E006ASP-EDouble channel high-side driver with analog current sense for automotive applications | Integrated Circuits (ICs) | 1 | Active | The VND5E006ASP-E is a double channel high-side driver manufactured using ST proprietary VIPower™ M0-5 technology and housed in PowerSO-16 package. The device is designed to drive 12 V automotive grounded loads, and to provide protection and diagnostics. They also implement a 3 V and 5 V CMOS compatible interface for the use with any microcontroller.
The device integrates advanced protective functions such as load current limitation, inrush and overload active management by power limitation, overtemperature shut-off with auto restart and overvoltage active clamp. A dedicated analog current sense pin is associated with every output channel providing enhanced diagnostic functions including fast detection of overload and short-circuit to ground through power limitation indication, overtemperature indication, short-circuit to VCCdiagnosis and on-state and off-state open-load detection. The current sensing and diagnostic feedback of the whole device can be disabled by pulling the CS_DIS pin high to share the external sense resistor with similar devices. |
| Integrated Circuits (ICs) | 1 | Active | ||
VND5E012Double channel high-side driver with analog current sense for automotive applications | Integrated Circuits (ICs) | 3 | Active | The VND5E012MY-E is a double channel high-side driver manufactured in the STMicroelectronics®VIPower®M0-5 technology and housed in the tiny PowerSSO-36 package. The VND5E012MY-E is designed to drive 12 V automotive grounded loads delivering protection, diagnostics and easy 3 V and 5 V CMOS compatible interface with any microcontroller.
The device integrates advanced protective functions such as load current limitation, inrush and overload active management by power limitation, overtemperature shut-off with auto restart and over-voltage active clamp. A dedicated analog current sense pin is associated with every output channel in order to provide Enhanced diagnostic functions including fast detection of overload and short-circuit to ground through power limitation indication and overtemperature indication.
The current sensing and diagnostic feedback of the whole device can be disabled by pulling the CS_DIS pin high to allow sharing of the external sense resistor with other similar devices. |
| Power Distribution Switches, Load Drivers | 3 | Active | ||
VND5E025AK-EDouble channel high-side driver with analog current sense for automotive applications | Integrated Circuits (ICs) | 1 | Active | The VND5E025AK-E is a double channel high-side driver manufactured in the ST proprietary VIPower M0-5 technology and housed in the tiny PowerSSO-24 package. The VND5E025AK-E is designed to drive 12 V automotive grounded loads delivering protection, diagnostics and an easy 3 V and 5 V CMOS compatible interface with any microcontroller.
The device integrates advanced protective functions such as load current limitation, inrush and overload active management by power limitation, overtemperature shut-off with auto restart and overvoltage active clamp. A dedicated analog current sense pin is associated with every output channel in order to provide enhanced diagnostic functions including fast detection of overload and short-circuit to ground through power limitation indication, overtemperature indication, short-circuit to VCCdiagnosis and on-state and off-state open-load detection. The current sensing and diagnostic feedback of the whole device can be disabled by pulling the CS_DIS pin high to allow sharing of the external sense resistor with other similar devices. |