S
STMicroelectronics
| Series | Category | # Parts | Status | Description |
|---|---|---|---|---|
| Part | Spec A | Spec B | Spec C | Spec D | Description |
|---|---|---|---|---|---|
| Series | Category | # Parts | Status | Description |
|---|---|---|---|---|
| Part | Spec A | Spec B | Spec C | Spec D | Description |
|---|---|---|---|---|---|
| Part | Category | Description |
|---|---|---|
STMicroelectronics STEVAL-ISA068V1Obsolete | Development Boards Kits Programmers | EVAL BOARD FOR ST1S32 |
STMicroelectronics 74VCXHQ163245TTRObsolete | Integrated Circuits (ICs) | IC TRANSLATION TXRX 2.7V 48TSSOP |
STMicroelectronics | Development Boards Kits Programmers | VNQ9050LAJ EVALUATION BOARD |
STMicroelectronics LSM303DLHCTRObsolete | Sensors Transducers | IMU ACCEL/MAG 3-AXIS I2C 14LGA |
STMicroelectronics M93C56-WMN6TObsolete | Integrated Circuits (ICs) | EEPROM SERIAL-MICROWIRE 2K-BIT 256 X 8/128 X 16 3.3V/5V 8-PIN SO N T/R |
STMicroelectronics | Integrated Circuits (ICs) | STM32U |
STMicroelectronics TS831-3IZObsolete | Integrated Circuits (ICs) | IC SUPERVISOR 1 CHANNEL TO92-3 |
STMicroelectronics STMPE1208SQTRObsolete | Integrated Circuits (ICs) | IC I/O EXPANDER I2C 12B 40QFN |
STMicroelectronics STM32L1-MAGNETObsolete | Development Boards Kits Programmers | IAR EXPERIMENT STM32 L1 EVAL BRD |
STMicroelectronics VNB35N07Obsolete | Integrated Circuits (ICs) | IC PWR DRIVER N-CHAN 1:1 D2PAK |
| Series | Category | # Parts | Status | Description |
|---|---|---|---|---|
| Integrated Circuits (ICs) | 1 | Active | ||
| Instrumentation, Op Amps, Buffer Amps | 1 | Active | ||
TS555Low power single CMOS timer | Clock/Timing | 3 | Active | The TS555 is a single CMOS timer with very low consumption:
(Icc(TYP)TS555 = 110 μA at VCC= +5 V versus Icc(TYP)NE555(a)= 3 mA),
and high frequency:
(ff(max.)TS555 = 2.7 MHz versus f(max)NE555(a)= 0.1 MHz).
Timing remains accurate in both monostable and astable mode.
The TS555 provides reduced supply current spikes during output transitions, which enable the use of lower decoupling capacitors compared to those required by bipolar NE555(a).
With the high input impedance (1012Ω), timing capacitors can also be minimized. |
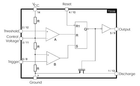
TS556Low power dual CMOS timer | Clock/Timing | 1 | Active | The TS556 is a dual CMOS timer which offers a very low consumption: (Icc(TYP)TS556 = 220 μA at VCC = 5 V versus Icc(TYP)NE556(a)= 6 mA),
and high frequency:(f(max.)TS556 = 2.7 MHz versus f(max.)NE556(a)= 0.1 MHz)
In both monostable and astable modes, timing remains very accurate.
The TS556 provides reduced supply current spikes during output transitions, which enables the use of lower decoupling capacitors compared to those required by bipolar NE556(a).
Due to the high input impedance (1012Ω), timing capacitors can also be minimized. |
| Integrated Circuits (ICs) | 2 | Obsolete | ||
| Instrumentation, Op Amps, Buffer Amps | 2 | Obsolete | ||
| Amplifiers | 1 | Obsolete | ||
TS7211Rail-to-rail micropower BiCMOS comparator | Comparators | 2 | Active | The TS7211 is a micropower comparator featuring rail to rail input performance in a tiny SOT23-5 package. This comparator is ideally suited to space and weight critical applications. It is fully specified at 2.7V, 5V and 10V operations over the industrial temperature range (-40/+85oC).
The TS7211 features a push-pull output stage. The speed to power ratio makes this device ultra versatile for a wide range of applications. |
| Integrated Circuits (ICs) | 3 | Active | ||
| SCRs | 6 | Active | ||