| Motion Sensors | 1 | Obsolete | |
| Motion Sensors | 1 | Obsolete | |
ALED6001Automotive grade PWM-dimmable single channel LED driver with integrated boost controller | Integrated Circuits (ICs) | 1 | Active | The ALED6001 is an automotive-grade (AECQ100 compliant) LED driver that combines a boost controller and high-side current sensing circuitry optimized for driving one string of high-brightness LEDs. The device is compatible with multiple topologies such as boost, SEPIC and floating load buck-boost. PWM dimming of the LED brightness is achieved by means of an external MOSFET in series with the LED string and directly driven by a dedicated pin. The pin that manages the LED current setting, usually connected to an external resistor, can also be used as analog control if a microcontroller is located in the LED module. The high-side current sensing, in combination with a P-channel MOSFET, provides effective protection in case the positive terminal of the LED string is shorted to ground. The high precision current sensing circuitry allows an LED current regulation reference within ± 4% accuracy over the entire temperature range and production spread. A fault output (open-drain) informs the host system of faulty conditions: device overtemperature, output overvoltage (disconnected LED string) and LED overcurrent. |
ALED77076-row 85 mA LEDs driver with boost regulator for LCD panel backlights | Integrated Circuits (ICs) | 1 | Active | The ALED7707 device consists of an automotive grade (AEC Q100 compliant) monolithic boost converter and six controlled current generators (rows) specifically designed to supply LED arrays used in the backlighting of LCD panels. The device can manage an output voltage up to 36 V (i.e.: 10 white LEDs per row).
The generators can be externally programmed to sink up to 85 mA and can be dimmed via a PWM signal (1% dimming duty cycle at 1 kHz can be managed). The device allows to detect and manage the open and shorted LED faults and to let unused rows floating. Basic protections (output overvoltage, internal MOSFET overcurrent and thermal shutdown) are provided. |
ALED8102S8 Channels LED driver with direct switch control | Power Management (PMIC) | 1 | Active | The ALED8102S is a monolithic, low voltage, 8 low-side channels LED driver. The ALED8102S guarantees up to 19 V output driving capability allowing users to connect several LEDs in series. In the output stage, 8 regulated current sources provide from 5 mA to 100 mA constant current to drive the LEDs. Current is programmed through a single external resistor.
The ALED8102S is equipped with a thermal management that protects the device forcing it in shutdown (typically: power-off at 170 °C with 15 °C hysteresis to restart). The thermal protection switches OFF the output channels only.
The operative supply voltage range is between 3 V and 5.5 V. The output control is provided by four switch inputs, providing an on/off toggle action suitable also for local dimming. Moreover, on all active output LEDs brightness can be adjusted with a global PWM signal applied to the output enable pin (OE). Outputs can be connected in parallel, or left unconnected if not used, as required by the application. |
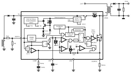
ALTAIR04-900Off-line all-primary-sensing switching regulator | Integrated Circuits (ICs) | 1 | Active | The ALTAIR04-900 is a high voltage all-primary-sensing switcher, operating directly from the rectified mains with minimum external parts. It combines a high-performance low voltage PWM controller chip and a 900 V avalanche-rugged power section in the same package. |
ANT7-T-M24SR6414 mm x 14 mm double layer antenna reference board for the M24SR64 Dual Interface EEPROM | Development Boards, Kits, Programmers | 1 | Active | The ANT7-T-M24SR64 antenna reference board is a ready-to-use PCB featuring an M24SR64-Y dual interface EEPROM connected to a 14 mm x 14 mm, 13.56 MHz etched RF double layer antenna on one side, and to an I2C bus on the other side.
The ANT7-T-M24SR64 demonstration board allows system designers to evaluate the M24SR64-Y performance and capabilities, and to get started with their design.
The ANT7-T-M24SR64 design and the Gerber files can be downloaded from www.st.com. |
| Accessories | 1 | Obsolete | |
| Integrated Circuits (ICs) | 1 | Obsolete | |
| Integrated Circuits (ICs) | 1 | Obsolete | |