| Power Management - Specialized | 2 | Active | |
| Power Management - Specialized | 4 | Active | |
| Power Management - Specialized | 1 | Active | |
| Integrated Circuits (ICs) | 1 | Active | The L9952GXP is a Power Management System IC containing two low drop regulators with advanced contact monitoring and additional peripheral functions.
The integrated standard serial peripheral interface (SPI) controls all L9952GXP operation modes and provides driver diagnostic functions. |
L9953Door Actuator Driver | Integrated Circuits (ICs) | 3 | Active | The L9953 and L9953XP are microcontroller driven multifunctional door actuator driver for automotive applications. Up to three DC motors and three grounded resistive loads can be driven with five half bridges and three highside drivers.
The integrated standard serial peripheral interface (SPI) controls all operation modes (forward, reverse, brake and high impedance). All diagnostic informations are available via SPI. |
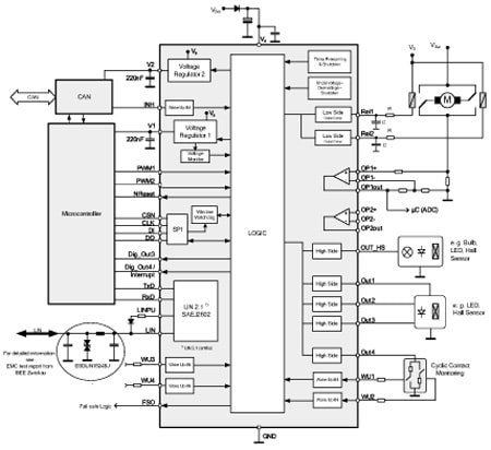
L9954Door Actuator Driver | Integrated Circuits (ICs) | 1 | Active | The L9954 and L9954XP are microcontroller driven multifunctional door actuator driver for automotive applications. Up to two DC motors and three grounded resistive loads can be driven with three half bridges and three highside drivers.
The integrated standard serial peripheral interface (SPI) controls all operation modes (forward, reverse, brake and high impedance). All diagnostic informations are available via SPI. |
| Power Management - Specialized | 1 | Active | |
L9958SPI Controlled H-Bridge | PMIC | 6 | Active | The L9958 is an SPI controlled H-Bridge, designed for the control of DC and stepper motors in safety critical applications and under extreme environmental conditions.
The H-Bridge is protected against over temperature, short circuits and has an undervoltage lockout for all the supply voltages Vsand Vdd, and for overvoltage on Vdd. All malfunctions cause the output stages to go tristate.
Detailed failure diagnostics on each channel is provided via SPI: short circuit to battery, short circuit to ground, short circuit overload, over temperature.
Open-load can be detected in ON condition, for the widest application ranges. Current regulation threshold can be set by SPI from 2.5 A to 8.6 A (Typ.), in 4 steps. Guaranteed accuracy is ±10 % on all temp range, using an external reference resistor with 1% accuracy over all temp range.
Current limitation threshold is linearly reduced by temperature over 165 °C.and a thermal warning bit is set by SPI. The H-Bridge contains integrated free-wheel diodes. In case of free-wheeling condition, the low side transistor is switched on in parallel of its diode to reduce power dissipation.
A multiple wire bonding technique, as well as ST proprietary package design is making L9958 compatible with three power packages, for maximum flexibility:
PowerSO-20 package (medium power, JEDEC standard MO166);PowerSO16 package (medium power, lower cost);PowerSSO24 package (low power, very low cost JEDEC standard MO271A). |
L9959Single / Dual PMOS High-side H-bridge | PMIC | 3 | Active | L9959S/L9959U and L9959T are single and dual integrated H-bridges for resistive and inductive loads featuring output current direction and supervising functions.
The PowerSSO24 houses one full H-Bridge, while the PowerSSO36 houses both two H-Bridges that can work in parallel, through independent input driving commands, and one full H-bridge, by improving PCB footprint design versus different target applications.
Target application ranges from throttle control actuators to exhaust gas recirculation control valves in automotive domain to a more general use to drive DC and Stepper motors. |
L9960Evaluation board L9960 H-bridge | Full Half-Bridge (H Bridge) Drivers | 4 | Active | The EVAL-L9960 and EVAL-L9960T are the simplest solution to evaluate respectively the L9960 and L9960T functionalities providing all the inputs and outputs capabilities necessary to drive DC motors and monitor diagnostic functions.
The driving strategy is enhanced by configurable PWM / DIR pins as IN1/IN2.The H-Bridge contains integrated free-wheel diodes. In case of freewheeling condition, the low side or the high side transistor is switched on in parallel of its diode to reduce power dissipation.
The integrated Serial Peripheral Interface (SPI) allows device parameters adjustment and to control all operating modes and read out diagnostic information.
Detailed failure diagnostics on each channel is provided via SPI: short circuit to battery, short circuit to ground, short circuit overload, over temperature. Open-load can be detected in ON condition, for the widest application ranges.
The EVAL-L9960 and EVAL-L9960T boards are suitable for both beginners and expert users working in standalone mode connected with any control system or combined with all SPC5 Discovery+ boards through a computer graphic interface or through embedded application examples
The board is compatible with both 5V and 3.3V control systems. |