R
Renesas Electronics Corporation
| Series | Category | # Parts | Status | Description |
|---|---|---|---|---|
| Part | Spec A | Spec B | Spec C | Spec D | Description |
|---|---|---|---|---|---|
| Series | Category | # Parts | Status | Description |
|---|---|---|---|---|
| Part | Spec A | Spec B | Spec C | Spec D | Description |
|---|---|---|---|---|---|
| Part | Category | Description |
|---|---|---|
Renesas Electronics Corporation | Integrated Circuits (ICs) | RV1S9356ACCSP-120V#KC0 |
Renesas Electronics Corporation | Crystals Oscillators Resonators | XTAL OSC VCXO 44.7360MHZ HCMOS |
Renesas Electronics Corporation R7F7015693AFD#KA2Obsolete | Integrated Circuits (ICs) | IC MCU |
Renesas Electronics Corporation NE677M04-AObsolete | Discrete Semiconductor Products | RF TRANS NPN 6V 15GHZ SOT343F |
Renesas Electronics Corporation IDT71V416L10YIObsolete | Integrated Circuits (ICs) | IC SRAM 4MBIT PARALLEL 44SOJ |
Renesas Electronics Corporation IDT71V424YS10PHObsolete | Integrated Circuits (ICs) | IC SRAM 4MBIT PARALLEL 44TSOP II |
Renesas Electronics Corporation | Integrated Circuits (ICs) | IC MCU 32BIT 1.5MB FLASH 64TFBGA |
Renesas Electronics Corporation UPG2214TB-AObsolete | RF and Wireless | IC RF SWITCH SPDT 3GHZ 6-SMINI |
Renesas Electronics Corporation R5F212J1SNSP#U0Obsolete | Integrated Circuits (ICs) | IC MCU 16BIT 4KB FLASH 20LSSOP |
Renesas Electronics Corporation | Integrated Circuits (ICs) | MCU RA6 ARM CM33 200MHZ 512K/256 |
| Series | Category | # Parts | Status | Description |
|---|---|---|---|---|
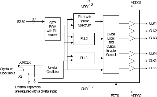
270Triple PLL Field Programmable VCXO Clock | Clock/Timing | 1 | Obsolete | The 270 field programmable VCXO clock synthesizer generates up to eight high-quality, high-frequency clock outputs including multiple reference clocks from a low-frequency crystal input. It is designed to replace crystals and crystal oscillators in most electronic systems. Using IDT's VersaClockTM software to configure PLLs and outputs, the 270 contains a One-Time Programmable (OTP) ROM for field programmability. Programming features include VCXO, eight selectable configuration registers and up to two sets of four low-skew outputs. Using Phase-Locked Loop (PLL) techniques, the device runs from a standard fundamental mode, inexpensive crystal, or clock. It can replace VCXOs, multiple crystals and oscillators, saving board space and cost. The 270 is also available in factory programmed custom versions for high-volume applications. |
271Triple PLL Field Programmable VCXO Clock Synthesizer | Integrated Circuits (ICs) | 2 | Obsolete | The 271 field programmable VCXO clock synthesizer generates up to six high-quality, high-frequency clock outputs including multiple reference clocks from a low-frequency crystal input. It is designed to replace crystals and crystal oscillators in most electronic systems. Using IDT's VersaClockTM software to configure PLLs and outputs, the 271 contains a One-Time Programmable (OTP) ROM for field programmability. Programming features include VCXO, eight selectable configuration registers and up to two sets of three low-skew outputs. Each of the two output groups are powered by a separate VDDO voltage. VDDO may vary from 1.8 V to VDD. Using Phase-Locked Loop (PLL) techniques, the device runs from a standard fundamental mode, inexpensive crystal, or clock. It can replace VCXOs, multiple crystals and oscillators, saving board space and cost. The 271 is also available in factory programmed custom versions for high-volume applications. |
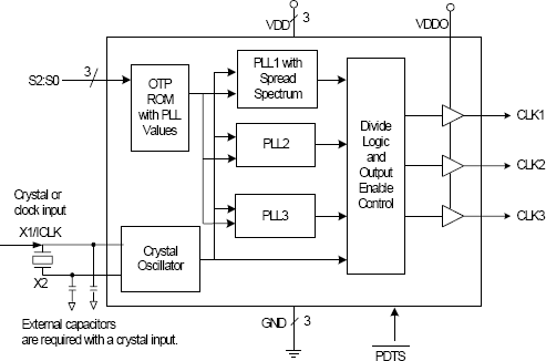
271PGTriple PLL Field Programmable VCXO Clock Synthesizer | Clock/Timing | 2 | Obsolete | The 271 field programmable VCXO clock synthesizer generates up to six high-quality, high-frequency clock outputs including multiple reference clocks from a low-frequency crystal input. It is designed to replace crystals and crystal oscillators in most electronic systems. Using IDT's VersaClockTM software to configure PLLs and outputs, the 271 contains a One-Time Programmable (OTP) ROM for field programmability. Programming features include VCXO, eight selectable configuration registers and up to two sets of three low-skew outputs. Each of the two output groups are powered by a separate VDDO voltage. VDDO may vary from 1.8 V to VDD. Using Phase-Locked Loop (PLL) techniques, the device runs from a standard fundamental mode, inexpensive crystal, or clock. It can replace VCXOs, multiple crystals and oscillators, saving board space and cost. The 271 is also available in factory programmed custom versions for high-volume applications. |
276Triple PLL Field Programmable VCXO Clock Synthesizer | Integrated Circuits (ICs) | 2 | Obsolete | The 276 field programmable VCXO clock synthesizer generates up to three high-quality, high-frequency clock outputs including multiple reference clocks from a low-frequency crystal input. It is designed to replace crystals and crystal oscillators in most electronic systems. Using IDT's VersaClockTM software to configure PLLs and outputs, the 276 contains a One-Time Programmable (OTP) ROM for field programmability. Programming features include VCXO and eight selectable configuration registers. Each of the outputs are powered by a single VDDO voltage. VDDO may vary from 1.8 V to VDD. Using Phase-Locked Loop (PLL) techniques, the device runs from a standard fundamental mode, inexpensive crystal, or clock. It can replace VCXOs, multiple crystals and oscillators, saving board space and cost. The 276 is also available in factory programmed custom versions for high-volume applications. |
278-25-336Resistance Weld SMD Crystal | Crystals, Oscillators, Resonators | 1 | Obsolete | The 278-25-336 resistance weld SMD crystal is for use with Renesas' VCXO-based synchronization PLLs. |
| Clock Generators, PLLs, Frequency Synthesizers | 4 | Active | ||
| Clock/Timing | 3 | Active | ||
290Triple PLL Field Prog. Spread Spectrum Clock Synthesizer | Integrated Circuits (ICs) | 3 | Obsolete | The 290 field programmable spread spectrum clock synthesizer generates up to eight high-quality, high-frequency clock outputs including multiple reference clocks from a low-frequency crystal input. It is designed to replace crystals, crystal oscillators and stand alone spread spectrum devices in most electronic systems. Using IDT's VersaClockTM software to configure PLLs and outputs, the 290 contains a One-Time Programmable (OTP) ROM for field programmability. Programming features include input/output frequencies, spread spectrum amount, eight selectable configuration registers and up to two sets of four low-skew outputs. Using Phase-Locked Loop (PLL) techniques, the device runs from a standard fundamental mode, inexpensive crystal, or clock. It can replace multiple crystals and oscillators, saving board space and cost. The 290 is also available in factory programmed custom versions for high-volume applications. |
291Triple PLL Field Prog. Spread Spectrum Clock Synthesizer | Clock Generators, PLLs, Frequency Synthesizers | 1 | Obsolete | The 291 field programmable spread spectrum clock synthesizer generates up to six high-quality, high-frequency clock outputs including multiple reference clocks from a low-frequency crystal input. It is designed to replace crystals, crystal oscillators and stand alone spread spectrum devices in most electronic systems. Using IDT's VersaClockTM software to configure PLLs and outputs, the 291 contains a One-Time Programmable (OTP) ROM for field programmability. Programming features include input/output frequencies, spread spectrum amount, eight selectable configuration registers and up to two sets of three low-skew outputs. Each of the two output groups are powered by a separate VDDO voltage. VDDO may vary from 1.8 V to VDD. Using Phase-Locked Loop (PLL) techniques, the device runs from a standard fundamental mode, inexpensive crystal, or clock. It can replace multiple crystals and oscillators, saving board space and cost. The 291 is also available in factory programmed custom versions for high-volume applications. |
2SA1008Bipolar Power Transistors | Discrete Semiconductor Products | 1 | Active | A wide variety of products are rolled out, for example, for uses at high temperature (up to 175°C applicable), high power, and low Vce (sat), and others. |