| Integrated Circuits (ICs) | 1 | Obsolete | |
| Integrated Circuits (ICs) | 1 | Obsolete | |
TW68654-in-1 Video Decoders with PCI Express Media Bridge | Linear | 2 | Active | The TW6865 is a highly integrated solution that supports multi-channel video and audio capture via PCIe x1 interface for PC DVR system and video analytic application. It contains high quality four-channel NTSC/PAL/SECAM video decoders that convert analog composite video signal to digital component YCbCr data and utilize adaptive 4H comb filter for separating luminance and chrominance to reduce cross noise artifacts. The TW6865 contains a high performance proprietary DMA controller that fully optimizes the utilization of PCIe x1 bandwidth and enables it to transfer video and audio data at a high throughput rate that closely approaches the theoretical limit of PCIe x1 interface. The TW6865 is able to simultaneously decode and transfer 4 real time D1 video, or up to 16-channel non-real time D1, plus 8-channel audio. The TW6865 decreases the complexity and workload of client-side software development, and significantly reduces the strains on PC hardware and resources. TW6865 also includes a Software Development Kit (SDK) with Windows and Linux compliant drivers and reference application software. |
TW68698-in-1 Video Decoders with PCI Express Media Bridge | Encoders, Decoders, Converters | 2 | Active | The TW6869 is a highly integrated solution that supports multi-channel video and audio capture via PCIe x1 interface for PC DVR system and video analytic application. It contains high quality eight-channel NTSC/PAL/SECAM video decoders that convert analog composite video signal to digital component YCbCr data, and utilize adaptive 4H comb filter for separating luminance and chrominance to reduce cross noise artifacts. TW6869 contains a high performance proprietary DMA controller that fully optimizes the utilization of PCIe x1 bandwidth and enables it to transfer video and audio data at a high throughput rate that closely approaches the theoretical limit of PCIex1 interface. TW6869 is able to simultaneously decode and transfer 8 real time D1 video, or up to 32 channel non-real time D1, plus 8 channel audio. TW6869 decreases the complexity and workload of client-side software development, and significantly reduces the strains on PC hardware and resources. TW6869 also includes a software development kit (SDK) with Windows and Linux compliant drivers and reference application software. |
| Video Processing | 2 | Active | |
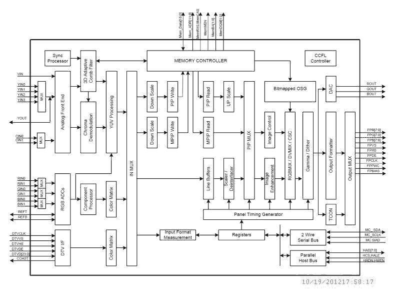
TW8806LCD Display Processors with built-in Video Decoder and T-CON | Integrated Circuits (ICs) | 3 | Obsolete | Techwells TW8806 LCD display processor is a low-cost high-quality TFT panel controller with an embedded NTSC/PAL/SECAM TV decoder. This unique level of mixed-signal integration enables the panel to be used as a stand-alone LCD display for in-car entertainment, portable DVD and portable LCD TV applications. An integrated triple analog-to-digital converter supports YPbPr/RGB component input and allows direct connection to DVD and Navigation sources. In addition, flexible digital inputs support 24-bit Digital RGB and 8/16/24-bit YCbCr inputs. The TW8806 contains all the logic required to convert standard TV, DTV, and PC monitor signals to the digital control and data signals required to drive various TFT panel types. It supports TFT panel resolutions up to 1280 by 768 with 1- pixel/clock formats. The chip has nine analog inputs. This enables a number of input combinations simultaneously. For example, the chip can accept up to 4 CVBS inputs simultaneously. The chip can also accept one CVBS, one S-Video, one component and one analog RGB simultaneously. The integrated analog front-end contains three ADCs with three clamping circuits and one Automatic Gain Control (AGC) circuit to minimize external component count. It employs a 4H, 5-line adaptive comb filter and proprietary Y/C processing technologies to produce exceptionally high-quality pictures. The chip's internal logic synchronizes the panel frame rate to the incoming input frame rate. A high-quality image-scaling engine is used to convert the lower resolution formats or high-resolution DTV formats to the output panel resolution. An internal de-interlacing engine also allows interlaced video to be supported. On-Screen Display is supported through an on-chip OSD RAM for maximum flexibility. A closed caption decoder is built in. The TW8806 also accepts a 24-bit digital RGB input from an external PanelLinkTM receiver or ADCs for use as a computer monitor. In addition, it accepts 8/16/24 bits digital YCbCr input for use with external ADCs for use as a DTV monitor. The TW8806 also supports TFT panel power sequencing, DPMS (VESATM Display Power Management Signaling) signaling and power management. The control interface is a 2-wire serial bus interface. The TW8806 core operates at 1.8V, the IO at 3.3V and packaged in a 128-pin PQFP package. |
TW8807LCD Controller with Built-In Video Decoder and TCON for Analog LCD Panels | Video Processing | 1 | Obsolete | Techwells TW8807 LCD display processor is a low-cost high-quality TFT panel controller with an embedded NTSC/PAL/SECAM TV decoder, scaler, de-interlacer and timing controller. It is designed to support analog panels used in video applications including portable TV, rear seat car display, and portable DVD. The TW8807 contains all the logic required to convert standard TV signals to the digital control and data signals required to drive various TFT panel types. It supports TFT panel resolutions up to WQVGA (480x234) with 1- pixel/clock formats. The chip accepts CVBS (composite) analog input or S-video analog input for use as a video monitor. Up to four physical CVBS inputs or one S-video input can be connected. The integrated analog front-end contains two ADCs with two clamping circuits and one Automatic Gain Control (AGC) circuit to minimize external component count. It employs a 4H, 5-line adaptive comb filter and proprietary Y/C processing technologies to produce exceptionally high-quality pictures. The chip's internal logic synchronizes the panel frame rate to the incoming input frame rate. A high-quality image-scaling engine is used to convert the lower resolution formats to the output panel resolution. An internal deinterlacing engine also allows interlaced video to be supported. On-Screen Display is supported through an on-chip OSD RAM. The TW8807 also supports TFT panel power sequencing, DPMS (VESATM Display Power Management Signaling) signaling and power management. The control interface is a 2-wire serial bus interface. The TW8807 core operates at 1. 8V, the IO at 3. 3V and is packaged in a 64-pin PQFP package. |
TW8809Low Cost Video Format Converter | Integrated Circuits (ICs) | 4 | Active | The TW8809 is a low cost video format converter that can take either analog CVBS or 24-bit digital RGB format video and output these signals in ITU-R. 656 format. The video sources can be scaled and deinterlaced, so that the ITU-R BT. 656 output is already formatted to the desired resolution and in progressive format. In addition, the TW8809 has built-in OSD and image enhancement capabilities. |
TW8810C3D Decoder based on LCD controller for Sharp™ dual-view digital panel | Integrated Circuits (ICs) | 1 | Obsolete | The TW8810 is a highly integrated LCD TFT flat panel controller for Sharp™ dual-view LCD panel primarily targeting front console and rear-seat automotive infotainment applications. The TW8810 integrates a high quality NTSC/PAL/SECAM 3D video decoder and a 2D de-interlacer with low angle compensation. In addition, built-in dual-view mixer enables direct support for Sharp™ dual-view panel. |
TW8810D3D Decoder based on LCD controller for Sharp™ dual-view digital panel | Integrated Circuits (ICs) | 1 | LTB | The TW8810 is a highly integrated LCD TFT flat panel controller for Sharp™ dual-view LCD panel primarily targeting front console and rear-seat automotive infotainment applications. The TW8810 integrates a high quality NTSC/PAL/SECAM 3D video decoder and a 2D de-interlacer with low angle compensation. In addition, built-in dual-view mixer enables direct support for Sharp™ dual-view panel. |