R
Renesas Electronics Corporation
| Series | Category | # Parts | Status | Description |
|---|---|---|---|---|
| Part | Spec A | Spec B | Spec C | Spec D | Description |
|---|---|---|---|---|---|
| Series | Category | # Parts | Status | Description |
|---|---|---|---|---|
| Part | Spec A | Spec B | Spec C | Spec D | Description |
|---|---|---|---|---|---|
| Part | Category | Description |
|---|---|---|
Renesas Electronics Corporation | Integrated Circuits (ICs) | RV1S9356ACCSP-120V#KC0 |
Renesas Electronics Corporation | Crystals Oscillators Resonators | XTAL OSC VCXO 44.7360MHZ HCMOS |
Renesas Electronics Corporation R7F7015693AFD#KA2Obsolete | Integrated Circuits (ICs) | IC MCU |
Renesas Electronics Corporation NE677M04-AObsolete | Discrete Semiconductor Products | RF TRANS NPN 6V 15GHZ SOT343F |
Renesas Electronics Corporation IDT71V416L10YIObsolete | Integrated Circuits (ICs) | IC SRAM 4MBIT PARALLEL 44SOJ |
Renesas Electronics Corporation IDT71V424YS10PHObsolete | Integrated Circuits (ICs) | IC SRAM 4MBIT PARALLEL 44TSOP II |
Renesas Electronics Corporation | Integrated Circuits (ICs) | IC MCU 32BIT 1.5MB FLASH 64TFBGA |
Renesas Electronics Corporation UPG2214TB-AObsolete | RF and Wireless | IC RF SWITCH SPDT 3GHZ 6-SMINI |
Renesas Electronics Corporation R5F212J1SNSP#U0Obsolete | Integrated Circuits (ICs) | IC MCU 16BIT 4KB FLASH 20LSSOP |
Renesas Electronics Corporation | Integrated Circuits (ICs) | MCU RA6 ARM CM33 200MHZ 512K/256 |
| Series | Category | # Parts | Status | Description |
|---|---|---|---|---|
R2A20178NP8-bit 8ch Multiplying D/A Converter with Buffer Amplifiers | Data Acquisition | 1 | Active | The R2A20178 is a CMOS 8-bit 8ch D/A converter having a multiplying function and output buffer amplifiers. It has a serial data input and can easily communicate with a microcontroller by simple three-wiring method (DI, CLK, LD), and it is suitable for a use in automatic adjustment applications in conjunction with a MCU. The reference voltage terminals (VDAref1, VDAref2) are 4ch x 2 configuration, and the 4 quadrant operation is possible. |
| Power Management (PMIC) | 1 | Obsolete | ||
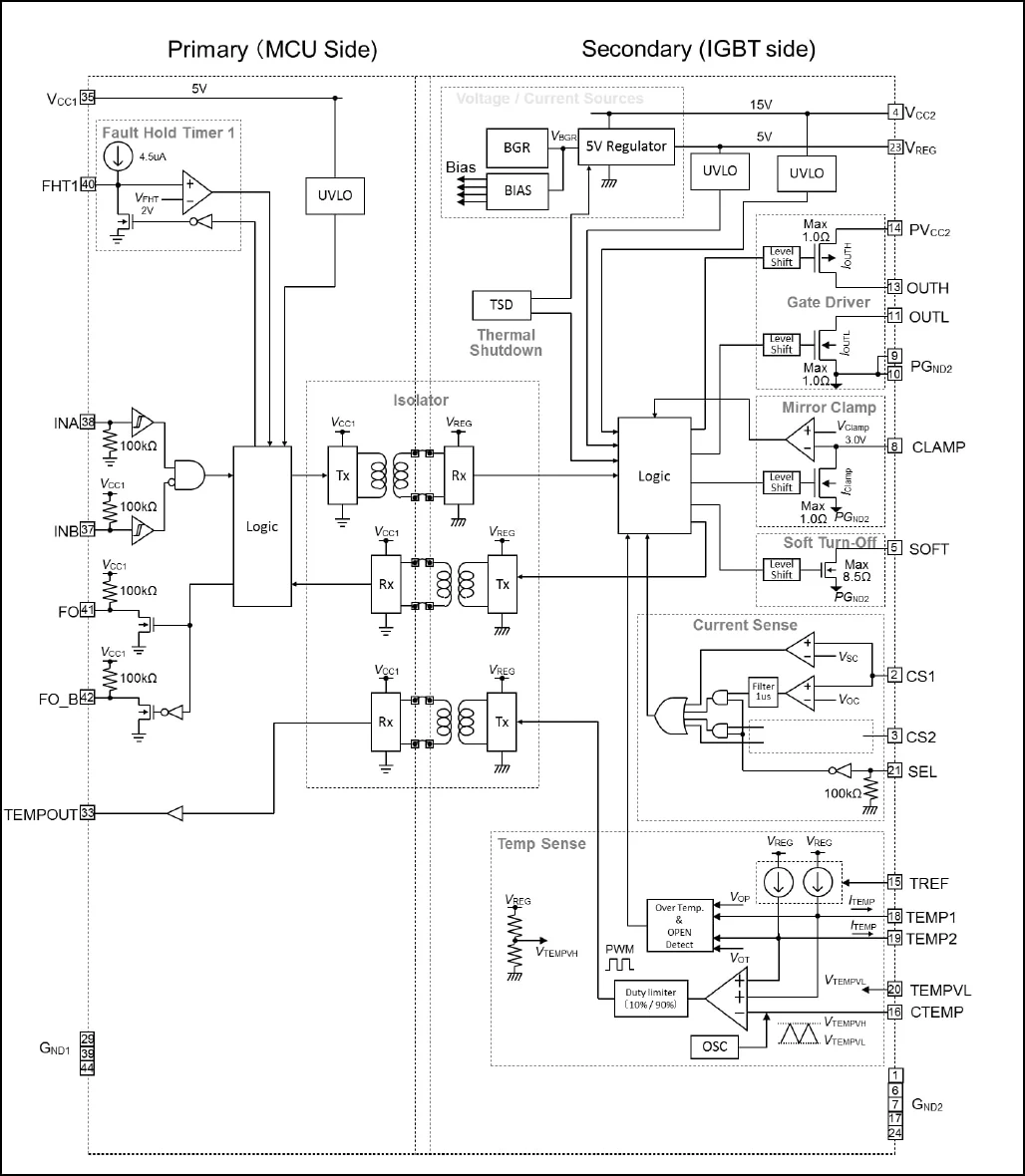
R2A25110KSPGate Driver for HEV/EV | Integrated Circuits (ICs) | 1 | LTB | The R2A25110KSP is a single channel IGBT gate-drive IC and suitable for high voltage inverter application. The Micro Isolator with the coreless transformer structure is adopted for data transfer with high voltage isolation between the primary circuit (MCU side) and the secondary circuit (IGBT side).
This device contains IGBT gate drive circuit, Miller clamp circuit, soft turn-off circuit as well as several types of protection circuits such as IGBT temperature detection. This device also supports driving parallel IGBTs. |
| Integrated Circuits (ICs) | 1 | Obsolete | ||
| Integrated Circuits (ICs) | 1 | Active | ||
| Integrated Circuits (ICs) | 1 | Obsolete | ||
| Power Management (PMIC) | 2 | Active | ||
| Integrated Circuits (ICs) | 4 | Active | ||
| Motor Drivers, Controllers | 1 | Obsolete | ||
| Integrated Circuits (ICs) | 1 | Obsolete | ||