R
Renesas Electronics Corporation
| Series | Category | # Parts | Status | Description |
|---|---|---|---|---|
| Part | Spec A | Spec B | Spec C | Spec D | Description |
|---|---|---|---|---|---|
| Series | Category | # Parts | Status | Description |
|---|---|---|---|---|
| Part | Spec A | Spec B | Spec C | Spec D | Description |
|---|---|---|---|---|---|
| Series | Category | # Parts | Status | Description |
|---|---|---|---|---|
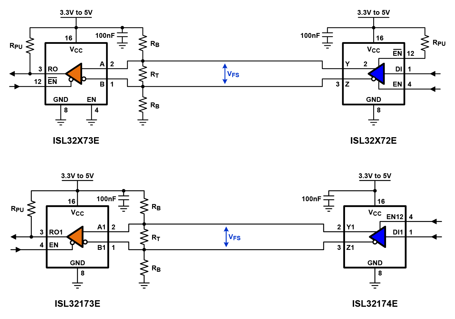
ISL32174EQuad, ±16.5kV ESD Protected, 3.0V to 5.5V, Low Power, RS-422 Transmitters | Interface | 3 | Active | The ISL32172E, ISL32272E, ISL32174E, and ISL32179E are ±16. 5kV IEC61000-4-2 ESD protected, 3. 0V to 5. 5V powered, QUAD transmitters for balanced communication using the RS-422 standard. These drivers have very low output leakage currents (±10µA), so they present a low load to the RS-422 bus. The driver (Tx) outputs are tri-statable and incorporate a hot plug feature to keep them disabled during power-up and power-down. The ISL32172E and ISL32272E have a common EN/EN, the ISL32174E has a two channel EN12/EN34, and the ISL32179E has a versatile combination of individual and group channel enables (see Table 1). Only the ISL32179E driver can be slew-rate limited, and only at the data rate of 0. 46Mbps. Drivers on the other versions are not limited, so they can achieve 10Mbps or 32Mbps data rates. All versions are offered in industrial and extended industrial (-40°C to +125°C) temperature ranges. The ISL32179E's QFN package has a 50% smaller footprint compared to the TSSOP. The ISL32179E also features a logic supply pin (VL) that sets the switching points of the enable and DI inputs to be compatible with a lower supply voltage in mixed voltage systems. Two speed select pins allow the ISL32179E to be configured for 460kbps, 10Mbps, or 32Mbps data rates. Individual channel and group enable pins increase the ISL32179E's flexibility. |
| Integrated Circuits (ICs) | 4 | Obsolete | ||
ISL32177EQUAD, ±16.5kV ESD Protected, 3.0V to 5.5V, RS-485/RS-422 Receivers | Drivers, Receivers, Transceivers | 3 | Active | These Renesas devices are ±16. 5kV IEC61000-4-2 ESD protected, 3. 0V to 5. 5V powered, quad receivers for balanced communication using the RS-485 and RS-422 standards. Each receiver has low input currents (±200μA), so it presents a 1/4 unit load to the RS-485 bus and allows up to 128 receivers on the bus. The ISL32173E and ISL32177E are high data rate receivers that operate at data rates up to 80Mbps. Their 8ns maximum propagation delay skew (tolerance) ensures excellent part-to-part matching. The ISL32273E, ISL32275E, and ISL32277E are reduced supply current versions that operate at data rates up to 20Mbps. The receiver outputs are tri-statable and incorporate a hot plug feature to keep them disabled during power-up and power-down. Versions are available with a common EN/EN (ISL32173E pinout) or a versatile individual channel enable (see Table 1). A 26% smaller footprint is available with the ISL32177E and ISL32277E QFN packages and these two devices also feature a logic supply pin (VL). The VL supply sets the switching points of the enable inputs and the receiver outputs’ VOH, to levels compatible with a lower supply voltage in mixed voltage systems. Individual channel and group enable pins increase the flexibility of the ISL32177E and ISL32277E. |
ISL32179EQuad, ±16.5kV ESD Protected, 3.0V to 5.5V, Low Power, RS-422 Transmitters | Integrated Circuits (ICs) | 3 | Active | The ISL32172E, ISL32272E, ISL32174E, and ISL32179E are ±16. 5kV IEC61000-4-2 ESD protected, 3. 0V to 5. 5V powered, QUAD transmitters for balanced communication using the RS-422 standard. These drivers have very low output leakage currents (±10µA), so they present a low load to the RS-422 bus. The driver (Tx) outputs are tri-statable and incorporate a hot plug feature to keep them disabled during power-up and power-down. The ISL32172E and ISL32272E have a common EN/EN, the ISL32174E has a two channel EN12/EN34, and the ISL32179E has a versatile combination of individual and group channel enables (see Table 1). Only the ISL32179E driver can be slew-rate limited, and only at the data rate of 0. 46Mbps. Drivers on the other versions are not limited, so they can achieve 10Mbps or 32Mbps data rates. All versions are offered in industrial and extended industrial (-40°C to +125°C) temperature ranges. The ISL32179E's QFN package has a 50% smaller footprint compared to the TSSOP. The ISL32179E also features a logic supply pin (VL) that sets the switching points of the enable and DI inputs to be compatible with a lower supply voltage in mixed voltage systems. Two speed select pins allow the ISL32179E to be configured for 460kbps, 10Mbps, or 32Mbps data rates. Individual channel and group enable pins increase the ISL32179E's flexibility. |
ISL32272EQuad, ±16.5kV ESD Protected, 3.0V to 5.5V, Low Power, RS-422 Transmitters | Interface | 1 | Obsolete | The ISL32172E, ISL32272E, ISL32174E, and ISL32179E are ±16. 5kV IEC61000-4-2 ESD protected, 3. 0V to 5. 5V powered, QUAD transmitters for balanced communication using the RS-422 standard. These drivers have very low output leakage currents (±10µA), so they present a low load to the RS-422 bus. The driver (Tx) outputs are tri-statable and incorporate a hot plug feature to keep them disabled during power-up and power-down. The ISL32172E and ISL32272E have a common EN/EN, the ISL32174E has a two channel EN12/EN34, and the ISL32179E has a versatile combination of individual and group channel enables (see Table 1). Only the ISL32179E driver can be slew-rate limited, and only at the data rate of 0. 46Mbps. Drivers on the other versions are not limited, so they can achieve 10Mbps or 32Mbps data rates. All versions are offered in industrial and extended industrial (-40°C to +125°C) temperature ranges. The ISL32179E's QFN package has a 50% smaller footprint compared to the TSSOP. The ISL32179E also features a logic supply pin (VL) that sets the switching points of the enable and DI inputs to be compatible with a lower supply voltage in mixed voltage systems. Two speed select pins allow the ISL32179E to be configured for 460kbps, 10Mbps, or 32Mbps data rates. Individual channel and group enable pins increase the ISL32179E's flexibility. |
ISL32273EQUAD, ±16.5kV ESD Protected, 3.0V to 5.5V, RS-485/RS-422 Receivers | Integrated Circuits (ICs) | 2 | Active | These Renesas devices are ±16. 5kV IEC61000-4-2 ESD protected, 3. 0V to 5. 5V powered, quad receivers for balanced communication using the RS-485 and RS-422 standards. Each receiver has low input currents (±200μA), so it presents a 1/4 unit load to the RS-485 bus and allows up to 128 receivers on the bus. The ISL32173E and ISL32177E are high data rate receivers that operate at data rates up to 80Mbps. Their 8ns maximum propagation delay skew (tolerance) ensures excellent part-to-part matching. The ISL32273E, ISL32275E, and ISL32277E are reduced supply current versions that operate at data rates up to 20Mbps. The receiver outputs are tri-statable and incorporate a hot plug feature to keep them disabled during power-up and power-down. Versions are available with a common EN/EN (ISL32173E pinout) or a versatile individual channel enable (see Table 1). A 26% smaller footprint is available with the ISL32177E and ISL32277E QFN packages and these two devices also feature a logic supply pin (VL). The VL supply sets the switching points of the enable inputs and the receiver outputs’ VOH, to levels compatible with a lower supply voltage in mixed voltage systems. Individual channel and group enable pins increase the flexibility of the ISL32177E and ISL32277E. |
| Integrated Circuits (ICs) | 3 | Obsolete | ||
ISL32275EQUAD, ±16.5kV ESD Protected, 3.0V to 5.5V, RS-485/RS-422 Receivers | Interface | 2 | Active | These Renesas devices are ±16. 5kV IEC61000-4-2 ESD protected, 3. 0V to 5. 5V powered, quad receivers for balanced communication using the RS-485 and RS-422 standards. Each receiver has low input currents (±200μA), so it presents a 1/4 unit load to the RS-485 bus and allows up to 128 receivers on the bus. The ISL32173E and ISL32177E are high data rate receivers that operate at data rates up to 80Mbps. Their 8ns maximum propagation delay skew (tolerance) ensures excellent part-to-part matching. The ISL32273E, ISL32275E, and ISL32277E are reduced supply current versions that operate at data rates up to 20Mbps. The receiver outputs are tri-statable and incorporate a hot plug feature to keep them disabled during power-up and power-down. Versions are available with a common EN/EN (ISL32173E pinout) or a versatile individual channel enable (see Table 1). A 26% smaller footprint is available with the ISL32177E and ISL32277E QFN packages and these two devices also feature a logic supply pin (VL). The VL supply sets the switching points of the enable inputs and the receiver outputs’ VOH, to levels compatible with a lower supply voltage in mixed voltage systems. Individual channel and group enable pins increase the flexibility of the ISL32177E and ISL32277E. |
ISL32277EQUAD, ±16.5kV ESD Protected, 3.0V to 5.5V, RS-485/RS-422 Receivers | Integrated Circuits (ICs) | 2 | Active | These Renesas devices are ±16. 5kV IEC61000-4-2 ESD protected, 3. 0V to 5. 5V powered, quad receivers for balanced communication using the RS-485 and RS-422 standards. Each receiver has low input currents (±200μA), so it presents a 1/4 unit load to the RS-485 bus and allows up to 128 receivers on the bus. The ISL32173E and ISL32177E are high data rate receivers that operate at data rates up to 80Mbps. Their 8ns maximum propagation delay skew (tolerance) ensures excellent part-to-part matching. The ISL32273E, ISL32275E, and ISL32277E are reduced supply current versions that operate at data rates up to 20Mbps. The receiver outputs are tri-statable and incorporate a hot plug feature to keep them disabled during power-up and power-down. Versions are available with a common EN/EN (ISL32173E pinout) or a versatile individual channel enable (see Table 1). A 26% smaller footprint is available with the ISL32177E and ISL32277E QFN packages and these two devices also feature a logic supply pin (VL). The VL supply sets the switching points of the enable inputs and the receiver outputs’ VOH, to levels compatible with a lower supply voltage in mixed voltage systems. Individual channel and group enable pins increase the flexibility of the ISL32177E and ISL32277E. |
ISL3232EQFN Packaged, ±15kV ESD Protected, +2.7V to +5.5V, 150nA, 250kbps, RS-232 Transmitters/Receivers | Drivers, Receivers, Transceivers | 1 | Active | The ISL3232E, ISL4221E, and ISL4223E devices are 2. 7V to 5. 5V powered RS-232 transmitters/receivers that meet ElA/TIA-232 and V. 28/V. 24 specifications, even at VCC= 3. 0V. They provide ±15kV ESD protection (IEC61000-4-2 Air Gap and Human Body Model) on transmitter outputs and receiver inputs (RS-232 pins). Targeted applications are PDAs, Palmtops, and hand-held products where the low operational power consumption and even lower standby power consumption are critical. Efficient on-chip charge pumps, coupled with manual and automatic powerdown functions, reduce the standby supply current to a 150nA trickle. The 5mmx5mm Quad Flat No-Lead (QFN) packaging and the use of small, low value capacitors ensure board space savings. Data rates greater than 250kbps are ensured at worst case load conditions. The ISL4221E is a 1 driver, 1 receiver device and the ISL3232E and ISL4223E are 2 driver, 2 receiver devices that, coupled with the 5mmx5mm QFN package, provide the industry's smallest, lowest power serial port suitable for PDAs, and hand-held applications. The 5mmx5mm QFN requires 40% less board area than a 20 Ld TSSOP, and is nearly 20% thinner. The ISL4221E and ISL4223E versions feature an automatic powerdown function that powers down the on-chip power supply and driver circuits. Automatic powerdown occurs when an attached peripheral device is shut off or the RS-232 cable is removed, and conserves system power automatically without changes to the hardware or operating system. The ISL4221E and ISL4223E power back up automatically when a valid RS-232 voltage is applied to any receiver input. |
| Part | Category | Description |
|---|---|---|
Renesas Electronics Corporation | Integrated Circuits (ICs) | IC MCU 32BIT 1MB FLASH 48LFQFP |
Renesas Electronics Corporation | Integrated Circuits (ICs) | 16-BIT GENERAL MCU RL78/G23 96K |
Renesas Electronics Corporation | Isolators | OPTOISOLATOR 5KV TRANS 4SMD |
Renesas Electronics Corporation | Integrated Circuits (ICs) | IC REG PQFN |
Renesas Electronics Corporation X1228S14-2.7Obsolete | Integrated Circuits (ICs) | IC RTC CLK/CALENDAR I2C 14SOIC |
Renesas Electronics Corporation | Integrated Circuits (ICs) | 32-BIT MICROCONTROLLER OPTIMIZED FOR DUAL-MOTOR AND PFC CONTROL |
Renesas Electronics Corporation R5F104FJAFP#V0Obsolete | Integrated Circuits (ICs) | LOW POWER, HIGH FUNCTION, GENERAL PURPOSE MICROCONTROLLERS FOR MOTOR CONTROL, INDUSTRIAL AND METERING APPLICATIONS |
Renesas Electronics Corporation MK1493-03BGILFTRObsolete | Integrated Circuits (ICs) | IC CLOCK GENERATOR 48TSSOP |
Renesas Electronics Corporation | Development Boards Kits Programmers | E10A-USB SH4AL-DSP LICENSE TOOL |
Renesas Electronics Corporation | Integrated Circuits (ICs) | 32BIT MCU R32C/100X |