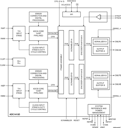
| Analog to Digital Converters (ADC) | 1 | Obsolete | The ADC1413D105HN is a dual-channel, 14-bit analog-to-digital converter (ADC) optimized for high dynamic performances and low power at sample rates of 105Msps. Pipelined architecture and output error correction ensure the ADC1413D105HN is accurate enough to guarantee zero missing codes over the entire operating range. Supplied from a 3.3V source for analog and a 1.8V source for the output driver, it has two serial outputs, because of the two lanes of differential outputs, which are compliant with the JESD204A standard. An integrated serial peripheral interface (SPI) allows the user to easily configure the ADC. A set of IC configurations is also available via the binary level control pins taken, which are used at power-up. |
| Integrated Circuits (ICs) | 1 | Obsolete | The ADC1413D125HN is a dual-channel 14-bit analog-to-digital converter (ADC) optimized for high dynamic performances and low power at sample rates of 125Msps. Pipelined architecture and output error correction ensure the ADC1413D125HN is accurate enough to guarantee zero missing codes over the entire operating range. Supplied from a 3.3V source for analog and a 1.8V source for the output driver, it has two serial outputs, because of the two lanes of differential outputs, which are compliant with the JESD204A standard. An integrated serial peripheral interface (SPI) allows the user to easily configure the ADC. A set of IC configurations is also available via the binary level control pins taken, which are used at power-up. |
| Analog to Digital Converters (ADC) | 1 | Obsolete | The ADC1413S125HN is a single-channel, 14-bit analog-to-digital converter (ADC) optimized for high dynamic performances and low power at sample rates of 125Msps. Pipelined architecture and output error correction ensure the ADC1413S125HN is accurate enough to guarantee zero missing codes over the entire operating range. Supplied from a 3.3V source for analog and a 1.8V source for the output driver, it has one serial output, because of the one lane of differential outputs, which are compliant with the JESD204A standard. An integrated serial peripheral interface (SPI) allows the user to easily configure the ADC. A set of IC configurations is also available via the binary level control pins taken, which are used at power-up. |
| Data Acquisition | 1 | Active | |
| Analog to Digital Converters (ADCs) Evaluation Boards | 2 | Active | |
| Data Acquisition | 1 | Obsolete | |
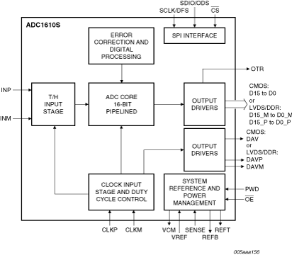
ADC1610S125HNSingle 16-bit ADC 125 Msps CMOS or LVDS DDR digital outputs | Integrated Circuits (ICs) | 2 | Obsolete | The ADC1610S125HN is a single channel 16-bit Analog-to-Digital Converter (ADC) optimized for high dynamic performances and low power consumption at a sample rate of 125 Msps. Pipelined architecture and output error correction ensure the ADC1610S125HN is accurate enough to guarantee zero missing codes over the entire operating range. Supplied from a single 3 V source, it can handle output logic levels from 1.8 V to 3.3 V in CMOS mode, because of a separate digital output supply. It supports the Low Voltage Differential Signaling (LVDS) Double Data Rate (DDR) output standard. An integrated Serial Peripheral Interface (SPI) allows the user to easily configure the ADC. The device also includes a programmable gain amplifier with a flexible input voltage range. |
| Integrated Circuits (ICs) | 1 | Active | |
| Integrated Circuits (ICs) | 1 | Obsolete | The ADC1613S125HN is a single-channel, 16-bit analog-to-digital converter (ADC) optimized for high dynamic performances and low power at sample rates of 125Msps. Pipelined architecture and output error correction ensure the ADC1613S125HN is accurate enough to guarantee zero missing codes over the entire operating range. Supplied from a 3.3V source for analog and a 1.8V source for the output driver, it has one serial output, because of the one lane of differential outputs, which are compliant with the JESD204A standard. An integrated serial peripheral interface (SPI) allows the user to easily configure the ADC. A set of IC configurations is also available via the binary level control pins taken, which are used at power-up. |
| Logic | 1 | Obsolete | |