Zenode.ai Logo
Beta
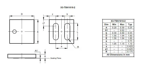
D

Diodes Inc

Series List(5761)

SeriesCategory# PartsStatusDescription

Standalone parts(5404)

...
PartCategoryDescription
8 MSOP
Diodes Inc
ZXSC100X8TAObsolete
Integrated Circuits (ICs)
SWITCHING CONTROLLER, VOLTAGE-MODE, 200KHZ SWITCHING FREQ-MAX, PDSO8, MSOP-8
TO-220AC
Diodes Inc
MBR1045Obsolete
Discrete Semiconductor Products
DIODE SCHOTTKY 45V 10A TO220AC
SOT-23-3
Diodes Inc
Discrete Semiconductor Products
TRANS GP BJT NPN 45V 0.1A 3-PIN SOT-23 T/R
SaRonix-eCera
Diodes Inc
Crystals
Oscillators
Resonators
CRYSTAL 25MHZ FUND 60OHM 4-PIN MINI-CSMD
SMD_2.5mmx2mm
Diodes Inc
Crystals
Oscillators
Resonators
XTAL OSC XO 133.0000MHZ CMOS SMD
1N4002G-T
Diodes Inc
Discrete Semiconductor Products
DIODE GEN PURP 100V 1A DO41
Diodes Inc
MBRF20150CTLObsolete
Discrete Semiconductor Products
DIODE SCHOTTKY ITO220AB
Integrated Circuits (ICs)
NRND = NOT RECOMMENDED FOR NEW DESIGN
SOD123F
Diodes Inc
Discrete Semiconductor Products
1.1V@2A 240NS INDEPENDENT TYPE 1A 1KV SOD-123F FAST RECOVERY / HIGH EFFICIENCY DIODES ROHS
SOT 363
Diodes Inc
Integrated Circuits (ICs)
ANALOGUE SW, SPDT, -40 TO 125DEG C ROHS COMPLIANT: YES