A
Analog Devices
| Series | Category | # Parts | Status | Description |
|---|---|---|---|---|
| Part | Spec A | Spec B | Spec C | Spec D | Description |
|---|---|---|---|---|---|
| Series | Category | # Parts | Status | Description |
|---|---|---|---|---|
| Part | Spec A | Spec B | Spec C | Spec D | Description |
|---|---|---|---|---|---|
| Part | Category | Description |
|---|---|---|
Analog Devices ADM6713RAKSZ-REELObsolete | Integrated Circuits (ICs) | IC SUPERVISOR 1 CHANNEL SC70-4 |
Analog Devices | RF and Wireless | RF AMP SINGLE GENERAL PURPOSE RF AMPLIFIER 20GHZ 3.6V 22-PIN DIE TRAY |
Analog Devices | Integrated Circuits (ICs) | LOW NOISE, SWITCHED CAPACITOR REGULATED VOLTAGE INVERTERS |
Analog Devices | Integrated Circuits (ICs) | QUAD 16-BIT/12-BIT ±10V VOUTSOFTSPAN DACS WITH 10PPM/°C MAX REFERENCE |
Analog Devices | Integrated Circuits (ICs) | SERIAL 14-BIT, 3.5MSPS SAMPLING ADC WITH BIPOLAR INPUTS |
Analog Devices | Integrated Circuits (ICs) | ISOSPI ISOLATED COMMUNICATIONS INTERFACE |
Analog Devices | Integrated Circuits (ICs) | 4.5A, 500KHZ STEP-DOWN SWITCHING REGULATOR |
Analog Devices | Integrated Circuits (ICs) | 300 MA, LOW QUIESCENT CURRENT, ADJUSTABLE OUTPUT, CMOS LINEAR REGULATOR |
Analog Devices AD767KNObsolete | Integrated Circuits (ICs) | IC DAC 12BIT V-OUT 24DIP |
Analog Devices | Integrated Circuits (ICs) | QUAD 12-/10-/8-BIT RAIL-TO-RAIL DACS WITH 10PPM/°C REFERENCE |
| Series | Category | # Parts | Status | Description |
|---|---|---|---|---|
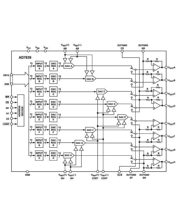
AD7834LC2MOS Quad 14-Bit DAC | Data Acquisition | 5 | Active | The AD7834 andAD7835contain four 14-bit DACs on one monolithic chip. The AD7834 and AD7835 have output voltages in the range ±8.192 V with a maximum span of 14 V.The AD7834 is a serial input device. Data is loaded in 16-bit format from the external serial bus, MSB first after two leading 0s, into one via DIN, SCLK, andFSYNC. The AD7834 has five dedicated package address pins, PA0 to PA4, that can be wired to AGND or VCCto permit up to 32 AD7834s to be individually addressed in a multipackage application.The AD7835 can accept either 14-bit parallel loading or double-byte loading, where right-justified data is loaded in one 8-bit byte and one 6-bit byte. Data is loaded from the external bus into one of the input latches under the control of theWR,CS,BYSHF, and DAC channel address pins, A0 to A2.With each device, the LDAC signal is used to update all four DAC outputs simultaneously, or individually, on reception of new data. In addition, for each device, the asynchronousCLRinput can be used to set all signal outputs, VOUT1 to VOUT4, to the user-defined voltage level on the device sense ground pin, DSG. On power-on, before the power supplies have stabilized, internal circuitry holds the DAC output voltage levels to within ±2 V of the DSG potential. As the supplies stabilize, the DAC output levels move to the exact DSG potential (assumingCLRis exercised).The AD7834 is available in a 28-lead 0.3" SOIC package and a 28-lead 0.6" PDIP package, and the AD7835 is available in a 44-lead MQFP package and a 44-lead PLCC package.APPLICATIONSProcess controlAutomatic test equipmentGeneral-purpose instrumentation |
AD7835LC2MOS Quad 14-Bit DAC | Digital to Analog Converters (DAC) | 4 | Active | TheAD7834and AD7835 contain four 14-bit DACs on one monolithic chip. The AD7834 and AD7835 have output voltages in the range ±8.192 V with a maximum span of 14 V.The AD7834 is a serial input device. Data is loaded in 16-bit format from the external serial bus, MSB first after two leading 0s, into one via DIN, SCLK, andFSYNC. The AD7834 has five dedicated package address pins, PA0 to PA4, that can be wired to AGND or VCCto permit up to 32 AD7834s to be individually addressed in a multipackage application.The AD7835 can accept either 14-bit parallel loading or double-byte loading, where right-justified data is loaded in one 8-bit byte and one 6-bit byte. Data is loaded from the external bus into one of the input latches under the control of theWR,CS,BYSHF, and DAC channel address pins, A0 to A2.With each device, the LDAC signal is used to update all four DAC outputs simultaneously, or individually, on reception of new data. In addition, for each device, the asynchronousCLRinput can be used to set all signal outputs, VOUT1 to VOUT4, to the user-defined voltage level on the device sense ground pin, DSG. On power-on, before the power supplies have stabilized, internal circuitry holds the DAC output voltage levels to within ±2 V of the DSG potential. As the supplies stabilize, the DAC output levels move to the exact DSG potential (assumingCLRis exercised).The AD7834 is available in a 28-lead 0.3" SOIC package and a 28-lead 0.6" PDIP package, and the AD7835 is available in a 44-lead MQFP package and a 44-lead PLCC package.APPLICATIONSProcess controlAutomatic test equipmentGeneral-purpose instrumentation |
AD7836Quad 14-Bit CMOS DAC on One Monolithic Chip | Digital to Analog Converters (DAC) | 1 | Active | The AD7836 contains four 14-bit DACs on one monolithic chip. It has output voltages with a full-scale range of ±10 V from reference voltages of ±5 V.The AD7836 accepts 14-bit parallel loaded data from the exter-nal bus into one of the input latches under the control of the WR, CS and DAC channel address pins, A0–A2.The DAC outputs are updated individually, on reception of new data. In addition, the SEL input can be used to apply the user programmed value in DAC Register E to all DACs, thus setting all DAC output voltages to the same level. The contents of the DAC data registers are not affected by the SEL input.Each DAC output is buffered with a gain of two amplifier into which an external DAC offset voltage can be inserted via the DUTGNDx pins.The AD7836 is available in a 44-pin MQFP package. |
AD7837LC2MOS Complete, Dual 12-Bit MDAC, (8 + 4) Loading Structure | Digital to Analog Converters (DAC) | 7 | Active | The AD7837 /AD7847is a complete, dual, 12-bit multiplying digital-to-analog converter with output amplifiers on a monolithic CMOS chip. No external user trims are required to achieve full specified performance.Both parts are microprocessor compatible, with high speed data latches and interface logic. The AD7847 accepts 12-bit parallel data which is loaded into the respective DAC latch using theWRinput and a separate Chip Select input for each DAC. The AD7837 has a double-buffered 8-bit bus interface structure with data loaded to the respective input latch in two write operations. An asynchronousLDACsignal on the AD7837 updates the DAC latches and analog outputs.The output amplifiers are capable of developing ±10 V across a 2 kΩ load. They are internally compensated with low input offset voltage due to laser trimming at wafer level.The amplifier feedback resistors are internally connected to VOUTon the AD7847.The AD7837 / AD7847 is fabricated in Linear Compatible CMOS (LC2MOS), an advanced, mixed technology process that combines precision bipolar circuits with low power CMOS logic.A novel low leakage configuration (U.S. Patent No. 4,590,456) ensures low offset errors over the specified temperature range. |
| Digital to Analog Converters (DAC) | 1 | Obsolete | ||
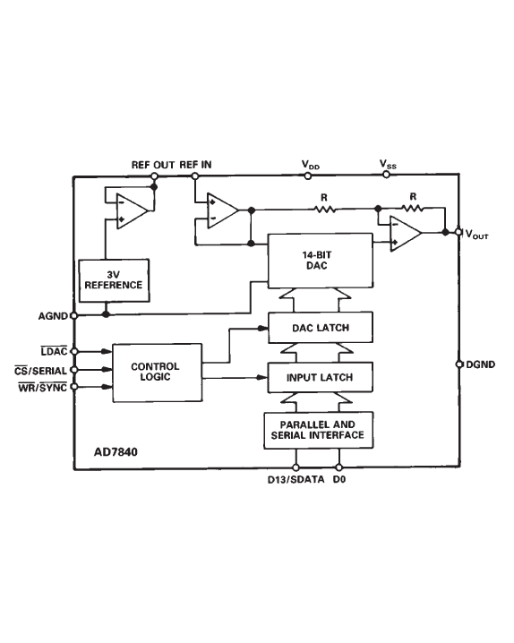
AD7840Complete 14-Bit CMOS DAC | Digital to Analog Converters (DAC) | 5 | Active | The AD7840 is a fast, complete 14-bit voltage output D/A converter. It consists of a 14-bit DAC, 3V buried Zener reference, DAC output amplifier and high speed control logic.The part features double-buffered interface logic with a 14-bit input latch and 14-bit DAC latch. Data is loaded to the input latch in either of two modes, parallel or serial. This data is then transferred to the DAC latch under control of an a asynchronousLDACsignal. A fast data setup time of 21ns allows direct parallel interfacing to digital signal processors and high speed 16-bit microprocessors. In the serial mode, the maximum serial data clock rate can be as high as 6Mhz.The analog output from the AD7840 provides a bipolar output range of +-3V. The AD7840 is fully specified for dynamic performance parameters such as signal-to-noise ratio and harmonic distortion as well as for traditional dc specifications. Full power output signals up to 20kHz can be created.The AD7840 is fabricated in linear compatible CMOS (LC2MOS), an advanced, mixed technology process that combines precision bipolar circuits with low power CMOS logic. The part is available in a 24-pin plastic and hermetic dual-in-line packaged (DIP) and is also packaged in 28-terminal plastic leaded chip carrier (PLCC). |
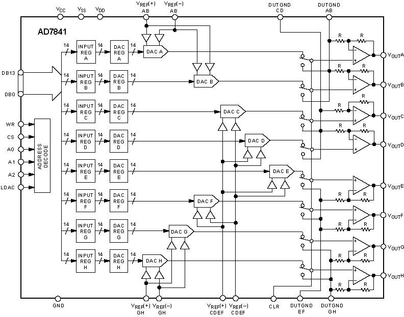
AD7841Octal 14-Bit, Parallel Input, Voltage-Output DAC | Integrated Circuits (ICs) | 1 | Active | The AD7841 contains eight 14-bit, buffered voltage-output DACs on one monolithic chip. It has output voltages with a full-scale range of ±10 V from reference voltages of ±5 V. There are 3 separate differential references with buffered inputs; one for DACs A and B, one for DACs G and H and one for DACs C, D, E and F. The AD7841 accepts 14-bit parallel loaded data from the external bus into one of the input latches under the control of the WR, CS and DAC address pins, A0-A2. The DAC outputs are updated on reception of new data into the DAC registers. Each DAC output is buffered with a gain-of-two amplifier into which an external DAC offset voltage can be inserted via the DUTGND pins. The AD7841 is available in a 44-pin PQFP package. |
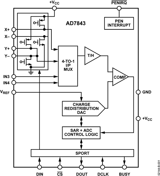
AD7843Touch Screen Digitizer | Analog to Digital Converters (ADCs) Evaluation Boards | 5 | Active | The AD7843 is a 12-bit successive-approximation ADC with a synchronous serial interface and low on resistance switches for driving touch screens. The part operates from a single 2.2 V to 5.25 V power supply and features throughput rates greater than 125 kSPS. The external reference applied to the AD7843 can be varied from 1 V to +VCC, while the analog input range is from 0 V to VREF. The device includes a shutdown mode that reduces the current consumption to less than 1 µA. This part is available in a 16-lead 0.15" Quarter Size Outline (QSOP) package and a 16-lead Thin Shrink Small Outline (TSSOP) package.Also see the AD7843 sister part, which is theAD7873. This part is similar to the AD7843 but has added functionality such as an on-chip temperature sensor (-40°C to + 85°C), on-chip 2.5 V reference and direct battery and touch-pressure measurement. |
AD7845Complete 12-Bit CMOS Multiplying DAC | Digital to Analog Converters (DAC) | 14 | Active | The AD7845 is the industry's first 4-quadrant multiplying D/A converter with an on-chip amplifier. It is fabricated on the LC2MOS process, which allows precision linear components and digital circuitry to be implemented on the same chip.The 12 data inputs drive latches which are controlled by standard CS andWRsignals, making microprocessor interfacing simple. For stand-alone operation, theCSandWRinputs can be tied to ground, making all latches transparent. All digital inputs are TTL and 5 V CMOS compatible.The output amplifier can supply ±10 V into a 2k(ohm) load. It is internally compensated, and its input offset voltage is low due to laser trimming at wafer level. For normal operation, RFBis tied to VOUT, but the user may alternatively choose RA, RBor RCto scale the output voltage range. |
| Integrated Circuits (ICs) | 9 | Active | ||