A
Analog Devices
| Series | Category | # Parts | Status | Description |
|---|---|---|---|---|
| Part | Spec A | Spec B | Spec C | Spec D | Description |
|---|---|---|---|---|---|
| Series | Category | # Parts | Status | Description |
|---|---|---|---|---|
| Part | Spec A | Spec B | Spec C | Spec D | Description |
|---|---|---|---|---|---|
| Part | Category | Description |
|---|---|---|
Analog Devices ADM6713RAKSZ-REELObsolete | Integrated Circuits (ICs) | IC SUPERVISOR 1 CHANNEL SC70-4 |
Analog Devices | RF and Wireless | RF AMP SINGLE GENERAL PURPOSE RF AMPLIFIER 20GHZ 3.6V 22-PIN DIE TRAY |
Analog Devices | Integrated Circuits (ICs) | LOW NOISE, SWITCHED CAPACITOR REGULATED VOLTAGE INVERTERS |
Analog Devices | Integrated Circuits (ICs) | QUAD 16-BIT/12-BIT ±10V VOUTSOFTSPAN DACS WITH 10PPM/°C MAX REFERENCE |
Analog Devices | Integrated Circuits (ICs) | SERIAL 14-BIT, 3.5MSPS SAMPLING ADC WITH BIPOLAR INPUTS |
Analog Devices | Integrated Circuits (ICs) | ISOSPI ISOLATED COMMUNICATIONS INTERFACE |
Analog Devices | Integrated Circuits (ICs) | 4.5A, 500KHZ STEP-DOWN SWITCHING REGULATOR |
Analog Devices | Integrated Circuits (ICs) | 300 MA, LOW QUIESCENT CURRENT, ADJUSTABLE OUTPUT, CMOS LINEAR REGULATOR |
Analog Devices AD767KNObsolete | Integrated Circuits (ICs) | IC DAC 12BIT V-OUT 24DIP |
Analog Devices | Integrated Circuits (ICs) | QUAD 12-/10-/8-BIT RAIL-TO-RAIL DACS WITH 10PPM/°C REFERENCE |
| Series | Category | # Parts | Status | Description |
|---|---|---|---|---|
LTC3443High Current Micropower 600kHz Synchronous Buck-Boost DC/DC Converter | PMIC | 2 | Active | The LTC3443 is a high efficiency, fixed frequency, buck-boost DC/DC converter that operates from input voltages above, below or equal to the output voltage. The part is pin for pin compatible with its predecessor, the LTC3441, with a lower operating frequency (600kHz), and a VCpin clamp circuit during Burst Mode operation. The topology incorporated in the IC provides a continuous transfer function through all operating modes, making the product ideal for single Lithium Ion or multi-cell applications where the output voltage is within the battery voltage range.The device includes two 0.10Ω N-channel MOSFET switches and two 0.11Ω P-channel switches. External Schottky diodes are optional, and can be used for a moderate efficiency improvement. The operating frequency is internally set to 600kHz and can be synchronized up to 1.2MHz. Quiescent current is only 28µA in Burst Mode operation, maximizing battery life in portable applications. Burst Mode operation is user controlled and can be enabled by driving the MODE/SYNC pin high. If the MODE/ SYNC pin is driven low or with a clock, then fixed frequency switching is enabled.Other features include a 1µA shutdown, soft-start control, thermal shutdown and current limit. The LTC3443 is available in a thermally enhanced 12-lead (4mm × 3mm) DFN Package.ApplicationsHandheld ComputersHandheld InstrumentsMP3 PlayersDigital Cameras |
LTC3444Micropower Synchronous Buck-Boost DC/DC Converter for WCDMA Applications | Integrated Circuits (ICs) | 1 | Active | The LTC3444 is a highly efficient, fixed frequency, buck-boost DC/DC converter, which operates from input voltages above, below, and equal to the output voltage. The topology incorporated in the IC provides a continuous transfer function through all operating modes, making the product ideal for a single Lithium-Ion or multi-cell applications where the output voltage can vary over a wide range.The LTC3444 has been optimized for use in 3G WCDMA applications. A unique design yields high efficiency at very low output voltages while also eliminating external components. The high speed error amplifier provides the fast transient response required to slew the RF power amplifier from standby to transmit and transmit to stand by power levels. Output overvoltage protection protects the RF power amplifier.Operating frequency is internally set to 1.5MHz to minimize external component size while maximizing efficiency.Other features include <1μA shutdown current, internal soft-start, peak current limit and thermal shutdown. The LTC3444 is available in a small, thermally enhanced 8-lead (3mm × 3mm) DFN package.ApplicationsWCDMA Applications–3G Handsets with High Speed Data Rate CapabilityMP3 PlayersDigital Cameras |
LTC3446Monolithic Buck Regulator with Dual VLDO Regulators | PMIC | 3 | Active | The LTC3446 combines a synchronous buck DC/DC converter with two very low dropout (VLDO) linear regulators to provide up to three stepped-down output voltages from a single input voltage. The input voltage range is ideally suited for Li-Ion battery-powered applications, as well as powering low voltage logic from 5V or 3.3V rails. The output voltage range extends down to 0.4V for the VLDO regulators and 0.8V for the buck.The 1A synchronous buck converter provides the main output with high efficiency, typically 85%. The two 300mA VLDO regulators can run off the main output to provide two additional lower voltage outputs. A built-in supply monitor provides a power good indication.The buck converter switches at 2.25MHz, allowing the use of small surface mount inductors and capacitors. Constant frequency current mode operation produces controlled output spectrum and fast transient response. A mode-select pin allows automatic Burst Mode operation to be enabled for higher efficiency at light load, or disabled for lower noise operation down to very light loads. The two VLDO regulators are stable with ceramic output capacitors as small as 1µF.ApplicationsLow Power Handheld DevicesLow Voltage and Multivoltage Power for Digital Logic, I/O, FPGAs, CPLDs, ASICs and CPUs |
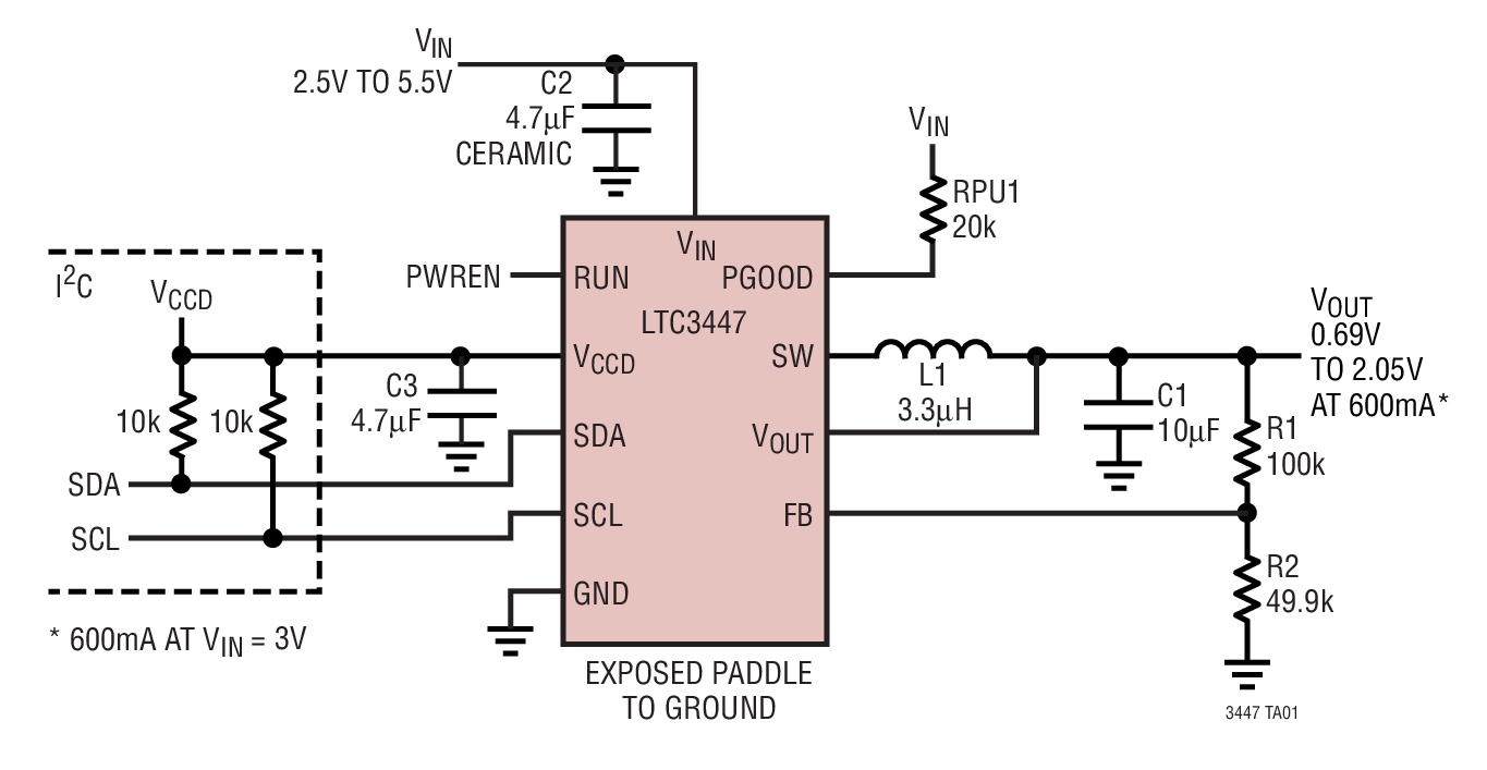
LTC3447I2C Controllable Buck Regulator in 3mm × 3mm DFN | Power Management (PMIC) | 1 | Active | The LTC3447 is a high efficiency monolithic synchronous current mode buck regulator. Using an I2C interface, the output voltage can be set between 0.69V and 2.05V using an internal 6-bit DAC.The buck regulator has optional external feedback resistors that can be used for setting the initial start up voltage. The feedback voltage reference for this start-up option is 0.6V. Once the voltage DAC is updated via the I2C, the buck regulator switches from external to internal feedback resistors. When there are no external resistors, the default start-up voltage is 1.38V.The switching frequency is internally set at 1MHz, allowing the use of small surface mount inductors and capacitors.In Burst Mode®operation, supply current is only 33µA, dropping to <1µA in shutdown. The 2.5V to 5.5V input voltage range makes the LTC3447 ideally suited for single cell Li-Ion battery-powered applications. 100% duty cycle capability provides low dropout operation, extending battery life in portable systems. Automatic Burst Mode operation increases efficiency at light loads, further extending battery life.The internal synchronous switch increases efficiency and eliminates the need for an external Schottky diode.Protected by U.S. Patents, including 5481178, 6580258, 6304066, 6127815, 6498466, 6611131.ApplicationsDistributed Power SuppliesNotebook ComputersPDAs and Other Handheld Devices |
LTC34481.5MHz/2.25MHz, 600mA Synchronous Step-Down Regulator with LDO Mode | Voltage Regulators - DC DC Switching Regulators | 1 | Active | The LTC3448 is a high efficiency, monolithic, synchronous buck regulator using a constant frequency, current mode architecture. Supply current during operation is only 32µA (linear regulator mode) and drops to <1µA in shutdown. The 2.5V to 5.5V input voltage range makes the LTC3448 ideally suited for single Li-Ion battery-powered applications. 100% duty cycle provides low dropout operation, extending battery life in portable systems. At moderate output load levels, PWM pulse skipping mode operation provides very low output ripple voltage for noise sensitive applications.The LTC3448 automatically switches into linear regulator operation at very low load currents to maintain <5mVP-Poutput voltage ripple. Supply current in this mode is typically 32µA. The switch to linear regulator mode occurs at a threshold of 3mA. Linear regulator operation can be set to on, off or automatic turn on/off.Switching frequency is selectable at either 1.5MHz or 2.25MHz, allowing the use of small surface mount inductors and capacitors.The internal synchronous switch increases efficiency and eliminates the need for an external Schottky diode. Low output voltages are easily supported with the 0.6V feedback reference voltage. The LTC3448 is available in a low profile 3mm × 3mm DFN package or thermally enhanced 8-lead MSOP.Protected by U.S. Patents including 5481178, 6580258, 6304066, 6127815, 6498466, 6611131. Others pending.ApplicationsCellular TelephonesPersonal Information AppliancesWireless and DSL ModemsDigital Still CamerasMP3 PlayersPortable Instruments |
LTC3450Triple Output Power Supply for Small TFT-LCD Displays | Integrated Circuits (ICs) | 1 | Active | The LTC3450 is a complete power converter solution for small thin film transistor (TFT) liquid crystal display (LCD) panels. The device operates from a single Lithium-Ion cell, 2- to 3-cell alkaline input or any voltage source between 1.5V and 4.6V.The synchronous boost converter generates a low noise, high efficiency 5.1V, 10mA supply. Internal charge pumps are used to generate 10V, 15V, and -5V, -10V or -15V. Output sequencing is controlled internally to insure proper initialization of the LCD panel.A master shutdown input reduces quiescent current to <2µA and quickly discharges each output for rapid turn off of the LCD panel. The LTC3450 is offered in a low profile (0.75mm), 3mm × 3mm 16-pin QFN package, minimizing the solution profile and footprint.ApplicationsCellular Handsets with Color DisplayHandheld InstrumentsPDA |
LTC3452Synchronous Buck-Boost MAIN/CAMERA White LED Driver | PMIC | 2 | Active | The LTC3452 is a synchronous buck-boost DC/DC converter optimized for driving two banks of white LEDs from a single Li-Ion battery input. Five parallel LEDs can be driven at up to 25mA each in the low power LED bank, while two LEDs can be driven at up to 150mA each (or a single LED at 300mA) in the high power LED bank. The regulator operates in either synchronous buck, synchronous boost or buck-boost mode, depending on input voltage and LED maximum forward voltage. Optimum efficiency is achieved by sensing which LED requires the largest forward voltage drop at its programmed current, and regulating the common output rail for lowest dropout. Efficiency of 85% can be achieved over the entire usable range of a Li-Ion battery (2.7V to 4.2V).Maximum LED current for each LED display is programmable with a single external resistor. Dual enable pins allow for PWM brightness control in the low power bank and independent on/off control for the high current bank (optimal for LED camera flash). In shutdown, the supply current is only 6.5µA.A high constant operating frequency of 1MHz allows the use of a small external inductor. The LTC3452 is offered in a low profile (0.75mm) thermally enhanced 20-lead (4mm × 4mm) QFN package.ApplicationsCell PhonesDigital CamerasPDAsPortable Devices |
LTC3453Synchronous Buck-Boost High Power White LED Driver | PMIC | 1 | Active | The LTC3453 is a synchronous buck-boost DC/DC converter optimized for driving up to 4 white LEDs at a combined current of up to 500mA from a single Li-Ion battery input. The regulator operates in either synchronous buck, synchronous boost, or buck-boost mode, depending on input voltage and LED maximum forward voltage. Optimum efficiency is achieved using a proprietary architecture that determines which LED requires the largest forward voltage drop at its programmed current, and regulates the common output rail for lowest dropout. Efficiency of 90% can be achieved over the entire usable range of a Li-Ion battery (2.7V to 4.2V).LED current is programmable to one of four levels (including shutdown) with dual current setting resistors and dual enable pins. In shutdown, the supply current is only 6µA.A high constant operating frequency of 1MHz allows the use of a small external inductor. The LTC3453 is offered in a low profile (0.75mm) thermally enhanced 16-lead (4mm x 4mm) QFN package.ApplicationsCell PhonesDigital CamerasPDAsPortable Devices |
LTC34541A Synchronous Buck-Boost High Current LED Driver | Power Management (PMIC) | 2 | Active | The LTC3454 is a synchronous buck-boost DC/DC converter optimized for driving a single high power LED at currents up to 1A from a single cell Li-Ion battery input. The regulator operates in either synchronous buck, synchronous boost, or buck-boost mode depending on input voltage and LED forward voltage. PLED/PINefficiency greater than 90% can be achieved over the entire usable range of a Li-Ion battery (2.7V to 4.2V).LED current is programmable to one of four levels, including shutdown, with dual external resistors and dual enable inputs. In shutdown no supply current is drawn.A high constant operating frequency of 1MHz allows the use of small external components.The LTC3454 is offered in a low profile (0.75mm) thermally enhanced 10-lead (3mm × 3mm) DFN package.ApplicationsCell Phone Camera FlashCell Phone Torch LightingDigital CamerasPDAsMisc Li-Ion LED Drivers |
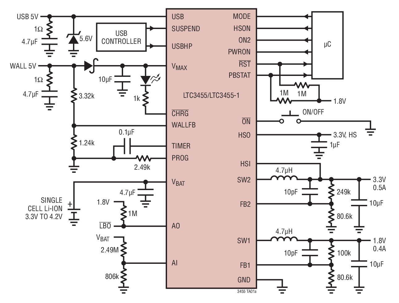
LTC3455/LTC3455-1Dual DC/DC Converter with USB Power Manager and Li-Ion Battery Charger | PMIC | 2 | LTB | The LTC3455/LTC3455-1 are complete power management solutions for a variety of portable applications. These devices contain two synchronous step-down DC/DC converters, a USB power controller, a full-featured Li-Ion battery charger, a Hot Swap output, a low-battery indicator, and numerous internal protection features. The LTC3455/LTC3455-1 provide a small, simple solution for obtaining power from three different power sources: a single-cell Li-Ion battery, a USB port, and a wall adapter. Current drawn from the USB bus is accurately limited under all conditions. Whenever a USB or a wall adapter is present, the battery charger is enabled and all internal power for the device is drawn from the appropriate external power source. All outputs are discharged to ground during shutdown to provide complete output disconnect. These devices are available in a 4mm × 4mm 24-pin exposed-pad QFN package.ApplicationsHandheld ComputersDigital CamerasMP3 Players |