A
Analog Devices
| Series | Category | # Parts | Status | Description |
|---|---|---|---|---|
| Part | Spec A | Spec B | Spec C | Spec D | Description |
|---|---|---|---|---|---|
| Series | Category | # Parts | Status | Description |
|---|---|---|---|---|
| Part | Spec A | Spec B | Spec C | Spec D | Description |
|---|---|---|---|---|---|
| Part | Category | Description |
|---|---|---|
Analog Devices ADM6713RAKSZ-REELObsolete | Integrated Circuits (ICs) | IC SUPERVISOR 1 CHANNEL SC70-4 |
Analog Devices | RF and Wireless | RF AMP SINGLE GENERAL PURPOSE RF AMPLIFIER 20GHZ 3.6V 22-PIN DIE TRAY |
Analog Devices | Integrated Circuits (ICs) | LOW NOISE, SWITCHED CAPACITOR REGULATED VOLTAGE INVERTERS |
Analog Devices | Integrated Circuits (ICs) | QUAD 16-BIT/12-BIT ±10V VOUTSOFTSPAN DACS WITH 10PPM/°C MAX REFERENCE |
Analog Devices | Integrated Circuits (ICs) | SERIAL 14-BIT, 3.5MSPS SAMPLING ADC WITH BIPOLAR INPUTS |
Analog Devices | Integrated Circuits (ICs) | ISOSPI ISOLATED COMMUNICATIONS INTERFACE |
Analog Devices | Integrated Circuits (ICs) | 4.5A, 500KHZ STEP-DOWN SWITCHING REGULATOR |
Analog Devices | Integrated Circuits (ICs) | 300 MA, LOW QUIESCENT CURRENT, ADJUSTABLE OUTPUT, CMOS LINEAR REGULATOR |
Analog Devices AD767KNObsolete | Integrated Circuits (ICs) | IC DAC 12BIT V-OUT 24DIP |
Analog Devices | Integrated Circuits (ICs) | QUAD 12-/10-/8-BIT RAIL-TO-RAIL DACS WITH 10PPM/°C REFERENCE |
| Series | Category | # Parts | Status | Description |
|---|---|---|---|---|
LTC2666Octal 16-Bit/12-Bit ±10V VOUTSoftSpan DACs with 10ppm/°C Max Reference | Evaluation Boards | 9 | Active | The LTC2666 is a family of 8-channel, 16-/12-bit ±10V digital-to-analog converters with integrated precision references. They are guaranteed monotonic and have built-in rail-to-rail output buffers. These SoftSpan™DACs offer five output ranges up to ±10V. The range of each channel is independently programmable, or the part can be hardware-configured for operation in a fixed range.The integrated 2.5V reference is buffered separately to each channel; an external reference can be used for additional range options. The LTC2666 also includes A/B toggle capability via a dedicated pin or software toggle command.The SPI/Microwire-compatible 3-wire serial interface operates on logic levels as low as 1.71V at clock rates up to 50MHz.ApplicationsOptical NetworkingInstrumentationData AcquisitionAutomatic Test EquipmentProcess Control and Industrial Automation |
LTC266816-Channel 16-/12-Bit ±10V VOUTSoftSpan DACs with 10ppm/°C Max Reference | Digital to Analog Converters (DAC) | 10 | Active | The LTC2668 is a family of 16-channel, 16-/12-bit ±10V digital-to-analog converters with integrated precision references. They are guaranteed monotonic and have built-in rail-to-rail output buffers. These SoftSpan™DACs offer five output ranges up to ±10V. The range of each channel is independently programmable, or the part can be hardware-configured for operation in a fixed range.The integrated 2.5V reference is buffered separately to each channel; an external reference can be used for additional range options. The LTC2668 also includes A/B toggle capability via a dedicated pin or software toggle command.The SPI/Microwire-compatible 3-wire serial interface operates on logic levels as low as 1.71V at clock rates up to 50MHz.ApplicationsOptical NetworkingInstrumentationData AcquisitionAutomatic Test EquipmentProcess Control and Industrial Automation |
LTC2672Five-Channel, Current Output DAC with Internal Reference and SPI | Integrated Circuits (ICs) | 4 | Active | The LTC2672 is a family of five-channel, 12-/16-bit current source, digital-to-analog converters (DACs) that provide five high compliance, current source outputs with guaranteed 0.6 V dropout at 200 mA. There are eight current ranges that are programmable per channel with full-scale outputs of up to 300 mA. The channels can be paralleled to allow either ultrafine adjustments of large currents or combined outputs of up to 1.5 A. A dedicated supply pin is provided for each output channel. Each channel can be operated from 2.1 V to VCC, and internal switches allow any output to be pulled to the optional negative supply. The LTC2672 includes a precision integrated 1.25 V reference (10 ppm/°C maximum (LFCSP) or 2.4 ppm/°C nominal (WLCSP)), with the option to use an external reference. The serial peripheral interface (SPI)-compatible, 3‑wire serial interface operates on logic levels as low as 1.71 V and at clock rates as high as 50 MHz.Note that throughout this data sheet, multifunction pins, such asCS/LD, are referred to by the entire pin name or by a single function of the pin.APPLICATIONSTunable lasersSemiconductor optical amplifier biasingResistive heatersCurrent mode biasing |
LTC26868-Channel, 12-/16-Bit Voltage Output SoftSpan DAC | Integrated Circuits (ICs) | 5 | Active | The LTC2686 is an 8-channel, 12-/16-bit, ±15 V digital-to-analog converter (DAC) with an integrated precision reference. The LTC2686 is guaranteed monotonic and has built in rail-to-rail output buffers that can source or sink up to 55 mA. This SoftSpan™DAC offers five output ranges up to ±15 V. The range of each channel is independently programmable.The internal 4.096 V precision reference sets the accuracy of the output voltage. An external reference can be used for additional range options. Three toggle pins support Input Register A and Input Register B toggle or sinusoidal dither at multiple frequencies. An analog multiplexer simplifies measurement of pin voltages, load currents, and junction temperature.Programmable offset and gain registers improve the accuracy of the DAC outputs.The serial peripheral interface (SPI) and MICROWIRE™-compatible, 3-wire serial interface operates on logic levels as low as 1.71 V and clock rates up to 50 MHz.APPLICATIONSOptical networkingInstrumentationData acquisitionAutomatic test equipmentProcess control and industrial automation |
LTC268816-Channel, 12-/16-Bit Voltage Output SoftSpan DAC | Digital to Analog Converters (DAC) | 7 | Active | The LTC2688 is a 16-channel,12-/16-bit, ±15 V digital-to-analog converter (DAC) with an integrated precision reference. The LTC2688 is guaranteed monotonic and has built in rail-to-rail output buffers that can source or sink up to 20 mA. This SoftSpan™DAC offers five output ranges up to ±15 V. The range of each channel is independently programmable.The internal 4.096 V precision reference sets the accuracy of the output voltage. An external reference can be used for additional range options. Three toggle pins support Input Register A and Input Register B toggle or sinusoidal dither at multiple frequencies. An analog multiplexer simplifies measurement of pin voltages, load currents, and junction temperature.Programmable offset and gain registers improve the accuracy of the DAC outputs.The serial peripheral interface (SPI) and MICROWIRE™-compatible, 3-wire serial interface operates on logic levels as low as 1.71 V and clock rates up to 50 MHz.APPLICATIONSOptical networkingInstrumentationData acquisitionAutomatic test equipmentProcess control and industrial automation |
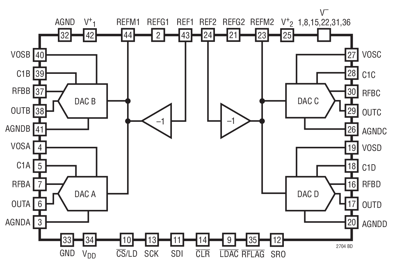
LTC2704Quad 12-, 14- and 16-Bit Voltage Output SoftSpan DACs with Readback | Digital to Analog Converters (DAC) | 8 | Active | The LTC2704-16/LTC2704-14/LTC2704-12 are serial input, 12-, 14- or 16-bit, voltage output SoftSpan™DACs that operate from 3V to 5V logic and ±5V to ±15V analog supplies. SoftSpan offers six output spans—two unipolar and four bipolar—fully programmable through the 3-wire SPI serial interface. INL is accurate to 1LSB (2LSB for the LTC2704-16). DNL is accurate to 1LSB for all versions.Readback commands allow verification of any on-chip register in just one 24- or 32- bit instruction cycle. All other commands produce a "rolling readback" response from the LTC2704, dramatically reducing the needed number of instruction cycles.A Sleep command allows any combination of DACs to be powered down. There is also a reset flag and an offset adjustment pin for each channel.ApplicationsProcess Control and Industrial AutomationDirect Digital Waveform GenerationSoftware Controlled Gain AdjustmentAutomated Test Equipment |
LTC2751Current Output 12-/14-/16-Bit SoftSpan DACs with Parallel I/O | Data Acquisition | 7 | Active | The LTC2751 is a family of 12-, 14-, and 16-bit multiplying parallel-input, current-output DACs. They operate from a single 2.7V to 5.5V supply. All parts are guaranteed monotonic over temperature. The LTC2751A-16 provides 16-bit performance (±1LSB INL and DNL) overtemperature without any adjustments. These SoftSpan™DACs offer six output ranges — two unipolar and four bipolar — that can be programmed through the parallel interface, or pin strapped for operation in a single range.These parts use a bidirectional input/output parallel interface that allows read back of any on-chip register. A power-on circuit resets the DAC output to 0V when power is initially applied. A logic low on theCLRpin asynchronously clears the DAC to 0V in any output range.The parts are specified over commercial and industrial temperature ranges.ApplicationsHigh Resolution Offset and Gain AdjustmentProcess Control and Industrial AutomationAutomatic Test EquipmentData Acquisition Systems |
LTC2752Dual 16-Bit Soft-Span IOUTDACs | Integrated Circuits (ICs) | 2 | Active | The LTC2752 is a dual 16-bit multiplying serial-input, current-output digital-to-analog converter. It operates from a single 3V to 5V supply and is guaranteed monotonic over temperature. The LTC2752A provides full 16-bit performance (±1LSB INL and DNL, max) over temperature without any adjustments. This SoftSpan™DAC offers six output ranges (up to ±10V) that can be programmed through the 3-wire SPI serial interface, or pinstrapped for operation in a single range.Any on-chip register (including DAC output-range settings) can be read for verification in just one instruction cycle; and if you change register content, the altered register will be automatically read back during the next instruction cycle.Voltage-controlled offset and gain adjustments are also provided; and the power-on reset circuit andCLRpin both reset the DAC outputs to 0V regardless of output range.ApplicationsHigh Resolution Offset and Gain AdjustmentProcess Control and Industrial AutomationAutomatic Test EquipmentData Acquisition Systems |
LTC2753Dual Current Output 12-/14-/16-Bit SoftSpan DACs with Parallel I/O | Data Acquisition | 8 | Active | The LTC2753 is a family of dual 12-, 14-, and 16-bit multiplying parallel-input, current-output DACs. These DACs operate from a single 2.7V to 5.5V supply and are all guaranteed monotonic over temperature. The LTC2753A-16 provides 16-bit performance (±1LSB INL and DNL) over temperature without any adjustments. These SoftSpan™DACs offer six output ranges—two unipolar and four bipolar—that can be programmed through the parallel interface, or pinstrapped for operation in a single range.The LTC2753 DACs use a bidirectional input/output parallel interface that allows readback of any on-chip register. A power-on reset circuit resets the DAC outputs to 0V when power is initially applied. A logic low on theCLRpin asynchronously clears the DACs to 0V in any output range.The parts are specified over commercial and industrial temperature ranges.ApplicationsHigh Resolution Offset and Gain AdjustmentProcess Control and Industrial AutomationAutomatic Test EquipmentData Acquisition Systems |
LTC2754-12Quad 12-/16-Bit SoftSpan IOUTDACs | Data Acquisition | 7 | Active | The LTC2754 is a family of quad 12- and 16-bit multiplying serial-input, current-output digital-to-analog converters. They operate from a single 3V to 5V supply and are guaranteed monotonic over temperature. The LTC2754A-16 provides full 16-bit performance (±1LSB INL and DNL, max) over temperature without any adjustments. These SoftSpan™DACs offer six output ranges (up to ±10V) that can be programmed through the 3-wire SPI serial interface, or pinstrapped for operation in a single range.The content of any on-chip register (including DAC output- range settings) can be verified in just one instruction cycle; and if you change any register, that register will be automatically read back during the next instruction cycle.Voltage-controlled offset and gain adjustments are also provided; and the power-on reset circuit andCLRpin both reset the DAC outputs to 0V regardless of output range.ApplicationsHigh Resolution Offset and Gain AdjustmentProcess Control and Industrial AutomationAutomatic Test EquipmentData Acquisition Systems |