A
Analog Devices
| Series | Category | # Parts | Status | Description |
|---|---|---|---|---|
| Part | Spec A | Spec B | Spec C | Spec D | Description |
|---|---|---|---|---|---|
| Series | Category | # Parts | Status | Description |
|---|---|---|---|---|
| Part | Spec A | Spec B | Spec C | Spec D | Description |
|---|---|---|---|---|---|
| Part | Category | Description |
|---|---|---|
Analog Devices ADM6713RAKSZ-REELObsolete | Integrated Circuits (ICs) | IC SUPERVISOR 1 CHANNEL SC70-4 |
Analog Devices | RF and Wireless | RF AMP SINGLE GENERAL PURPOSE RF AMPLIFIER 20GHZ 3.6V 22-PIN DIE TRAY |
Analog Devices | Integrated Circuits (ICs) | LOW NOISE, SWITCHED CAPACITOR REGULATED VOLTAGE INVERTERS |
Analog Devices | Integrated Circuits (ICs) | QUAD 16-BIT/12-BIT ±10V VOUTSOFTSPAN DACS WITH 10PPM/°C MAX REFERENCE |
Analog Devices | Integrated Circuits (ICs) | SERIAL 14-BIT, 3.5MSPS SAMPLING ADC WITH BIPOLAR INPUTS |
Analog Devices | Integrated Circuits (ICs) | ISOSPI ISOLATED COMMUNICATIONS INTERFACE |
Analog Devices | Integrated Circuits (ICs) | 4.5A, 500KHZ STEP-DOWN SWITCHING REGULATOR |
Analog Devices | Integrated Circuits (ICs) | 300 MA, LOW QUIESCENT CURRENT, ADJUSTABLE OUTPUT, CMOS LINEAR REGULATOR |
Analog Devices AD767KNObsolete | Integrated Circuits (ICs) | IC DAC 12BIT V-OUT 24DIP |
Analog Devices | Integrated Circuits (ICs) | QUAD 12-/10-/8-BIT RAIL-TO-RAIL DACS WITH 10PPM/°C REFERENCE |
| Series | Category | # Parts | Status | Description |
|---|---|---|---|---|
| Interface | 2 | Obsolete | ||
| Interface | 1 | Obsolete | ||
| Sensor and Detector Interfaces | 2 | Obsolete | ||
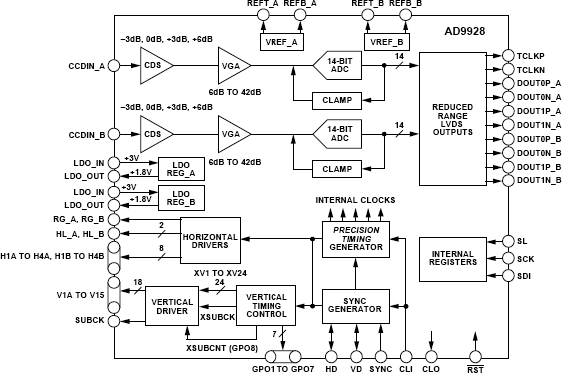
AD9928Dual Channel 14-Bit CCD Signal Processor with V-Driver andPrecision TimingGenerator | Linear | 1 | Active | The AD9928 is a highly integrated CCD signal processor for digital still camera applications. It includes a dual analog front end with analog-to-digital conversion, combined with a full-function programmable timing generator and 18-channel vertical driver (V-driver) for a 2-channel output CCD. The timing generator is capable of supporting up to 24 vertical clock signals internally, and the on-chip V-driver supports up to 18 high voltage outputs. APrecision Timing™ core allows adjustment of high speed clocks with approximately 390 ps resolution at 40 MHz operation. The AD9928 also contains eight general-purpose outputs, which can be used for shutter and system functions.Each analog front end includes black level clamping, CDS, VGA, and a 14-bit ADC. The timing generator provides all the necessary CCD clocks: RG, H-clocks, V-clocks, sensor gate pulses, substrate clock, and substrate bias control.The AD9928 is specified over an operating temperature range of –25°C to +85°C.APPLICATIONSDigital still camerasMedical imagingIndustrial cameras |
| Integrated Circuits (ICs) | 2 | Obsolete | ||
AD9941Complete 14-Bit, 56 MSPS Imaging Signal Processor | Integrated Circuits (ICs) | 1 | Active | The AD9941 is a complete analog signal processor for imaging applications that do not require correlated double sampling (CDS). It is also suitable for processing the output signal from the AD9940 CDS front end product. It features a 56 MHz, single-channel architecture designed to sample and condition the output of CMOS imagers and CCD arrays already containing on-chip CDS. The AD9941 signal chain consists of a differential input sample-and-hold amplifier (SHA), a digitally controlled variable gain amplifier (VGA), a black level clamp, and a 14-bit ADC.The internal registers are programmed through a 3-wire serial digital interface.The AD9941 operates from a single 3 V supply, typically dissipates 145 mW, and is packaged in a 48-lead LQFP.APPLICATIONSDigital still cameras using CMOS imagersProfessional HDTV camcordersProfessional/high-end digital camerasBroadcast cameras |
AD9942Dual-Channel, 14-Bit CCD Signal Processor withPrecision Timing™ Core | Specialized ICs | 1 | Obsolete | The AD9942 is a highly integrated dual-channel CCD signal processor for digital still camera applications. Each channel is specified at pixel rates of up to 40 MHz. The AD9942 consists of a complete analog front end with analog-to-digital conversion, combined with a programmable timing driver. ThePrecision Timing™ Core allows high speed clocks to be adjusted with 550 ps resolution.The analog front end uses black level clamping, and includes a VGA, a 40 MSPS ADC, and a CDS. The timing driver provides the high speed CCD clock drivers for RG_A, RG_B, as well as the H1A to H4A and H1B to H4B outputs. The 6-wire serial interface is used to program the AD9942.Available in a space-saving, 9 mm x 9 mm, CSP_BGA package, the AD9942 is specified over an operating temperature range of −25°C to +85°C.ApplicationsSignal processor for dual-channel CCD outputsDigital still camerasDigital video camerasHigh speed digital imaging applications |
AD9943Complete 10-Bit, 25 MHz CCD Signal Processor | Integrated Circuits (ICs) | 1 | Obsolete | The AD9943 / AD9944 are complete analog signal processors for CCD applications. They feature a 25 MHz single-channel architecture designed to sample and condition the outputs of interlaced and progressive scan area CCD arrays. The AD9943 / AD9944’s signal chain consists of a correlated double sampler (CDS), a digitally controlled variable gain amplifier (VGA), and a black level clamp. The AD9943 offers 10-bit ADC resolution, while the AD9944 contains a true 12-bit ADC.The internal registers are programmed through a 3-wire serial digital interface. Programmable features include gain adjustment, black level adjustment, input clock polarity, and power-down modes.The AD9943 / AD9944 operate from a single 3 V power supply, typically dissipate 79 mW, and are packaged in a space-saving 32-lead LFCSP. |
AD9944Complete 12-Bit, 25 MHz CCD Signal Processor | Sensor and Detector Interfaces | 1 | LTB | TheAD9943/ AD9944 are complete analog signal processors for CCD applications. They feature a 25 MHz single-channel architecture designed to sample and condition the outputs of interlaced and progressive scan area CCD arrays. The AD9943 / AD9944’s signal chain consists of a correlated double sampler (CDS), a digitally controlled variable gain amplifier (VGA), and a black level clamp. The AD9943 offers 10-bit ADC resolution, while the AD9944 contains a true 12-bit ADC.The internal registers are programmed through a 3-wire serial digital interface. Programmable features include gain adjustment, black level adjustment, input clock polarity, and power-down modes.The AD9943 / AD9944 operate from a single 3 V power supply, typically dissipate 79 mW, and are packaged in a space-saving 32-lead LFCSP.APPLICATIONSDigital still camerasDigital video camcordersPC camerasPortable CCD imaging devicesCCTV cameras |
| Integrated Circuits (ICs) | 2 | Active | ||