A
Analog Devices
| Series | Category | # Parts | Status | Description |
|---|---|---|---|---|
| Part | Spec A | Spec B | Spec C | Spec D | Description |
|---|---|---|---|---|---|
| Series | Category | # Parts | Status | Description |
|---|---|---|---|---|
| Part | Spec A | Spec B | Spec C | Spec D | Description |
|---|---|---|---|---|---|
| Series | Category | # Parts | Status | Description |
|---|---|---|---|---|
AD8479Very High Common-Mode Voltage Precision Difference Amplifier | Linear | 5 | Active | The AD8479 is a difference amplifier with a very high input common-mode voltage range. The AD8479 is a precision device that allows the user to accurately measure differential signals in the presence of high common-mode voltages up to ±600 V.The AD8479 can replace costly isolation amplifiers in applications that do not require galvanic isolation. The device operates over a ±600 V common-mode voltage range and has inputs that are protected from common-mode or differential mode transients up to ±600 V.The AD8479 has low offset voltage, low offset voltage drift, low gain drift, low common-mode rejection drift, and excellent common-mode rejection ratio (CMRR) over a wide frequency range.The AD8479 is available in a space-saving 8-lead SOIC package and is operational over the −40°C to +125°C temperature range.ApplicationsHigh voltage current sensingBattery cell voltage monitorsPower supply current monitorsMotor controlsIsolation |
AD848High Speed, Low Power Monolithic Op Amps 5 Stable | Instrumentation, Op Amps, Buffer Amps | 6 | Active | The AD848 and AD849 are high speed, low power monolithic operational amplifiers. The AD848 is internally compensated so that it is stable for closed loop gains of 5 or greater. The AD849 is fully decompensated and is stable at gains greater than 24. The AD848 and AD849 achieve their combination of fast ac and good dc performance by utilizing Analog Devices' junction isolated complementary bipolar (CB) process. This process enables these op amps to achieve their high speed while only requiring 4.8 mA of current from the power supplies.The AD848 and AD849 are members of Analog Devices' family of high speed op amps. This family includes, among others, the AD847 which is unity gain stable, with a gain bandwidth of 50 MHz. For more demanding applications, the AD840, AD841 and AD842 offer even greater precision and greater output current drive.The AD848 and AD849 have good dc performance. When operating with ±5 V supplies, they offer open loop gains of 13 V/mV (AD848 with a 500 Ohm load) and low input offset voltage of 1 mV maximum. Common-mode rejection is a minimum of 92 dB. Output voltage swing is ±3 V even into loads as low as 150 Ohm. |
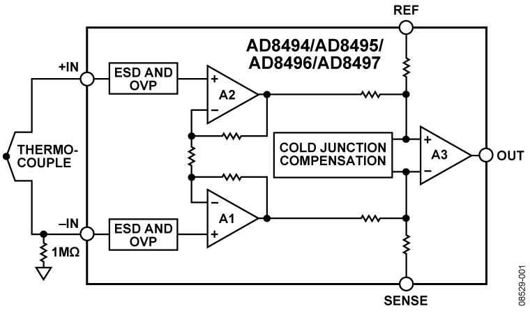
AD8495Full K-Type Range 0° to 50° Thermocouple Amplifier w/Cold Junction Compensation | Op Amp Evaluation Boards | 2 | Active | TheAD8494/AD8495/AD8496/AD8497are precision instrumentation amplifiers with thermocouple cold junction compensators on an integrated circuit. They produce a high level (5 mV/°C) output directly from a thermocouple signal by combining an ice point reference with a precalibrated amplifier. They can be used as standalone thermometers or as switched output setpoint controllers using either a fixed or remote setpoint control.The AD8494/AD8495/AD8496/AD8497 can be powered from a single-ended supply (less than 3 V) and can measure temperatures below 0°C by offsetting the reference input. To minimize self-heating, an unloaded AD849x typically operates with a total supply current of 180 μA, but it is also capable of delivering in excess of ±5 mA to a load.The AD8494 and AD8496 are precalibrated by laser wafer trimming to match the characteristics of J type (iron-constantan) thermocouples; the AD8495 and AD8497 are laser trimmed to match the characteristics of K type (chromel-alumel) thermo-couples. See Table 1 on the data sheet for the optimized ambient temperature range of each part.The AD8494/AD8495/AD8496/AD8497 allow a wide variety of supply voltages. With a 5 V single supply, the 5 mV/°C output allows the devices to cover nearly 1000 degrees of a thermo-couple’s temperature range.The AD8494/AD8495/AD8496/AD8497 work with 3 V supplies, allowing them to interface directly to lower supply ADCs. They can also work with supplies as large as 36 V in industrial systems that require a wide common-mode input range.Product HighlightsComplete, precision laser wafer trimmed thermocouple signal conditioning system in a single IC package.Flexible pinout provides for operation as a setpoint controller or as a standalone Celsius thermometer.Rugged inputs withstand 4 kV ESD and provide over-voltage protection (OVP) up to VS ± 25 V.Differential inputs reject common-mode noise on the thermocouple leads.Reference pin voltage can be offset to measure 0°C on single supplies.Available in a small, 8-lead MSOP that is fully RoHS compliant.ApplicationsK type thermocouple temperature measurementSetpoint controllerCelsius thermometerUniversal cold junction compensatorWhite goods (oven, stove top) temperature measurementsExhaust gas temperature sensingCatalytic converter temperature sensingdiv#landing_page_sec ul { padding:0 0 15px 10px; margin:0px; } div#landing_page_sec li { padding:3px 0 2px 20px; margin:0px; list-style:none; background:url(/static/imported-files/embedded_html/images/li_img.gif) no-repeat 7px 9px; display:block; color:#000000; font-family: Arial, Helvetica, sans-serif; } |
AD8496Full J-Type Range 25° to 100° Thermocouple Amplifier w/Cold Junction Compensation | Development Boards, Kits, Programmers | 5 | Active | TheAD8494/AD8495/AD8496/AD8497are precision instrumentation amplifiers with thermocouple cold junction compensators on an integrated circuit. They produce a high level (5 mV/°C) output directly from a thermocouple signal by combining an ice point reference with a precalibrated amplifier. They can be used as standalone thermometers or as switched output setpoint controllers using either a fixed or remote setpoint control.The AD8494/AD8495/AD8496/AD8497 can be powered from a single-ended supply (less than 3 V) and can measure temperatures below 0°C by offsetting the reference input. To minimize self-heating, an unloaded AD849x typically operates with a total supply current of 180 μA, but it is also capable of delivering in excess of ±5 mA to a load.The AD8494 and AD8496 are precalibrated by laser wafer trimming to match the characteristics of J type (iron-constantan) thermocouples; the AD8495 and AD8497 are laser trimmed to match the characteristics of K type (chromel-alumel) thermo-couples. See Table 1 on the data sheet for the optimized ambient temperature range of each part.The AD8494/AD8495/AD8496/AD8497 allow a wide variety of supply voltages. With a 5 V single supply, the 5 mV/°C output allows the devices to cover nearly 1000 degrees of a thermo-couple’s temperature range.The AD8494/AD8495/AD8496/AD8497 work with 3 V supplies, allowing them to interface directly to lower supply ADCs. They can also work with supplies as large as 36 V in industrial systems that require a wide common-mode input range.Product HighlightsComplete, precision laser wafer trimmed thermocouple signal conditioning system in a single IC package.Flexible pinout provides for operation as a setpoint controller or as a standalone Celsius thermometer.Rugged inputs withstand 4 kV ESD and provide over-voltage protection (OVP) up to VS ± 25 V.Differential inputs reject common-mode noise on the thermocouple leads.Reference pin voltage can be offset to measure 0°C on single supplies.Available in a small, 8-lead MSOP that is fully RoHS compliant.ApplicationsJ type thermocouple temperature measurementSetpoint controllerCelsius thermometerUniversal cold junction compensatorWhite goods (oven, stove top) temperature measurementsExhaust gas temperature sensingCatalytic converter temperature sensingdiv#landing_page_sec ul { padding:0 0 15px 10px; margin:0px; } div#landing_page_sec li { padding:3px 0 2px 20px; margin:0px; list-style:none; background:url(/static/imported-files/embedded_html/images/li_img.gif) no-repeat 7px 9px; display:block; color:#000000; font-family: Arial, Helvetica, sans-serif; } |
AD8497Full K-Type Range 25° to 100° Thermocouple Amplifier w/Cold Junction Compensation | Op Amp Evaluation Boards | 4 | Active | TheAD8494/AD8495/AD8496/AD8497 are precision instrumentation amplifiers with thermocouple cold junction compensators on an integrated circuit. They produce a high level (5 mV/°C) output directly from a thermocouple signal by combining an ice point reference with a precalibrated amplifier. They can be used as standalone thermometers or as switched output setpoint controllers using either a fixed or remote setpoint control.The AD8494/AD8495/AD8496/AD8497 can be powered from a single-ended supply (less than 3 V) and can measure temperatures below 0°C by offsetting the reference input. To minimize self-heating, an unloaded AD849x typically operates with a total supply current of 180 μA, but it is also capable of delivering in excess of ±5 mA to a load.The AD8494 and AD8496 are precalibrated by laser wafer trimming to match the characteristics of J type (iron-constantan) thermocouples; the AD8495 and AD8497 are laser trimmed to match the characteristics of K type (chromel-alumel) thermo-couples. See Table 1 on the data sheet for the optimized ambient temperature range of each part.The AD8494/AD8495/AD8496/AD8497 allow a wide variety of supply voltages. With a 5 V single supply, the 5 mV/°C output allows the devices to cover nearly 1000 degrees of a thermo-couple’s temperature range.The AD8494/AD8495/AD8496/AD8497 work with 3 V supplies, allowing them to interface directly to lower supply ADCs. They can also work with supplies as large as 36 V in industrial systems that require a wide common-mode input range.Product HighlightsComplete, precision laser wafer trimmed thermocouple signal conditioning system in a single IC package.Flexible pinout provides for operation as a setpoint controller or as a standalone Celsius thermometer.Rugged inputs withstand 4 kV ESD and provide over-voltage protection (OVP) up to VS ± 25 V.Differential inputs reject common-mode noise on the thermocouple leads.Reference pin voltage can be offset to measure 0°C on single supplies.Available in a small, 8-lead MSOP that is fully RoHS compliant.div#landing_page_sec ul { padding:0 0 15px 10px; margin:0px; } div#landing_page_sec li { padding:3px 0 2px 20px; margin:0px; list-style:none; background:url(/static/imported-files/embedded_html/images/li_img.gif) no-repeat 7px 9px; display:block; color:#000000; font-family: Arial, Helvetica, sans-serif; }ApplicationsK type thermocouple temperature measurementSetpoint controllerCelsius thermometerUniversal cold junction compensatorWhite goods (oven, stove top) temperature measurementsExhaust gas temperature sensingCatalytic converter temperature sensing |
AD8500Micropower Precision CMOS Operational Amplifier | Amplifiers | 2 | Active | The AD8500 is a low power, precision CMOS op amp featuring a maximum supply current of 1 μA. The AD8500 has a maximum offset voltage of 1 mV and a typical input bias current of 1 pA, and it operates rail-to-rail on both the input and output. The AD8500 can operate from a single-supply voltage of +1.8 V to +5.5 V or a dual-supply voltage of ±0.9 V to ±2.75 V.With its low power consumption, low input bias current, and rail-to-rail input and output, the AD8500 is ideally suited for a variety of battery-powered portable applications. Potential applications include ECGs, pulse monitors, glucose meters, smoke and fire detectors, vibration monitors, and backup battery sensors.The ability to swing rail-to-rail at both the input and output helps maximize dynamic range and signal-to-noise ratio in systems that operate at very low voltages. The low offset voltage allows the AD8500 to be used in systems with high gain without having excessively large output offset errors, and it provides high accuracy without the need for system calibration.The AD8500 is fully specified over the industrial temperature range (−40°C to +85°C) and is operational over the extended industrial temperature range (−40°C to +125°C). It is available in a 5-lead, SC70 surface-mount package.ApplicationsPortable EquipmentRemote SensorsLow Power FiltersThreshold DetectorsCurrent Sensing |
| Linear | 2 | Active | ||
AD85041 µA Micropower CMOS Operational Amplifier | Linear | 2 | Active | TheAD8502/AD8504 are low power, precision CMOS operational amplifiers featuring a maximum supply current of 1 μA per amplifier. The AD8502/AD8504 have a maximum offset voltage of 3 mV and a typical input bias current of 1 pA operating rail-to-rail on both the input and output. The AD8502/AD8504 can operate from a single-supply voltage of +1.8 V to +5.5 V or a dual-supply voltage of ±0.9 V to ±2.75 V.With its low power consumption, low input bias current, and rail-to-rail input and output, the AD8502/AD8504 are ideally suited for a variety of battery-powered portable applications. Potential applications include bedside monitors, pulse monitors, glucose meters, smoke and fire detectors, vibration monitors, and backup battery sensors.The ability to swing rail-to-rail at both the input and output helps maximize dynamic range and signal-to-noise ratio in systems that operate at very low voltages. The low offset voltage allows use of the AD8502/AD8504 in systems with high gain without creating excessively large output offset errors. The AD8502 and AD8504 offer an additional benefit by providing high accuracy without the need for system calibration.The AD8502/AD8504 are fully specified over the industrial temperature range (−40°C to +85°C) and the extended industrial temperature range (−40°C to +125°C). The AD8502 is available in an 8-lead, SOT-23 surface-mount package. The AD8504 is available in a 14-lead TSSOP surface-mount package.ApplicationsPortable equipmentRemote sensorsLow power filtersThreshold detectorsCurrent sensing |
AD850520 µA Maximum, RRIO, Zero Input Crossover Distortion Single Op Amp | Amplifiers | 3 | Active | The AD8505/AD8506/AD8508 are single, dual, and quad micro-power amplifiers featuring rail-to-rail input/output swings while operating from a single 1.8 V to 5 V power supply or from dual ±0.9 V to ±2.5 V power supplies. Using a new circuit technology, these amplifiers offer zero input crossover distortion (excellent PSRR and CMRR performance) and low bias current while operating with a supply current of less than 20 μA per amplifier. This amplifier family offers the lowest noise in its power class.This combination of features makes the AD8505/AD8506/AD8508 amplifiers ideal choices for battery-powered applications because they minimize errors due to power supply voltage variations over the lifetime of the battery and maintain high CMRR even for a rail-to-rail input op amp. Remote battery-powered sensors, handheld instrumentation, consumer equipment, hazard detection (for example, smoke, fire, and gas), and patient monitors can benefit from the features of the AD8505/AD8506/AD8508 amplifiers.The AD8505/AD8506/AD8508 are specified for both the industrial temperature range of −40°C to +85°C and the extended industrial temperature range of −40°C to +125°C. The AD8505 single ampli-fier is available in a tiny 5-lead SOT-23 package. The AD8506 dual amplifier is available in 8-lead MSOP and 8-ball WLCSP packages. The AD8508 quad amplifier is available in 14-lead TSSOP and 14-ball WLCSP packages. The AD8505/AD8506/AD8508 are members of a growing series of zero crossover distortion op amps offered by Analog Devices, Inc., including the ADA4505-1/ ADA4505-2/ADA4505-4, that operate from a single 1.8 V to 5 V supply or from dual ±0.9 V to ±2.5 V power supplies.ApplicationsPressure and position sensorsRemote securityBio sensorsIR thermometersBattery-powered consumer equipmentHazard detectors |
AD850820 µA Maximum, RRIO, Zero Input Crossover Distortion Quad Op Amp | Integrated Circuits (ICs) | 3 | Active | The AD8505/AD8506/AD8508 are single, dual, and quad micro-power amplifiers featuring rail-to-rail input/output swings while operating from a single 1.8 V to 5 V power supply or from dual ±0.9 V to ±2.5 V power supplies. Using a new circuit technology, these amplifiers offer zero input crossover distortion (excellent PSRR and CMRR performance) and low bias current while operating with a supply current of less than 20 μA per amplifier. This amplifier family offers the lowest noise in its power class.This combination of features makes the AD8505/AD8506/AD8508 amplifiers ideal choices for battery-powered applications because they minimize errors due to power supply voltage variations over the lifetime of the battery and maintain high CMRR even for a rail-to-rail input op amp. Remote battery-powered sensors, handheld instrumentation, consumer equipment, hazard detection (for example, smoke, fire, and gas), and patient monitors can benefit from the features of the AD8505/AD8506/AD8508 amplifiers.The AD8505/AD8506/AD8508 are specified for both the industrial temperature range of −40°C to +85°C and the extended industrial temperature range of −40°C to +125°C. The AD8505 single ampli-fier is available in a tiny 5-lead SOT-23 package. The AD8506 dual amplifier is available in 8-lead MSOP and 8-ball WLCSP packages. The AD8508 quad amplifier is available in 14-lead TSSOP and 14-ball WLCSP packages. The AD8505/AD8506/AD8508 are members of a growing series of zero crossover distortion op amps offered by Analog Devices, Inc., including the ADA4505-1/ ADA4505-2/ADA4505-4, that operate from a single 1.8 V to 5 V supply or from dual ±0.9 V to ±2.5 V power supplies.ApplicationsPressure and position sensorsRemote securityBio sensorsIR thermometersBattery-powered consumer equipmentHazard detectors |
| Part | Category | Description |
|---|---|---|
Analog Devices ADM6713RAKSZ-REELObsolete | Integrated Circuits (ICs) | IC SUPERVISOR 1 CHANNEL SC70-4 |
Analog Devices | RF and Wireless | RF AMP SINGLE GENERAL PURPOSE RF AMPLIFIER 20GHZ 3.6V 22-PIN DIE TRAY |
Analog Devices | Integrated Circuits (ICs) | LOW NOISE, SWITCHED CAPACITOR REGULATED VOLTAGE INVERTERS |
Analog Devices | Integrated Circuits (ICs) | QUAD 16-BIT/12-BIT ±10V VOUTSOFTSPAN DACS WITH 10PPM/°C MAX REFERENCE |
Analog Devices | Integrated Circuits (ICs) | SERIAL 14-BIT, 3.5MSPS SAMPLING ADC WITH BIPOLAR INPUTS |
Analog Devices | Integrated Circuits (ICs) | ISOSPI ISOLATED COMMUNICATIONS INTERFACE |
Analog Devices | Integrated Circuits (ICs) | 4.5A, 500KHZ STEP-DOWN SWITCHING REGULATOR |
Analog Devices | Integrated Circuits (ICs) | 300 MA, LOW QUIESCENT CURRENT, ADJUSTABLE OUTPUT, CMOS LINEAR REGULATOR |
Analog Devices AD767KNObsolete | Integrated Circuits (ICs) | IC DAC 12BIT V-OUT 24DIP |
Analog Devices | Integrated Circuits (ICs) | QUAD 12-/10-/8-BIT RAIL-TO-RAIL DACS WITH 10PPM/°C REFERENCE |