A
Analog Devices Inc./Maxim Integrated
| Series | Category | # Parts | Status | Description |
|---|---|---|---|---|
| Part | Spec A | Spec B | Spec C | Spec D | Description |
|---|---|---|---|---|---|
| Series | Category | # Parts | Status | Description |
|---|---|---|---|---|
| Part | Spec A | Spec B | Spec C | Spec D | Description |
|---|---|---|---|---|---|
| Part | Category | Description |
|---|---|---|
Analog Devices Inc./Maxim Integrated LTC1879EGN#TRUnknown | Integrated Circuits (ICs) | IC REG BUCK ADJ 1.2A 16SSOP |
Analog Devices Inc./Maxim Integrated LTC2208CUP#TRUnknown | Integrated Circuits (ICs) | IC ADC 16BIT 130MSPS 64-QFN |
Analog Devices Inc./Maxim Integrated ADP2108ACBZ-1.1-R7Obsolete | Integrated Circuits (ICs) | IC REG BUCK 1.1V 600MA 5WLCSP |
Analog Devices Inc./Maxim Integrated EV1HMC832ALP6GObsolete | Development Boards Kits Programmers | EVAL BOARD FOR HMC832ALP6GE |
Analog Devices Inc./Maxim Integrated LTC488ISWUnknown | Integrated Circuits (ICs) | IC LINE RCVR RS485 QUAD 16-SOIC |
Analog Devices Inc./Maxim Integrated LTC6946IUFD-2Obsolete | Integrated Circuits (ICs) | IC CLK/FREQ SYNTH 28QFN |
Analog Devices Inc./Maxim Integrated MAX5556ESA+TObsolete | Integrated Circuits (ICs) | IC DAC/AUDIO 16BIT 50K 8SOIC |
Analog Devices Inc./Maxim Integrated EVAL-FLTR-LD-1RZUnknown | Unclassified | EVAL BRD FOR AD800 SERIES |
Analog Devices Inc./Maxim Integrated | Development Boards Kits Programmers | BOARD EVAL FOR AD9963 |
Analog Devices Inc./Maxim Integrated LTC1296CCSW#TRUnknown | Integrated Circuits (ICs) | IC DATA ACQ SYS 12BIT 5V 20SOIC |
| Series | Category | # Parts | Status | Description |
|---|---|---|---|---|
LTC3523Synchronous 600mA Step-Up and 400mA Step-Down DC/DC Converters | PMIC | 4 | Active | The LTC3523/LTC3523-2 combine a 600mA step-up DC/DC converter with a 400mA synchronous step-down DC/DC converter in a tiny 3mm × 3mm package. The 1.2MHz/2.4MHz switching frequencies minimize the solution footprint while maintaining high efficiency. Both converters feature soft-start and internal compensation, simplifying the design.Both the step-up and step-down converters are current mode controlled and utilize an internal synchronous rectifier for high efficiency. The step-up supports 0% duty cycle operation and the step-down converter supports 100% duty cycle operation to extend battery run time. If the MODE pin is held high, both converters automatically transition between Burst Mode operation and PWM operation improving light load efficiency. Fixed, low noise 1.2MHz/2.4MHz PWM operation is selected when MODE is grounded.The LTC3523/LTC3523-2 provide a sub-2μA shutdown mode, overtemperature shutdown and current limit protection on both converters. The LTC3523/LTC3523-2 are housed in a 16-lead 3mm × 3mm × 0.75mm QFN package.ApplicationsDigital CamerasMedical InstrumentsIndustrial HandheldsGPS Navigators |
| Integrated Circuits (ICs) | 2 | Active | ||
LTC3525400mA Micropower Synchronous Step-Up DC/DC Converter with Output Disconnect | PMIC | 17 | Active | The LTC3525D-3.3 is a high efficiency synchronous stepup DC/DC converter that can start up with an input as low as 0.85V. It offers a compact, high efficiency alternative to charge pumps in single cell or dual cell alkaline or Li-Ion applications. Only three small external components are required. The LTC3525D features a fixed output voltage of 3.3V. In shutdown, VOUTis connected to VINthrough the inductor.The device includes a 0.5Ω N-channel MOSFET switch and a 0.8Ω P-channel synchronous rectifier. Peak switch current ranges from 150mA to 400mA, depending on load, providing enhanced efficiency. Quiescent current is an ultralow 7μA, maximizing battery life in portable applications.Other features include anti-ringing control and thermal shutdown. The LTC3525D is available in a tiny 6-Lead SC70 package.List of LTC3525 OptionsPART NAMEINPUT START-UP VOLTAGEOUTPUT VOLTAGEVOUT STATUS IN SHUTDOWN MODELTC3525-30.85V3VOutput DisconnectLTC3525-3.30.85V3.3VOutput DisconnectLTC3525-50.85V5VOutput DisconnectLTC3525D-3.30.85V3.3VPass Through ModeLTC3525L-30.7V3VOutput DisconnectApplicationsMP3 PlayersPortable InstrumentsGlucose MetersDigital Cameras |
LTC3525D-3.3400mA Micropower Synchronous Step-Up DC/DC Converter with Pass Through Mode | Power Management (PMIC) | 3 | Active | The LTC3525D-3.3 is a high efficiency synchronous stepup DC/DC converter that can start up with an input as low as 0.85V. It offers a compact, high efficiency alternative to charge pumps in single cell or dual cell alkaline or Li-Ion applications. Only three small external components are required. The LTC3525D features a fixed output voltage of 3.3V. In shutdown, VOUTis connected to VINthrough the inductor.The device includes a 0.5Ω N-channel MOSFET switch and a 0.8Ω P-channel synchronous rectifier. Peak switch current ranges from 150mA to 400mA, depending on load, providing enhanced efficiency. Quiescent current is an ultralow 7μA, maximizing battery life in portable applications.Other features include anti-ringing control and thermal shutdown. The LTC3525D is available in a tiny 6-Lead SC70 package.List of LTC3525 OptionsPART NAMEINPUT START-UP VOLTAGEOUTPUT VOLTAGEVOUT STATUS IN SHUTDOWN MODELTC3525-30.85V3VOutput DisconnectLTC3525-3.30.85V3.3VOutput DisconnectLTC3525-50.85V5VOutput DisconnectLTC3525D-3.30.85V3.3VPass Through ModeLTC3525L-30.7V3VOutput DisconnectApplicationsMP3 PlayersPortable InstrumentsGlucose MetersDigital Cameras |
LTC3525L-3400mA Micropower Synchronous Step-Up DC/DC Converter with Output Disconnect | Voltage Regulators - DC DC Switching Regulators | 1 | Active | The LTC3525L-3 is a high efficiency synchronous step-up DC/DC converter with output disconnect that can start up with an input as low as 0.7V. It offers a compact, high efficiency alternative to charge pumps in single cell or dual cell alkaline applications. Only three small external components are required. The LTC3525L-3 generates a fixed 3V output voltage.The device includes a 0.5Ω N-channel MOSFET switch and a 0.85Ω P-channel synchronous rectifier. Peak switch current ranges from 150mA to 400mA, depending on load, providing enhanced efficiency. Quiescent current is an ultralow 7μA, maximizing battery life in portable applications.Other features include <1μA shutdown current, anti-ringing control and thermal shutdown. The LTC3525L-3 is available in a tiny 6-pin SC70 package.VoutMin Startup VoltageFeaturesLTC3525-3/3.3/53V/3.3V/5V1VOutput DisconnectLTC3525D-3.33.3V0.85VPass Through ModeLTC3525L-33V0.85VOutput DisconnectApplicationsMP3 PlayersPortable InstrumentsGlucose MetersDigital Cameras |
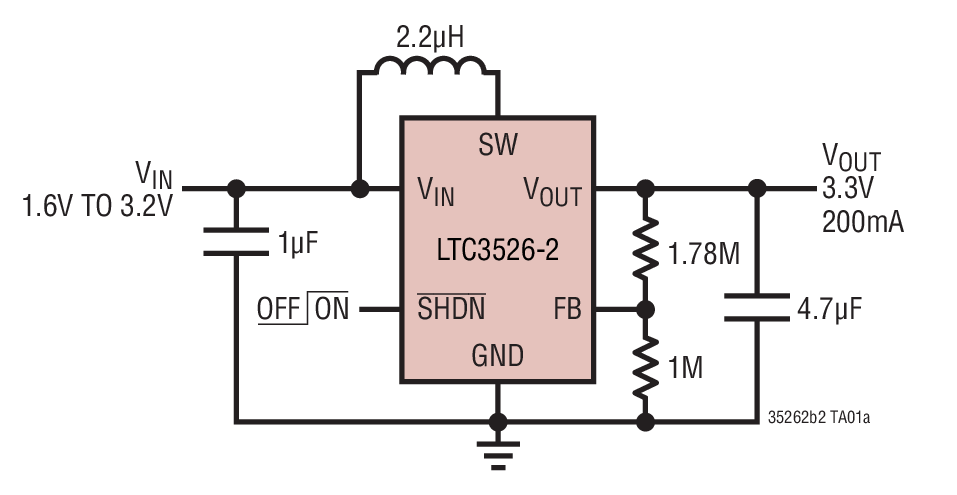
LTC3526500mA 1MHz Synchronous Step-Up DC/DC Converters in 2mm × 2mm DFN | PMIC | 11 | Active | The LTC3526/LTC3526B are synchronous, fixed frequency step-up DC/DC converters with output disconnect. Synchronous rectification enables high efficiency in the low profile 2mm × 2mm DFN package. Battery life in single AA/AAA powered products is extended further with an 850mV start-up voltage and operation down to 500mV once started.A switching frequency of 1MHz minimizes solution footprint by allowing the use of tiny, low profile inductors and ceramic capacitors. The current mode PWM design is internally compensated, reducing external parts count. The LTC3526 features automatic Burst Mode operation at light load conditions, while the LTC3526B features continuous switching at light loads. Anti-ringing control circuitry also reduces EMI concerns by damping the inductor in discontinuous mode. Additional features include a low shutdown current of under 1μA and thermal shutdown.The LTC3526/LTC3526B are housed in a 2mm × 2mm × 0.75mm DFN package.For new designs, we recommend the LTC3526L/LTC3526LB.Startup VoltageFrequencyBurst ModeNotesLTC35261V1MHzYesNot Recommended For New DesignsLTC3526B1V1MHzNoNot Recommended For New DesignsLTC3526-21V2MHzYesNot Recommended For New DesignsLTC3526B-21V2MHzNoNot Recommended For New DesignsLTC3526L0.85V1MHzYesLTC3526LB0.85V1MHzNoLTC3526L-20.85V2MHzYesLTC3526LB-20.85V2MHzNoAPPLICATIONSMedical InstrumentsFlash-Based MP3 PlayersNoise Canceling HeadphonesWireless MiceBluetooth Headsets |
LTC3526L-2550mA 2MHz Synchronous Step-Up DC/DC Converters in 2mm × 2mm DFN | Integrated Circuits (ICs) | 2 | Active | The LTC3526L-2/LTC3526LB-2 are synchronous, fixed frequency step-up DC/DC converters with output disconnect. Synchronous rectification enables high efficiency in the low profile 2mm × 2mm DFN package. Battery life in single AA/AAA powered products is extended further with a 680mV start-up voltage and operation down to 500mV once started.A switching frequency of 2MHz minimizes solution footprint by allowing the use of tiny, low profile inductors and ceramic capacitors. The current mode PWM design is internally compensated, reducing external parts count. The LTC3526L-2 features Burst Mode operation at light load conditions allowing it to maintain high efficiency over a wide range of load. The LTC3526LB-2 features fixed frequency operation for low noise applications. Anti-ring circuitry reduces EMI by damping the inductor in discontinuous mode. Additional features include a low shutdown current of under 1μA and thermal shutdown.The LTC3526L-2/LTC3526LB-2 are housed in a 2mm × 2mm × 0.75mm DFN package.Startup VoltageFrequencyBurst ModeNotesLTC35261V1MHzYesNot Recommended For New DesignsLTC3526B1V1MHzNoNot Recommended For New DesignsLTC3526-21V2MHzYesNot Recommended For New DesignsLTC3526B-21V2MHzNoNot Recommended For New DesignsLTC3526L0.85V1MHzYesLTC3526LB0.85V1MHzNoLTC3526L-20.85V2MHzYesLTC3526LB-20.85V2MHzNoApplicationsMedical InstrumentsNoise Canceling HeadphonesWireless MiceBluetooth Headsets |
LTC3526LLTC3526LB550mA 1MHz Synchronous Step-Up DC/DC Converters in 2mm × 2mm DFN | Power Management (PMIC) | 3 | Active | The LTC3526L/LTC3526LB are synchronous, fixed frequency step-up DC/DC converters with output disconnect. Synchronous rectification enables high efficiency in the low profile 2mm × 2mm DFN package. Battery life in single AA/AAA powered products is extended further with a 680mV start-up voltage and operation down to 500mV once started.A switching frequency of 1MHz minimizes solution footprint by allowing the use of tiny, low profile inductors and ceramic capacitors. The current mode PWM design is internally compensated, reducing external parts count. The LTC3526L features Burst Mode operation at light load conditions allowing it to maintain high efficiency over a wide range of load. The LTC3526LB features fixed frequency operation for low noise applications. Anti-ring circuitry reduces EMI by damping the inductor in discontinuous mode. Additional features include a low shutdown current of under 1μA and thermal shutdown.The LTC3526L/LTC3526LB are housed in a 2mm × 2mm × 0.75mm DFN package.Startup VoltageFrequencyBurst ModeNotesLTC35261V1MHzYesNot Recommended For New DesignsLTC3526B1V1MHzNoNot Recommended For New DesignsLTC3526-21V2MHzYesNot Recommended For New DesignsLTC3526B-21V2MHzNoNot Recommended For New DesignsLTC3526L0.85V1MHzYesLTC3526LB0.85V1MHzNoLTC3526L-20.85V2MHzYesLTC3526LB-20.85V2MHzNoApplicationsMedical InstrumentsNoise Canceling HeadphonesWireless MiceBluetooth Headsets |
LTC3527Dual 800mA/400mA, 1.2MHz/2.2MHz Synchronous Step-Up DC/DC Converters | PMIC | 5 | Active | The LTC3527/LTC3527-1 are dual high efficiency, step-up DC/DC converters in a space saving 16-lead 3mm × 3mm QFN package. Battery life is maximized with a 700mV startup voltage and operation down to 500mV once started. TheSHDNand PGOOD pins enable the converters to be sequenced or started together.The LTC3527/LTC3527-1 limit inrush current during startup. Selectable 1.2MHz or 2.2MHz operation provides a choice between the highest efficiency or smallest solution footprint. The current mode PWM design is internally compensated reducing external parts count. Burst Mode operation or fixed frequency operation is selectable via the MODE pin. Anti-ring circuitry reduces EMI in discontinuous mode. This device also features thermal shutdown.True output disconnect allows the output to be completely open in shutdown. The LTC3527-1 actively discharges VOUT1or VOUT2when its respectiveSHDNgoes low. Quiescent current in shutdown is less than 2μA.ApplicationsMP3/Personal Media PlayersNoise Canceling/Bluetooth HeadsetsWireless MicePortable Medical Instruments |
LTC35281A, 2MHz Synchronous Step-Up DC/DC Converter in 2mm × 3mm DFN | PMIC | 5 | Active | The LTC3528B-2 is a synchronous, fixed frequency step-up DC/DC converter with output disconnect. High efficiency synchronous rectification, in addition to a 700mV start-up voltage and operation down to 500mV once started, provides longer run-time for single or multiple cell battery-powered products.A switching frequency of 2MHz minimizes solution foot- print by allowing the use of tiny, low profile inductors and ceramic capacitors. The current mode PWM is internally compensated, simplifying the design process. The LTC3528B-2 features continuous switching at light loads. Anti-ringing circuitry reduces EMI by damping the inductor in discontinuous mode. Additional features include a low shutdown current, open-drain power good output, short- circuit protection and thermal overload protection.The LTC3528B-2 is offered in an 8-lead 2mm × 3mm × 0.75mm DFN package.FrequencyFeaturesLTC35281MHzYesLTC3528B1MHzNoLTC3528-22MHzYesLTC3528B-22MHzNoApplicationsMedical InstrumentsFlash-Based MP3 PlayersNoise Canceling HeadphonesWireless MiceBluetooth Headsets |