LTC2299Dual 14-Bit, 80Msps Low Power 3V ADC | Integrated Circuits (ICs) | 4 | Active | The LTC2299 is a 14-bit 80Msps, low power dual 3V A/D converter designed for digitizing high frequency, wide dynamic range signals. The LTC2299 is perfect for demanding imaging and communications applications with AC performance that includes 73dB SNR and 90dB SFDR for signals well beyond the Nyquist frequency.DC specs include ±1.2LSB INL (typ), ±0.5LSB DNL (typ) and ±5LSB INL, ±1LSB DNL over temperature. The transition noise is a low 1.2LSBRMS.A single 3V supply allows low power operation. A separate output supply allows the outputs to drive 0.5V to 3.6V logic. An optional multiplexer allows both channels to share a digital output bus.A single-ended CLK input controls converter operation. An optional clock duty cycle stabilizer allows high performance at full speed for a wide range of clock duty cycles.ApplicationsWireless and Wired Broadband CommunicationImaging SystemsSpectral AnalysisPortable Instrumentation |
| Analog to Digital Converters (ADC) | 10 | Active | |
| Integrated Circuits (ICs) | 4 | Active | |
| Integrated Circuits (ICs) | 10 | Active | |
LTC2306Low Noise, 500ksps, 2-Channel, 12-Bit ADC | Integrated Circuits (ICs) | 4 | Active | The LTC2302/LTC2306 are low noise, 500ksps, 1-/2-channel, 12-bit ADCs with an SPI/MICROWIRE compatible serial interface. These ADCs include a fully differential sample-and-hold circuit to reduce common mode noise. The internal conversion clock allows the external serial output data clock (SCK) to operate at any frequency up to 40MHz.The LTC2302/LTC2306 operate from a single 5V supply and draw just 2.8mA at a sample rate of 500ksps. The auto-shutdown feature reduces the supply current to 14μA at a sample rate of 1ksps.The LTC2302/LTC2306 are packaged in a tiny 10-pin 3mm × 3mm DFN. The low power consumption and small size make the LTC2302/LTC2306 ideal for battery-operated and portable applications, while the 4-wire SPI compatible serial interface makes these ADCs a good match for isolated or remote data acquisition systems.ApplicationsHigh Speed Data AcquisitionIndustrial Process ControlMotor ControlAccelerometer MeasurementsBattery-Operated InstrumentsIsolated and/or Remote Data Acquisition |
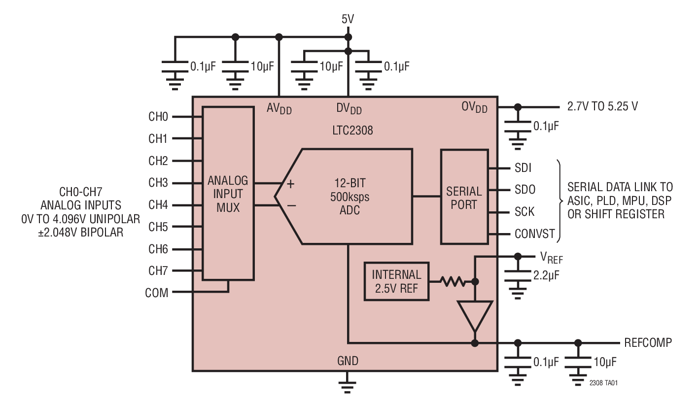
LTC2308Low Noise, 500ksps, 8-Channel, 12-Bit ADC | Data Acquisition | 4 | Active | The LTC2308 is a low noise, 500ksps, 8-channel, 12-bit ADC with an SPI/MICROWIRE compatible serial interface. This ADC includes an internal reference and a fully differential sample-and-hold circuit to reduce common-mode noise. The internal conversion clock allows the external serial output data clock (SCK) to operate at any frequency up to 40MHz.The LTC2308 operates from a single 5V supply and draws just 3.5mA at a sample rate of 500ksps. The auto-shutdown feature reduces the supply current to 200µA at a sample rate of 1ksps.The LTC2308 is packaged in a small 24-pin 4mm × 4mm QFN. The internal 2.5V reference and 8-channel multiplexer further reduce PCB board space requirements.The low power consumption and small size make the LTC2308 ideal for battery operated and portable applications, while the 4-wire SPI compatible serial interface makes this ADC a good match for isolated or remote data acquisition systems.ApplicationsHigh Speed Data AcquisitionIndustrial Process ControlMotor ControlAccelerometer MeasurementsBattery Operated InstrumentsIsolated and/or Remote Data Acquisition |
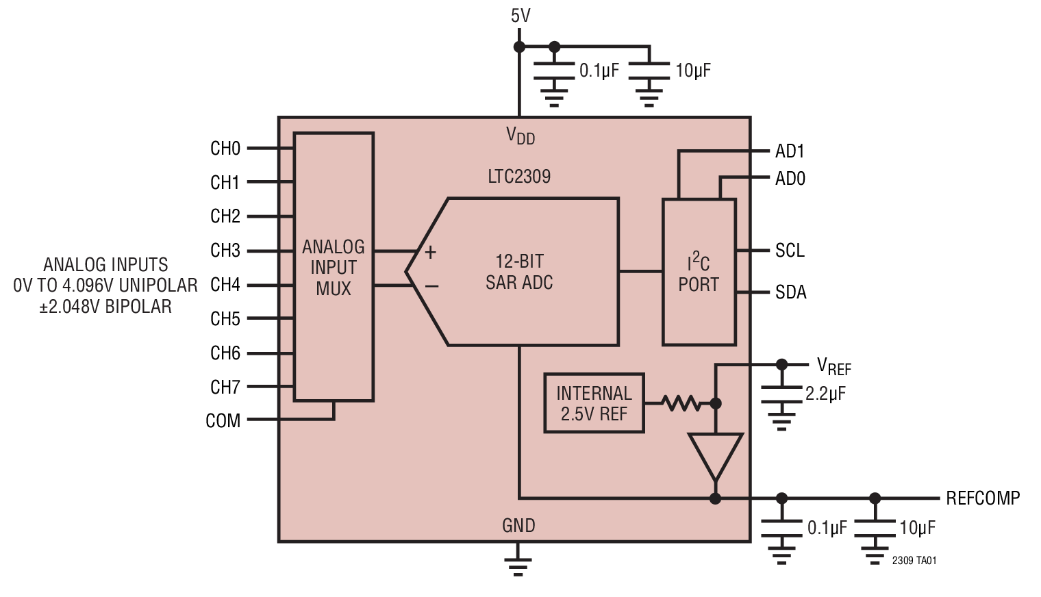
LTC23098-Channel, 12-Bit SAR ADC with I2C Interface | Analog to Digital Converters (ADC) | 10 | Active | The LTC2309 is a low noise, low power, 8-channel, 12-bit successive approximation ADC with an I2C compatible serial interface. This ADC includes an internal reference and a fully differential sample-and-hold circuit to reduce common mode noise. The LTC2309 operates from an internal clock to achieve a fast 1.3μs conversion time.The LTC2309 operates from a single 5V supply and draws just 300μA at a throughput rate of 1ksps. The ADC enters nap mode when not converting, reducing the power dissipation.The LTC2309 is available in both a small 24-pin 4mm × 4mm QFN and a 20-pin TSSOP package. The internal 2.5V reference and 8-channel multiplexer further reduce PCB board space requirements.The low power consumption and small size make the LTC2309 ideal for battery-operated and portable applications, while the 2-wire I2C compatible serial interface makes this ADC a good match for space-constrained systems.ApplicationsIndustrial Process ControlMotor ControlAccelerometer MeasurementsBattery-Operated InstrumentsIsolated and/or Remote Data AcquisitionPower Supply Monitoring |
LTC231016-Bit, 2Msps Differential Input ADC with Wide Input Common Mode Range | Development Boards, Kits, Programmers | 9 | Active | The LTC2310-16 is a low noise, high speed 16-bit successive approximation register (SAR) ADC with differential inputs and wide input common mode range. Operating from a single 3.3V or 5V supply, the LTC2310-16 has an 8VP-Pdifferential input range, making it ideal for applications which require a wide dynamic range with high common mode rejection. The LTC2310-16 achieves ±3LSB INL typical, no missing codes at 16 bits and 82dB SNR typical.The LTC2310-16 has an on-board low drift (20ppm/°C max) 2.048V or 4.096V temperature-compensated reference and provides an external 1.25V buffered reference input. The LTC2310-16 also has a high speed SPI-compatible serial interface that supports CMOS or LVDS. The fast 2Msps throughput with no cycle latency makes the LTC2310-16 ideally suited for a wide variety of high speed applications. The LTC2310-16 dissipates only 35mW with a 5V supply and offers nap and sleep modes to reduce the power consumption for further power savings during inactive periods.ApplicationsHigh Speed Data Acquisition SystemsCommunicationsRemote Data AcquisitionImagingOptical NetworkingAutomotiveMultiphase Motor Control |
LTC2310-1212-Bit + Sign, 2Msps Differential Input ADC with Wide Input Common Mode Range | Integrated Circuits (ICs) | 3 | Active | The LTC2310-12 is a low noise, high speed 12-bit + sign successive approximation register (SAR) ADC with differential inputs and wide input common mode range. Operating from a single 3.3V or 5V supply, the LTC2310-12 has an 8VP-Pdifferential input range, making it ideal for applications which require a wide dynamic range with high common mode rejection. The LTC2310-12 achieves ±1LSB INL guaranteed, no missing codes at 12 bits and 73dB SNR typical.The LTC2310-12 has an onboard low drift (20ppm/°C max) 2.048V or 4.096V temperature-compensated reference and provides an external 1.25V buffered reference input. The LTC2310-12 also has a high speed SPI-compatible serial interface that supports CMOS or LVDS. The fast 2Msps throughput with no cycle latency makes the LTC2310-12 ideally suited for a wide variety of high speed applications. The LTC2310-12 dissipates only 35mW with a 5V supply and offers nap and sleep modes to reduce the power consumption for further power savings during inactive periods.ApplicationsHigh Speed Data Acquisition SystemsCommunicationsRemote Data AcquisitionImagingOptical NetworkingAutomotiveMultiphase Motor Control |
LTC2310-1414-Bit + Sign, 2Msps Differential Input ADC with Wide Input Common Mode Range | Analog to Digital Converters (ADC) | 3 | Active | The LTC2310-14 is a low noise, high speed 14-bit + sign successive approximation register (SAR) ADC with differential inputs and wide input common mode range. Operating from a single 3.3V or 5V supply, the LTC2310-14 has an 8VP-Pdifferential input range, making it ideal for applications which require a wide dynamic range with high common mode rejection. The LTC2310-14 achieves ±2.5LSB INL guaranteed, no missing codes at 14 bits and 82dB SNR typical.The LTC2310-14 has an onboard low drift (20ppm/°C max) 2.048V or 4.096V temperature-compensated reference and provides an external 1.25V buffered reference input. The LTC2310-14 also has a high speed SPI-compatible serial interface that supports CMOS or LVDS. The fast 2Msps throughput with no cycle latency makes the LTC2310-14 ideally suited for a wide variety of high speed applications. The LTC2310-14 dissipates only 35mW with a 5V supply and offers nap and sleep modes to reduce the power consumption for further power savings during inactive periods.ApplicationsHigh Speed Data Acquisition SystemsCommunicationsRemote Data AcquisitionImagingOptical NetworkingAutomotiveMultiphase Motor Control |