LTC1325Microprocessor-Controlled Battery Management System | Integrated Circuits (ICs) | 3 | Active | The LTC1325 provides the core of a flexible, cost-effective solution for an integrated battery management system. The monolithic CMOS chip controls the fast charging of nickel-cadmium, nickel-metal-hydride, lead-acid or lithium batteries under microprocessor control. The device features a programmable 111kHz PWM constant current source controller with built-in FET driver, 10-bit ADC, internal voltage regulator, discharge-before-charge controller, programmable battery voltage attenuator and an easy-to-use serial interface.The chip may operate in one of five modes: power shut-down, idle, discharge, charge or gas gauge. In power shutdown the supply current drops to 30µA and in the idle mode,an ADC reading maybe made without any switching noise affecting the accuracy of the measurement. In the discharge mode, the battery is discharged by an external transistor while the battery is being monitored by the LTC1325 for fault conditions. The charge mode is terminated by the µP while monitoring any combination of battery voltage and temperature, ambient temperature and charge time. The LTC1325 also monitors the battery for fault conditions before and during charging. In the gas gauge mode the LTC1325 allows the total charge leaving the battery to be calculated.ApplicationsSystem Integrated Battery Charger |
| PMIC | 17 | Active | |
| Integrated Circuits (ICs) | 6 | Active | |
| Integrated Circuits (ICs) | 9 | Active | |
| Drivers, Receivers, Transceivers | 10 | Active | |
| Integrated Circuits (ICs) | 6 | Active | |
| Integrated Circuits (ICs) | 4 | Active | |
LTC13385V Low Power RS232 5-Driver/3-Receiver Transceiver | Drivers, Receivers, Transceivers | 8 | Active | The LTC1338 is a 5-driver/3-receiver RS232 transceiver with very low supply current. In the no load condition, the supply current is only 500µA. The charge pump only requires four 0.1µF capacitors.In SHUTDOWN mode, the supply current is further reduced to 0.2µA. In RECEIVER ALIVE mode, all three receivers are kept alive and the supply current is 50µA. All RS232 outputs assume a high impedance state in SHUTDOWN and with the power off.The LTC1338 is fully compliant with all data rate and overvoltage RS232 specifications. The transceiver can operate up to 120k baud with a 2500pF, 3kΩ load. Both driver outputs and receiver inputs can be forced to ±25V without damage, and can survive multiple ±10kV ESD strikes.ApplicationsBattery-Powered ModemsBattery-Powered DCENotebook ComputersPalmtop Computers |
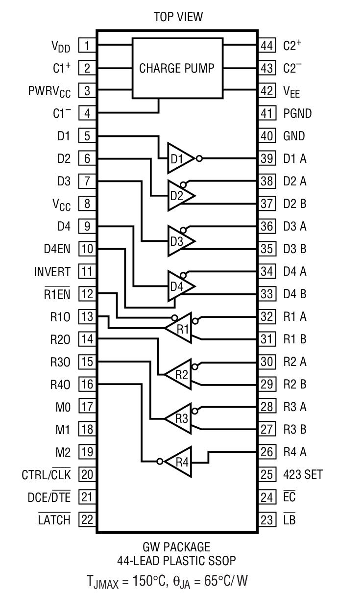
LTC1343Software-Selectable Multiprotocol Transceiver | Drivers, Receivers, Transceivers | 4 | Active | The LTC1343 is a 4-driver/4-receiver multiprotocol transceiver that operates from a single 5V supply. Two LTC1343s form the core of a complete software-selectable DTE or DCE interface port that supports the RS232, RS449, EIA-530,EIA-530-A, V.35, V.36 or X.21 protocols. Cable termination may be implemented using the LTC1344 software-selectable cable termination chip or by using existing discrete designs.The LTC1343 runs from a single 5V supply using an internal charge pump that requires only five space saving surface mount capacitors. The mode pins are latched internally to allow sharing of the select lines between multiple interface ports.Software-selectable echoed clock and loop-back modes help eliminate the need for external glue logic between the serial controller and line transceiver. The part features a flow-through architecture to simplify EMI shielding and is available in the 44-lead SSOP surface mount package.ApplicationsData NetworkingCSU and DSUData Routers |
LTC1344Software-Selectable Cable Terminator | Interface | 7 | Active | The LTC1344 features six software-selectable multiprotocol cable terminators. Each terminator can be configured as an RS422 (V.11) 100Ω minimum differential load, V.35 T-network load or an open circuit for use with RS232 (V.28) or RS423 (V.10) transceivers that provide their own termination. When combined with the LTC1343, the LTC1344 forms a complete software-selectable multiprotocol serial port. A data bus latch feature allows sharing of the select lines between multiple interface ports.The LTC1344 is available in a 24-lead SSOP.ApplicationsData NetworkingCSU and DSUData Routers |