A
Analog Devices Inc./Maxim Integrated
| Series | Category | # Parts | Status | Description |
|---|---|---|---|---|
| Part | Spec A | Spec B | Spec C | Spec D | Description |
|---|---|---|---|---|---|
| Series | Category | # Parts | Status | Description |
|---|---|---|---|---|
| Part | Spec A | Spec B | Spec C | Spec D | Description |
|---|---|---|---|---|---|
| Part | Category | Description |
|---|---|---|
Analog Devices Inc./Maxim Integrated LTC1879EGN#TRUnknown | Integrated Circuits (ICs) | IC REG BUCK ADJ 1.2A 16SSOP |
Analog Devices Inc./Maxim Integrated LTC2208CUP#TRUnknown | Integrated Circuits (ICs) | IC ADC 16BIT 130MSPS 64-QFN |
Analog Devices Inc./Maxim Integrated ADP2108ACBZ-1.1-R7Obsolete | Integrated Circuits (ICs) | IC REG BUCK 1.1V 600MA 5WLCSP |
Analog Devices Inc./Maxim Integrated EV1HMC832ALP6GObsolete | Development Boards Kits Programmers | EVAL BOARD FOR HMC832ALP6GE |
Analog Devices Inc./Maxim Integrated LTC488ISWUnknown | Integrated Circuits (ICs) | IC LINE RCVR RS485 QUAD 16-SOIC |
Analog Devices Inc./Maxim Integrated LTC6946IUFD-2Obsolete | Integrated Circuits (ICs) | IC CLK/FREQ SYNTH 28QFN |
Analog Devices Inc./Maxim Integrated MAX5556ESA+TObsolete | Integrated Circuits (ICs) | IC DAC/AUDIO 16BIT 50K 8SOIC |
Analog Devices Inc./Maxim Integrated EVAL-FLTR-LD-1RZUnknown | Unclassified | EVAL BRD FOR AD800 SERIES |
Analog Devices Inc./Maxim Integrated | Development Boards Kits Programmers | BOARD EVAL FOR AD9963 |
Analog Devices Inc./Maxim Integrated LTC1296CCSW#TRUnknown | Integrated Circuits (ICs) | IC DATA ACQ SYS 12BIT 5V 20SOIC |
| Series | Category | # Parts | Status | Description |
|---|---|---|---|---|
HMC94013 Gbps 1:4 Fanout Buffer w/Programmable Output Voltage | Evaluation Boards | 4 | Active | The HMC940LC4B is a 1:4 Fanout Buffer designed to support data transmission rates up to 13 Gbps, and clock frequencies as high as 13 GHz. All differential inputs and outputs are DC coupled and terminated on chip with 50 Ohm resistors to ground. The outputs may be used in either single-ended or differential modes, and should be AC or DC coupled into 50 Ohm resistors connected to ground.The HMC940LC4B also features an output level control pin, VR which allows for loss compensation or for signal level optimization. The HMC940LC4B operates from a single -3.3V DC supply and is available in a ceramic RoHS compliant 4×4 mm SMT package.APPLICATIONSRF ATE ApplicationsBroadband Test & MeasurementSerial Data Transmission up to 13 GbpsClock Buffering up to 13 GHz |
HMC9410.5 dB LSB GaAs MMIC 5-Bit Digital Attenuator, 0.1 - 30 GHz | Attenuators | 6 | Active | The HMC941 devices are broadband, 5-bit, GaAs, IC digital attenuators available in a low cost, leadless, surface-mount package or in a monolithic microwave integrated circuit (MMIC) chip. Covering 0.1 GHz to 30 GHz or 33 GHz, the insertion loss is less than 4 dB typical. The attenuator bit values are 0.5 (LSB), 1, 2, 4, and 8 dB for a total attenuation of 15.5 dB. Attenuation accuracy is excellent at ±0.3 dB or less than ±0.5 dB typical step error with an IIP3 of +45 dBm. Five control voltage inputs, toggled between +5 V and 0 V, are used to select each attenuation state.ApplicationsFiber optics and broadband telecomMicrowave radio and VSATMilitary radios, radar, and ECMSpace applicationsSensorsTest and measurement equipment |
HMC941ALP4E0.5 dB LSB GaAs MMIC 5-Bit Digital Attenuator, 0.1 - 33 GHz | RF and Wireless | 2 | Active | The HMC941ALP4E is a broadband 5-bit GaAs IC digital attenuators in low cost leadless surface mount packages. Covering 0.1 to 33.0 GHz, the insertion loss is less than 4 dB typical. The attenuator bit values are 0.5 (LSB), 1, 2, 4, 8, for a total attenuation of 15.5 dB. Attenuation accuracy is excellent at ±0.3 dB typical step error with an IIP3 of +45 dBm. Five control voltage inputs, toggled between +5V and 0V, are used to select each attenuation state.ApplicationsFiber optics and broadband telecomMicrowave radio and VSATMilitary radios, Radar and ECMSpace applicationsSensorsTest and measurement equipment |
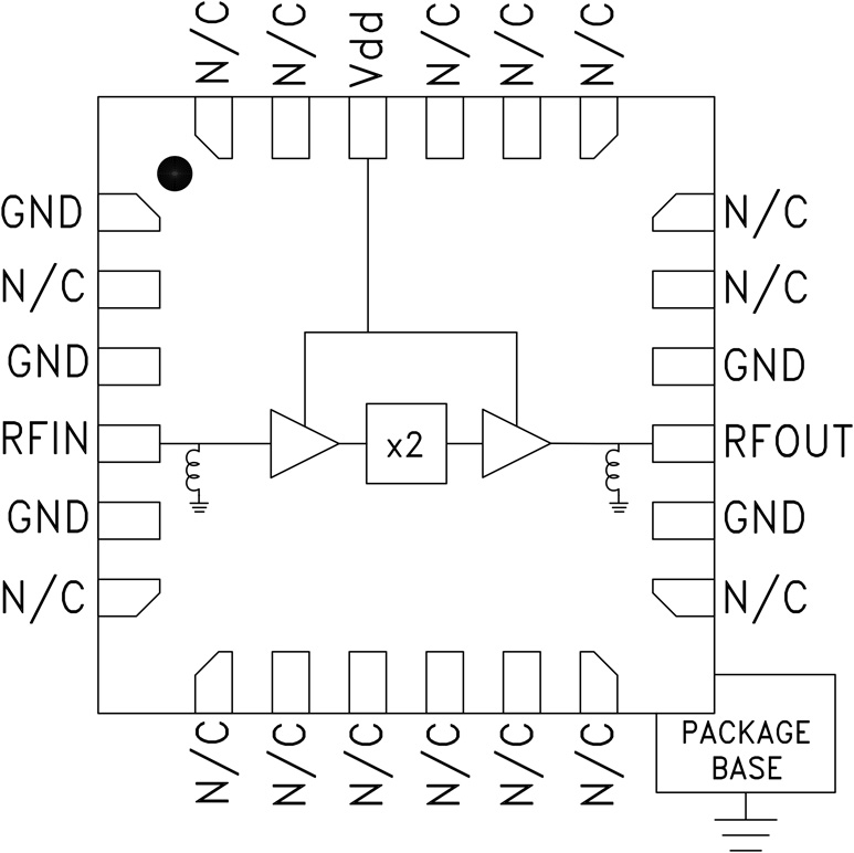
HMC942x2 Active Multiplier, 25 - 31 GHz Output | RF and Wireless | 2 | Active | The HMC942LP4E is a x2 active broadband frequency multiplier utilizing GaAs pHEMT technology in a leadless RoHS compliant SMT package. When driven by a +4 dBm signal, the multiplier provides +17 dBm typical output power from 13 to 24.6 GHz. The Fo and 3Fo isolations are >20 dBc at 19 GHz. The HMC942LP4E is ideal for use in LO multiplier chains for Pt-to-Pt & VSAT Radios yielding reduced parts count vs. traditional approaches.APPLICATIONSClock Generation Applications:SONET OC-192 & SDH STM-64Point-to-Point & VSAT RadiosTest InstrumentationMilitary & SpaceSensors |
HMC943>1.5 W (34 dBm), 24 GHz to 34 GHz, GaAs, pHEMT, MMIC, Power Amplifier | RF Amplifiers | 2 | Active | The HMC943APM5E is a four stage, gallium arsenide (GaAs), pseudomorphic high electron mobility transistor (pHEMT), monolithic microwave integrated circuit (MMIC), >1.5 W power amplifier that operates between 24 GHz to 34 GHz. The HMC943APM5E provides 23 dB of gain, 34 dBm of saturated output power (PSAT), and 23% power added efficiency (PAE) from a 5.5 V supply. The high output third-order intercept (IP3) of 39 dBm makes the HMC943APM5E ideal for microwave radio applications. A power detector output is also available. The HMC943APM5E amplifier input/outputs (I/Os) are internally matched to 50 Ω. The device is packaged in a leadless, 5 mm × 5 mm, surface-mount LFCSP_CAV package, and requires no external matching components.ApplicationsPoint to point radiosPoint to multipoint radiosMicrowave radios, very small aperture terminals (VSATs), and satellite communications (SATCOM)Military and space |
| RF Amplifiers | 1 | Obsolete | ||
HMC94854 dB Logarithmic Detector SMT, 1 - 23 GHz | Development Boards, Kits, Programmers | 3 | Active | The HMC948LP3E Logarithmic Detector converts RF signals at its input, to a proportional DC voltage at its output. The HMC948LP3E employs successive compression topology which delivers high dynamic range over a wide input frequency range. As the input power is increased, successive amplifiers move into saturation one by one creating an approximation of the logarithm function.The output of a series of square law detectors is summed, converted into the voltage domain and buffered to drive the LOG OUT output. The HMC948LP3E provides a nominal logarithmic slope of +14.2 mV/dB and an intercept of -111 dBm at 23 GHz. Ideal as a log detector for high volume microwave radio and VSAT applications, the HMC948LP3E is housed in a compact 3x3 mm RoHS compliant SMT plastic package.ApplicationsPoint-to-Point Microwave RadioVSATWideband Power MonitoringReceiver Signal Strength Indication (RSSI)Test &Measurement |
HMC9515.6 GHz to 8.6 GHz, GaAs, MMIC, I/Q Downconverter | RF Misc ICs and Modules | 6 | Active | The HMC951A is a compact gallium arsenide (GaAs), monolithic microwave integrated circuit (MMIC), in-phase quadrature (I/Q) downconverter in a RoHS compliant package that operates from 5.6 GHz to 8.6 GHz. This device provides a small signal conversion gain of 13 dB with a noise figure of 2 dB and an image rejection of 32 dBc. The HMC951A uses a low noise amplifier (LNA) followed by an image mixer that is driven by a local oscillator (LO) buffer amplifier. The image reject mixer eliminates the need for a filter following the LNA and removes thermal noise at the image frequency. The IF1 and IF2 mixer outputs are provided and an external 90° hybrid is needed to select the required sideband. The I/Q mixer topology reduces the need for filtering of unwanted sideband. The HMC951A is a smaller alternative to hybrid style, single sideband (SSB) downconverter assemblies, and it eliminates the need for wire bonding by allowing the use of surface-mount manufacturing techniques.The HMC951A is available in 4 mm × 4 mm, 24-lead lead frame chip scale package (LFCSP) and operates over the −40°C to +85°C temperature range. An evaluation board for the HMC951A is also available upon request.ApplicationsPoint to point and point to multipoint radiosMilitary radars, electronic warfare, and electronic intelligenceSatellite communicationsSensors |
HMC951BI/Q Downconverter SMT, 5.6 - 8.6 GHz | RF Misc ICs and Modules | 1 | Active | The HMC951B is a compact GaAs MMIC I/Q downconverter in a leadless RoHS compliant SMT package. This device provides a small signal conversion gain of 13 dB with a noise figure of 2 dB and 24 dB of image rejection across the frequency band. The HMC951B utilizes an LNA followed by an image reject mixer which is driven by an LO buffer amplifier. The image reject mixer eliminates the need for a filter following the LNA, and removes thermal noise at the image frequency.I and Q mixer outputs are provided and an external 90° hybrid is needed to select the required sideband. The HMC951B is a much smaller alternative to hybrid style image reject mixer downconverter assemblies, and is compatible with surface mount manufacturing techniques.ApplicationsPoint-to-Point & Point-to-Multi-Point RadioMilitary Radar, EW & ELINTSatellite Communications |
| RF Amplifiers | 4 | Active | ||