HMC906A-DIEGaAs pHEMT MMIC 2 Watt Power Amplifier, 27.3 - 33.5 GHz | RF and Wireless | 1 | Obsolete | The HMC906A is a four stage GaAs pHEM T MMIC 2 Watt Power Amplifier which operates between 27.3 and 33.5 GHz. The HMC906A provides 26.5 dB of gain, and +33.5 dBm of saturated output power and 20% PAE from a +6V supply. The OIP 3 of 40 dBm at 28 dBm / tone provides excellent linearity for satellite communications. The RF I/Os are DC blocked and matched to 50 Ohms for ease of integration into Multi-Chip-Modules (MCMs). All data is taken with the chip in a 50 Ohm test fixture connected via two 0.025 mm (1 mil) diameter wire bonds of length 0.31 mm (12 mils).Applications• Satellite Communications• Point-to-Point Radios• Point-to-Multi-Point Radios• VSAT• Military & Space |
| RF, RFID, Wireless Evaluation Boards | 3 | Active | |
HMC907A-DieGaAs pHEMT MMIC Power Amplifier, 0.2 - 22 GHz | RF Amplifiers | 1 | Active | The HMC907A is a GaAs MMIC pHEMT Distributed Power Amplifier die which operates between 0.2 and 22 GHz. This self-biased power amplifier provides 14 dB of gain, 41 dBm output IP3 and +28 dBm of output power at 1 dB gain compression while requiring only 350mA from a +10V supply. Gain flatness is excellent at ±0.7 dB from DC to 12 GHz making the HMC907A ideal for EW, ECM, Radar and test equipment applications. The HMC907A amplifier I/Os are internally matched to 50 Ohms facilitating integration into Mutli-Chip-Modules (MCMs). All data is taken with the chip connected via two 0.025mm (1 mil) wire bonds of minimal 0.31 mm (12 mils) length.ApplicationsTest InstrumentationMilitary & Space |
HMC907APM5EGaAs pHEMT MMIC Power Amplifier 0.2 - 22 GHz | RF Amplifiers | 2 | Active | The HMC907APM5E is a GaAs MMIC pHEMT Distributed Power Amplifier which operates between 0.2 and 22 GHz. This self-biased power amplifier provides 14 dB of gain, +40 dBm output IP3 and +28 dBm of output power at 1 dB gain compression while requiring only 350 mA from a +10 V supply. Gain flatness is excellent at ±0.7 dB from 0.2 to 22 GHz making the HMC907APM5E ideal for EW, ECM, Radar and test equipment applications. The HMC907APM5E amplifier I/Os are internally matched to 50 Ω facilitating integration into Mutli-Chip-Modules (MCMs) and is packaged in a leadless QFN 5x5 mm surface mount package, and requires no external matching components.ApplicationsTest instrumentationMilitary & space |
HMC908GaAs MMIC I/Q Downconverter, 9 - 12 GHz | RF, RFID, Wireless Evaluation Boards | 4 | Active | The HMC908LC5 is a compact GaAs MCM I/Q downconverter in a leadless RoHS compliant SMT ceramic package. This device provides a small signal conversion gain of 11 dB with a noise figure of 2.2 dB and 25 dB of image rejection. The HMC908LC5 utilizes an LNA followed by an image reject mixer which is driven by an LO buffer amplifier. The image reject mixer eliminates the need for a filter following the LNA, and removes thermal noise at the image frequency.I and Q mixer outputs are provided and an external 90° hybrid is needed to select the required sideband. The HMC908LC5 is a much smaller alternative to hybrid style image reject mixer downconverter assemblies, and it eliminates the need for wire bonding by allowing the use of surface mount manufacturing techniques.ApplicationsPoint-to-Point and Point-to-Multi-Point RadioMilitary Radar, EW & ELINTSatellite CommunicationsMaritime & Mobile Radio |
HMC908A9 GHz to 12 GHz, GaAs, MMIC, I/Q Downconverter | RF and Wireless | 3 | Active | The HMC908A is a compact, gallium arsenide (GaAs), monolithic microwave integrated circuit (MMIC), inphase/quadrature (I/Q) downconverter in a leadless, RoHS compliant ceramic leadless chip carrier. This device provides a small signal conversion gain of 11 dB with a noise figure of 2 dB and 25 dB of image rejection at 100 MHz. The HMC908A utilizes a low noise amplifier (LNA) followed by an image rejection mixer that is driven by a local oscillator (LO) buffer amplifier. The image rejection mixer eliminates the need for a filter following the LNA, and removes thermal noise at the image frequency. I and Q mixer outputs are provided and an external 90° hybrid is needed to select the required sideband. The HMC908A is a much smaller alternative to hybrid style image rejection mixer downconverter assemblies, and it eliminates the need for wire bonding by allowing the use of surface-mount manufacturing techniques.ApplicationsPoint to point radiosPoint to multipoint radios and very small aperture terminals (VSATs)Test equipment and sensorsMilitary end use |
| RF Detectors | 1 | Obsolete | |
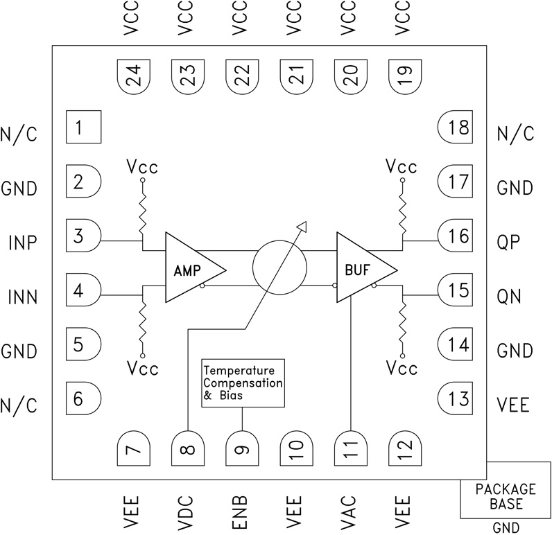
HMC910Broadband Analog Time Delay SMT, DC - 24 GHz | Delay Lines | 3 | Obsolete | The HMC910LC4B is a broadband time delay with 0 to 70 ps continuously adjustable delay range. The delay control is linearly monotonic with respect to the control voltage, VDC and the control input has a modulation bandwidth of 600MHz.The device provides a differential output voltage with constant amplitude for single-ended or differential input voltages above the input sensitivity level, while the output voltage swing may be adjusted using the VAC control pin.The HMC910LC4B features internal temperature compensation and bias circuitry to minimize delay variations with temperature. The device also features an enable pin, ENB. All RF input and outputs of the HMC910LC4B are internally terminated with 50 Ohms to Vcc, and may either be AC or DC coupled. Output pins can be connected directly to a 50 Ohm to Vcc terminated system, while DC blocking capacitors must be used if the terminated system input is 50 Ohms to a DC voltage other than Vcc.APPLICATIONSSynchronization of Clock & DataTransponder DesignSerial Data Transmission up to 32 GbpsBroadband Test & MeasurementRF ATE Applications |
HMC911Broadband Analog Time Delay to 24 GHz | RF and Wireless | 3 | Active | The HMC911 is a broadband time delay with 62 ps to 75 ps continuously adjustable delay range to 24 GHz. The delay control is linearly monotonic with respect to the differential delay control voltage (VDCPand VDCN), and the control input has a modulation bandwidth of 1.6 Hz. The HMC911 provides a differential output voltage with constant amplitude for single-ended or differential input voltages above the input sensitivity level, and the output voltage swing can be adjusted using the VACcontrol pin.The HMC911 features internal temperature compensation and bias circuitry to minimize delay variations with temperature. All RF inputs and outputs of the HMC911 are internally terminated with 50 Ω to VCCand can be ac-coupled or dc-coupled. Output pins connect directly to a 50 Ω to VCCterminated system. However, use dc blocking capacitors if the terminated system input is 50 Ω to a dc voltage other than VCC.The HMC911 is available in a RoHS-compliant, 24-terminal, ceramic, leadless chip carrier.ApplicationsSynchronization of clock and dataTransponder designSerial data transmissions up to 32 GbpsBroadband test and measurementRF ATE applications |
HMC913Successive Detection Log Video Amp., SMT 0.6 - 20 GHz | RF and Wireless | 5 | Active | The HMC913LC4B is a Successive Detection Log Video Amplifier (SDLVA) which operates from 0.6 to 20 GHz. The HMC913LC4B provides a logging range of 59 dB. This device offers typical fast rise/fall times of 5/10 ns and a superior delay time of only 14 ns. The HMC913LC4B log video output slope is typically 14 mV/dB. Maximum recovery times are less than 30 ns. The HMC913LC4B is available in a highly compact 4x4 mm SMT ceramic package and is ideal for high speed channelized receiver applications.APPLICATIONSEW, ELINT & IFM ReceiversDF Radar SystemsECM SystemsBroadband Test & MeasurementPower Measurement & Control CircuitsMilitary & Space Applications |