A
Analog Devices Inc./Maxim Integrated
| Series | Category | # Parts | Status | Description |
|---|---|---|---|---|
| Part | Spec A | Spec B | Spec C | Spec D | Description |
|---|---|---|---|---|---|
| Series | Category | # Parts | Status | Description |
|---|---|---|---|---|
| Part | Spec A | Spec B | Spec C | Spec D | Description |
|---|---|---|---|---|---|
| Part | Category | Description |
|---|---|---|
Analog Devices Inc./Maxim Integrated LTC1879EGN#TRUnknown | Integrated Circuits (ICs) | IC REG BUCK ADJ 1.2A 16SSOP |
Analog Devices Inc./Maxim Integrated LTC2208CUP#TRUnknown | Integrated Circuits (ICs) | IC ADC 16BIT 130MSPS 64-QFN |
Analog Devices Inc./Maxim Integrated ADP2108ACBZ-1.1-R7Obsolete | Integrated Circuits (ICs) | IC REG BUCK 1.1V 600MA 5WLCSP |
Analog Devices Inc./Maxim Integrated EV1HMC832ALP6GObsolete | Development Boards Kits Programmers | EVAL BOARD FOR HMC832ALP6GE |
Analog Devices Inc./Maxim Integrated LTC488ISWUnknown | Integrated Circuits (ICs) | IC LINE RCVR RS485 QUAD 16-SOIC |
Analog Devices Inc./Maxim Integrated LTC6946IUFD-2Obsolete | Integrated Circuits (ICs) | IC CLK/FREQ SYNTH 28QFN |
Analog Devices Inc./Maxim Integrated MAX5556ESA+TObsolete | Integrated Circuits (ICs) | IC DAC/AUDIO 16BIT 50K 8SOIC |
Analog Devices Inc./Maxim Integrated EVAL-FLTR-LD-1RZUnknown | Unclassified | EVAL BRD FOR AD800 SERIES |
Analog Devices Inc./Maxim Integrated | Development Boards Kits Programmers | BOARD EVAL FOR AD9963 |
Analog Devices Inc./Maxim Integrated LTC1296CCSW#TRUnknown | Integrated Circuits (ICs) | IC DATA ACQ SYS 12BIT 5V 20SOIC |
| Series | Category | # Parts | Status | Description |
|---|---|---|---|---|
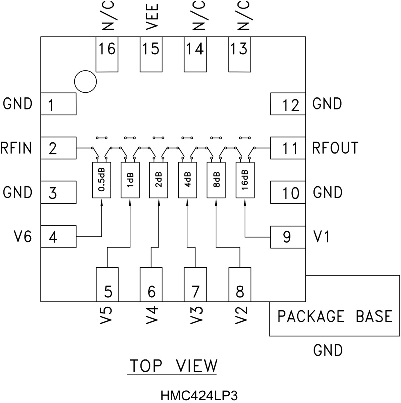
HMC4240.1 GHz to 13.0 GHz, 0.5 dB LSB, 6-Bit, GaAs Digital Attenuator | RF, RFID, Wireless Evaluation Boards | 15 | Active | The HMC424ALP3E is a broadband, 6-bit, gallium arsenide (GaAs), digital attenuator in low cost, leadless surface-mount package with a 31.5 dB attenuation control range in 0.5 dB steps.The HMC424ALP3E offers excellent attenuation accuracy of ±(0.2 dB + 4% of attenuation state) and high input linearity with a typical insertion loss of less than 4 dB over the specified frequency range from 0.1 GHz to 13.0 GHz. The attenuator bit values are 0.5 dB (LSB), 1 dB, 2 dB, 4 dB, 8 dB, and 16 dB for a total attenuation of 31.5 dB with a ±0.5 dB typical step error.The device allows a user to program the attenuation state via six parallel control inputs toggled between 0 V and VEE.The HMC424ALP3E operates with a single negative supply voltage from −3 V to −5 V, and requires an external level shifter to interface with a CMOS/transistor to transistor logic (TTL) interface.The HMC424ALP3E comes in a RoHS compliant, compact, 3 mm × 3 mm, 16-lead lead frame chip scale package (LFCSP).ApplicationsCellular infrastructureMicrowave radios and very small aperture terminals (VSATs)Test equipment and sensorsIntermediate frequency (IF) and RF designsMilitary and space |
HMC424A-DIE0.5dB LSB GaAs MMIC 6-Bit Digital Attenuator, DC - 13 GHz | Attenuators | 1 | Active | The HMC424ACHIPS is a broadband, 6-bit, gallium arsenide (GaAs), digital attenuator monolithic microwave integrated circuit (MMIC) chip with a 31.5 dB attenuation control range in 0.5 dB steps.The HMC424ACHIPS offers excellent attenuation accuracy of ±(0.2 dB + 3% of attenuation state) and high input linearity over the specified frequency range from 0.1 GHz to 13.0 GHz with a typical insertion loss of ≤4.2 dB. The attenuator bit values are 0.5 dB (LSB), 1 dB, 2 dB, 4 dB, 8 dB, and 16 dB for a total attenuation of 31.5 dB with a ±0.5 dB of typical step error.The device allows a userto program the attenuation state via six parallel control inputs toggled between 0 V and VEE.The HMC424ACHIPS operates with a single negative supply voltage from −3 V to −5 V, and requires an external driver to interface with a CMOS/transistor to transistor logic (TTL) interface.The HMC424ACHIPS comes in a RoHS compliant, 9-pad bare die.ApplicationsCellular infrastructureMicrowave radios and very small aperture terminals (VSATs)Test equipment and sensorsIntermediate frequency (IF) and RF designsMilitary and space |
HMC424AG160.5dB LSB GaAs MMIC 6-Bit Digital Attenuator, DC - 3 GHz | Attenuators | 1 | Active | The HMC424AG16 is a broadband 6-bit GaAs IC digital attenuator in a 16 lead glass/metal (hermetic) surface mount package. Covering DC to 3 GHz, the insertion loss is less than 3 dB typical. The attenuator bit values are 0.5 (LSB), 1, 2, 4, 8, and 16 dB for a total attenuation of 31.5 dB. Attenuation accuracy is excellent at ±0.5 dB typical step error with an IIP3 of +34 dBm. Six control voltage inputs, toggled between 0 and -5V, are used to select each attenuation state at less than 70 μA each. A single Vee bias of -5V allows operation at frequencies down to DC.ApplicationsTelecom InfrastructureMilitary Radios, Radar & ECMSpace ApplicationsTest Instrumentation |
HMC424ALH50.5dB LSB GaAs MMIC 6-Bit Digital Attenuator, DC - 13 GHz | RF and Wireless | 2 | Active | The HMC424ALH5 is a broadband 6-bit GaAs MMIC digital attenuator housed in a hermetic SMT leadless package. Covering DC to 13 GHz, the insertion loss is less than 3.5 dB typical. The attenuator bit values are 0.5 (LSB), 1, 2, 4, 8, and 16 dB for a total attenuation of 31.5 dB. Attenuation accuracy is excellent at ±0.5 dB typical step error with an IIP3 of +34 dBm. Six control voltage inputs, toggled between 0 and -5V, are used to select each attenuation state. A single Vee bias of -5V allows operation at frequencies down to DC. The HMC424ALH5 is compatible with standard and lead free surface mount manufacturing techniques and is suitable for high reliability military, industrial and space applications.ApplicationsTelecom InfrastructureMilitary Radio, Radar & ECMSpace SystemsTest Instrumentation |
HMC4250.5 dB LSB GaAs MMIC 6-BIT DIGITAL POSITIVE CONTROL ATTENUATOR, 2.2 - 8.0 GHz | Development Boards, Kits, Programmers | 9 | Active | The HMC425 devices are broadband, 6-bit, GaAs, IC digital attenuators available in a low cost, leadless, surface-mount package or in a monolithic microwave integrated circuit (MMIC) chip. Covering 2.2 GHz or 2.4 GHz to 8.0 GHz, the insertion loss is less than 3.5 dB or 3.8 dB typical. The attenuator bit values are 0.5 (LSB), 1, 2, 4, 8, and 16 dB for a total attenuation of 31.5 dB. Attenuation accuracy is excellent at ±0.5 dB typical step error with an IIP3 of +40 dBm. Six control voltage inputs, toggled between 0 V and +3 V or +5 V, are used to select each attenuation state. A single VDD bias of +3 V to + 5 V is required.ApplicationsFiber optics and broadband telecomMicrowave radio and VSATMilitary radios, radar, and ECMWLAN and point-to-multipointSpace applications |
| Evaluation Boards | 4 | Obsolete | ||
HMC427Transfer Switch SMT, DC - 8 GHz | Evaluation Boards | 5 | Obsolete | The HMC427LP3(E) is a low loss broadband positive control transfer switch in leadless surface mount package. Covering DC to 8 GHz, this switch offers high isolation and low insertion loss. The switch operates using a positive control voltage of 0/+5V and requires a fixed bias of +5V @ < 20 μA.* Blocking capacitors are required at ports RF1, 2, 3, & 4. Their value will determine the lowest transmission frequency.ApplicationsTest InstrumentationFiber Optics & Broadband TelecomBasestation InfrastructureMicrowave Radio & VSATMilitary Radios, Radar, & ECM |
HMC427AGaAs MMIC Positive Control Transfer Switch, DC* - 8GHz | RF Switches | 2 | Active | The HMC427ALP3E is a low loss broadband positive control transfer switch in leadless surface mount package. Covering DC to 8 GHz, this switch offers high isolation and low insertion loss. The switch operates using a positive control voltage of 0/+5V and requires a fixed bias of +5V at < 20 µA.ApplicationsTest InstrumentationFiber Optics & Broadband TelecomBasestation InfrastructureMicrowave Radio & VSATMilitary Radios, Radar, & ECM |
HMC429VCO SMT w/Buffer Amplifier, 4.45 - 5.0 GHz | RF, RFID, Wireless Evaluation Boards | 3 | Active | The HMC429LP4(E) is a GaAs InGaP Heterojunction Bipolar Transistor (HBT) MMIC VCO with an integrated resonator, negative resistance device, varactor diode, and buffer amplifier. Covering 4.45 to 5.0 GHz, the VCO’s phase noise performance is excellent over temperature, shock, vibration and process due to the oscillator’s monolithic structure. Power output is 4 dBm typical from a single supply of 3V @ 30mA. The voltage controlled oscillator is packaged in a low cost leadless QFN 4x4 mm surface mount package.APPLICATIONS802.11a, HiperLAN WLANVSAT, UNII & Microwave RadioTest Equipment & Industrial ControlsMilitary |
HMC430VCO SMT w/Buffer Amplifier, 5.0 - 5.5 GHz | RF and Wireless | 2 | Active | The HMC430LP4(E) is a GaAs InGaP Heterojunction Bipolar Transistor (HBT) MMIC VCO with an integrated resonator, negative resistance device, varactor diode, and buffer amplifier. The VCO’s phase noise performance is excellent over temperature, shock, vibration and process due to the oscillator’s monolithic structure. Power output is 2 dBm typical from a 3V supply voltage. The voltage controlled oscillator is packaged in a low cost leadless QFN 4x4 mm surface mount package.APPLICATIONS802.11a & HiperLAN WLANVSAT RadiosUNII & Point-to-Point Radios |