ADV3226750 MHz, 16 × 16 Analog Crosspoint Switch | Integrated Circuits (ICs) | 1 | Active | The ADV3226/ADV3227 are high speed 16 × 16 analog crosspoint switch matrices. They offer a −3 dB signal bandwidth greater than 750 MHz and channel switch times of less than 20 ns with 1% settling.The ADV3226/ADV3227 include 16 independent output buffers that can be placed into a high impedance state for paralleling crosspoint outputs to prevent off channels from loading the output bus. The ADV3226 has a gain of +1 and the ADV3227 has a gain of +2. They both operate on voltage supplies of ±5 V while consuming only 118 mA (ADV3226) and 133 mA (ADV3227) of idle current. Channel switching is performed via a serial digital control that can accommodate daisy chaining of several devices or via a parallel control to allow updating of an individual output without reprogramming the entire array.The ADV3226/ADV3227 are available in the 100-lead LFCSP package over the extended industrial temperature range of −40°C to +85°C.ApplicationsRouting of high speed signals includingVideo (NTSC, PAL, S, SECAM, YUV, RGB)Compressed video (MPEG, wavelet)3-level digital video (HDB3)Data communicationsTelecommunications |
ADV3227750 MHz, 16 × 16 Analog Crosspoint Switch | Integrated Circuits (ICs) | 1 | Active | The ADV3226/ADV3227 are high speed 16 × 16 analog crosspoint switch matrices. They offer a −3 dB signal bandwidth greater than 750 MHz and channel switch times of less than 20 ns with 1% settling.The ADV3226/ADV3227 include 16 independent output buffers that can be placed into a high impedance state for paralleling crosspoint outputs to prevent off channels from loading the output bus. The ADV3226 has a gain of +1 and the ADV3227 has a gain of +2. They both operate on voltage supplies of ±5 V while consuming only 118 mA (ADV3226) and 133 mA (ADV3227) of idle current. Channel switching is performed via a serial digital control that can accommodate daisy chaining of several devices or via a parallel control to allow updating of an individual output without reprogramming the entire array.The ADV3226/ADV3227 are available in the 100-lead LFCSP package over the extended industrial temperature range of −40°C to +85°C.ApplicationsRouting of high speed signals includingVideo (NTSC, PAL, S, SECAM, YUV, RGB)Compressed video (MPEG, wavelet)3-level digital video (HDB3)Data communicationsTelecommunications |
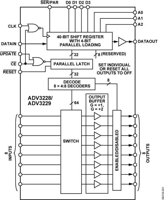
ADV3228750 MHz, 8 × 8 Analog Crosspoint Switch | Analog Switches - Special Purpose | 1 | Active | The ADV3228/ADV3229 are high speed 8 × 8 analog crosspoint switch matrices. They offer a −3 dB large signal bandwidth of 750 MHz (ADV3228) and a slew rate of 2500 V/μs.The ADV3228/ADV3229 include eight independent output buffers that can be placed into a high impedance state for paralleling crosspoint outputs to prevent off channels from loading the output bus. The ADV3228 has a gain of +1, the ADV3229 has a gain of +2, and they both operate on voltage supplies of ±5 V. Channel switching is performed via a serial digital control that can accommodate daisy chaining of several devices or via a parallel control to allow updating of an individual output without reprogramming the entire array.The ADV3228/ADV3229 are available in the 72-lead LFCSP package over the extended industrial temperature range of −40°C to +85°C.ApplicationsRouting of high speed signals including:Video (NTSC, PAL, S, SECAM, YUV, RGB)Compressed video (MPEG, wavelet)3-level digital video (HDB3)Data communicationsTelecommunications |
ADV3229750 MHz, 8 x 8 Analog Crosspoint Switch | Integrated Circuits (ICs) | 1 | Active | The ADV3228/ADV3229 are high speed 8 × 8 analog crosspoint switch matrices. They offer a −3 dB large signal bandwidth of 750 MHz (ADV3228) and a slew rate of 2500 V/μs.The ADV3228/ADV3229 include eight independent output buffers that can be placed into a high impedance state for paralleling crosspoint outputs to prevent off channels from loading the output bus. The ADV3228 has a gain of +1, the ADV3229 has a gain of +2, and they both operate on voltage supplies of ±5 V. Channel switching is performed via a serial digital control that can accommodate daisy chaining of several devices or via a parallel control to allow updating of an individual output without reprogramming the entire array.The ADV3228/ADV3229 are available in the 72-lead LFCSP package over the extended industrial temperature range of −40°C to +85°C.ApplicationsRouting of high speed signals including:Video (NTSC, PAL, S, SECAM, YUV, RGB)Compressed video (MPEG, wavelet)3-level digital video (HDB3)Data communicationsTelecommunications |
| CODECS | 1 | Obsolete | |
| CODECS | 2 | Obsolete | |
| Interface | 1 | Obsolete | |
| Digital to Analog Converters (DAC) | 5 | Active | |
| Integrated Circuits (ICs) | 1 | Obsolete | |
| Digital to Analog Converters (DAC) | 7 | Active | |