A
Analog Devices Inc./Maxim Integrated
| Series | Category | # Parts | Status | Description |
|---|---|---|---|---|
| Part | Spec A | Spec B | Spec C | Spec D | Description |
|---|---|---|---|---|---|
| Series | Category | # Parts | Status | Description |
|---|---|---|---|---|
| Part | Spec A | Spec B | Spec C | Spec D | Description |
|---|---|---|---|---|---|
| Part | Category | Description |
|---|---|---|
Analog Devices Inc./Maxim Integrated LTC1879EGN#TRUnknown | Integrated Circuits (ICs) | IC REG BUCK ADJ 1.2A 16SSOP |
Analog Devices Inc./Maxim Integrated LTC2208CUP#TRUnknown | Integrated Circuits (ICs) | IC ADC 16BIT 130MSPS 64-QFN |
Analog Devices Inc./Maxim Integrated ADP2108ACBZ-1.1-R7Obsolete | Integrated Circuits (ICs) | IC REG BUCK 1.1V 600MA 5WLCSP |
Analog Devices Inc./Maxim Integrated EV1HMC832ALP6GObsolete | Development Boards Kits Programmers | EVAL BOARD FOR HMC832ALP6GE |
Analog Devices Inc./Maxim Integrated LTC488ISWUnknown | Integrated Circuits (ICs) | IC LINE RCVR RS485 QUAD 16-SOIC |
Analog Devices Inc./Maxim Integrated LTC6946IUFD-2Obsolete | Integrated Circuits (ICs) | IC CLK/FREQ SYNTH 28QFN |
Analog Devices Inc./Maxim Integrated MAX5556ESA+TObsolete | Integrated Circuits (ICs) | IC DAC/AUDIO 16BIT 50K 8SOIC |
Analog Devices Inc./Maxim Integrated EVAL-FLTR-LD-1RZUnknown | Unclassified | EVAL BRD FOR AD800 SERIES |
Analog Devices Inc./Maxim Integrated | Development Boards Kits Programmers | BOARD EVAL FOR AD9963 |
Analog Devices Inc./Maxim Integrated LTC1296CCSW#TRUnknown | Integrated Circuits (ICs) | IC DATA ACQ SYS 12BIT 5V 20SOIC |
| Series | Category | # Parts | Status | Description |
|---|---|---|---|---|
| Development Boards, Kits, Programmers | 1 | Active | ||
| Isolators | 2 | Active | ||
| Development Boards, Kits, Programmers | 8 | Active | ||
ADUM41505kV, 6-Channel, SPIsolator Digital Isolator for SPI with Delay Clock | Isolators | 3 | Active | The ADuM41501is a 6-channel, SPIsolator™digital isolator optimized for isolated serial peripheral interfaces (SPIs). Based on the Analog Devices, Inc., iCoupler®chip scale transformer technology, the low propagation delay in the CLK, MO/SI, MI/SO, andSSSPI bus signals supports SPI clock rates of up to 17 MHz. These channels operate with 13 ns propagation delay and 1 ns jitter to optimize timing for SPI.The ADuM4150 isolator also provides two additional independent low data rate isolation channels, one channel in each direction. Data in the slow channels is sampled and serialized for a 250 kbps data rate with 2.5 μs of jitter.The ADuM4150 supports a delay clock output on the primary side of the device. This output can be used with an additional clocked port on the primary to support 40 MHz clock performance. See the Delay Clock section for more information.Analog Devices is in the process of updating documentation to provide terminology and language that is culturally appropriate. This is a process with a wide scope and will be phased in as quickly as possible. Thank you for your patience.ApplicationsIndustrial programmable logic controllers (PLC)Sensor isolation |
| Isolators | 4 | Active | ||
ADUM41525 kV, 7-Channel, SPIsolator™Digital Isolators for SPI (with 1/2 Aux channel directionality) | Digital Isolators | 4 | Active | TheADuM4151/ADuM4152/ADuM4153are 7-channel, SPIsolator™digital isolators optimized for isolated serial peripheral interfaces (SPIs).(3.75kV rms model available) Based on the Analog Devices, Inc.,iCoupler®chip scale transformer technology, the low propagation delay in the CLK, MO/SI, MI/SO, andSSSPI bus signals supports SPI clock rates of up to 17 MHz. These channels operate with 14 ns propagation delay and 1 ns jitter to optimize timing for SPI.The ADuM4151/ADuM4152/ADuM4153 isolators also provide three additional independent low data rate isolation channels in three different channel direction combinations. Data in the slow channels is sampled and serialized for a 250 kbps data rate with up to 2.5 μs of jitter in the low speed channels.ApplicationsIndustrial programmable logic controllers (PLCs)Sensor isolation |
ADUM41535 kV, 7-Channel, SPIsolator™Digital Isolators for SPI (with 0/3 Aux channel directionality) | Isolators | 4 | Active | TheADuM4151/ADuM4152/ADuM4153 are 7-channel, SPIsolator™digital isolators optimized for isolated serial peripheral interfaces (SPIs).(3.75kV rms model available) Based on the Analog Devices, Inc.,iCoupler®chip scale transformer technology, the low propagation delay in the CLK, MO/SI, MI/SO, andSSSPI bus signals supports SPI clock rates of up to 17 MHz. These channels operate with 14 ns propagation delay and 1 ns jitter to optimize timing for SPI.The ADuM4151/ADuM4152/ADuM4153 isolators also provide three additional independent low data rate isolation channels in three different channel direction combinations. Data in the slow channels is sampled and serialized for a 250 kbps data rate with up to 2.5 μs of jitter in the low speed channels.ApplicationsIndustrial programmable logic controllers (PLCs)Sensor isolation |
| Digital Isolators | 4 | Active | ||
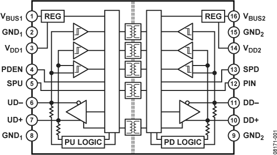
ADUM4160Full/Low Speed USB Digital Isolator | Isolators | 4 | Active | The ADuM4160 is a USB port isolator, based on Analog Devices, Inc.,iCoupler®technology. Combining high speed CMOS and monolithic air core transformer technology, these isolation components provide outstanding performance characteristics and are easily integrated with low and full speed USB-compatible peripheral devices.Many microcontrollers implement USB so that it presents only the D+ and D− lines to external pins. This is desirable in many cases because it minimizes external components and simplifies the design; however, this presents particular challenges when isolation is required. USB lines must automatically switch between actively driving D+/D−, receiving data, and allowing external resistors to set the idle state of the bus. The ADuM4160 provides mechanisms for detecting the direction of data flow and control over the state of the output buffers. Data direction is determined on a packet-by-packet basis.The ADuM4160 uses the edge detection basediCoupler technology in conjunction with internal logic to implement a transparent, easily configured, upstream facing port isolator. Isolating an upstream facing port provides several advantages in simplicity, power management, and robust operation.The isolator has propagation delay comparable to that of a standard hub and cable. It operates with the supply voltage on either side ranging from 3.1 V to 5.5 V, allowing connection directly to VBUSby internally regulating the voltage to the signaling level. The ADuM4160 provides isolated control of the pull-up resistor to allow the peripheral to control connection timing. The device has a low idle current; a suspend mode is not required.APPLICATIONSUSB peripheral isolationIsolated USB hubMedical applications |
| Isolators | 2 | Active | ||