A
Analog Devices Inc./Maxim Integrated
| Series | Category | # Parts | Status | Description |
|---|---|---|---|---|
| Part | Spec A | Spec B | Spec C | Spec D | Description |
|---|---|---|---|---|---|
| Series | Category | # Parts | Status | Description |
|---|---|---|---|---|
| Part | Spec A | Spec B | Spec C | Spec D | Description |
|---|---|---|---|---|---|
| Part | Category | Description |
|---|---|---|
Analog Devices Inc./Maxim Integrated LTC1879EGN#TRUnknown | Integrated Circuits (ICs) | IC REG BUCK ADJ 1.2A 16SSOP |
Analog Devices Inc./Maxim Integrated LTC2208CUP#TRUnknown | Integrated Circuits (ICs) | IC ADC 16BIT 130MSPS 64-QFN |
Analog Devices Inc./Maxim Integrated ADP2108ACBZ-1.1-R7Obsolete | Integrated Circuits (ICs) | IC REG BUCK 1.1V 600MA 5WLCSP |
Analog Devices Inc./Maxim Integrated EV1HMC832ALP6GObsolete | Development Boards Kits Programmers | EVAL BOARD FOR HMC832ALP6GE |
Analog Devices Inc./Maxim Integrated LTC488ISWUnknown | Integrated Circuits (ICs) | IC LINE RCVR RS485 QUAD 16-SOIC |
Analog Devices Inc./Maxim Integrated LTC6946IUFD-2Obsolete | Integrated Circuits (ICs) | IC CLK/FREQ SYNTH 28QFN |
Analog Devices Inc./Maxim Integrated MAX5556ESA+TObsolete | Integrated Circuits (ICs) | IC DAC/AUDIO 16BIT 50K 8SOIC |
Analog Devices Inc./Maxim Integrated EVAL-FLTR-LD-1RZUnknown | Unclassified | EVAL BRD FOR AD800 SERIES |
Analog Devices Inc./Maxim Integrated | Development Boards Kits Programmers | BOARD EVAL FOR AD9963 |
Analog Devices Inc./Maxim Integrated LTC1296CCSW#TRUnknown | Integrated Circuits (ICs) | IC DATA ACQ SYS 12BIT 5V 20SOIC |
| Series | Category | # Parts | Status | Description |
|---|---|---|---|---|
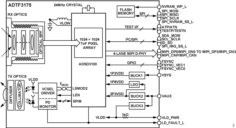
ADTF31751 MegaPixel Time-of-Flight Module | Sensors, Transducers | 1 | Active | The ADTF3175 is a complete Time-of-Flight (ToF) module for high resolution 3D depth sensing and vision systems. Based on the ADSD3100, a 1 Megapixel CMOS indirect Time-of-Flight (iToF) imager, the ADTF3175 also integrates the lens and optical bandpass filter for the imager, an infrared illumination source containing optics, laser diode, laser diode driver and photodetector, a flash memory, and power regulators to generate local supply voltages. The module is fully calibrated at multiple range and resolution modes. To complete the depth sensing system, the raw image data from the ADTF3175 is processed externally by the host system processor or depth ISP.The ADTF3175 image data output interfaces electrically to the host system over a 4-lane mobile industry processor interface (MIPI), Camera Serial Interface 2 (CSI-2) Tx interface. The module programming and operation are controlled through 4-wire SPI and I2C serial interfaces.The ADTF3175 has module dimensions of 42mm × 31mm × 15.1mm, and is specified over an operating temperature range of -20°C to 65°C.APPLICATIONSMachine vision systemsRoboticsBuilding automationAugmented reality (AR) systems |
| Instrumentation, Op Amps, Buffer Amps | 2 | Active | ||
ADTL084Low Cost JFET Input Operational Amplifier | Amplifiers | 2 | Active | The ADTL082 and ADTL084 are JFET input amplifiers that provide industry-leading performance over TL08x devices. The ADTL082A and ADTL084A are improved versions of TL08x A, I, and Q grades. The ADTL082J and ADTL084J are industry alternatives to the TL08x standard and C grades.The ADTL08x family offers lower noise, offset voltage, offset drift over temperature, and bias current over the TL08x. In addition, the ADLT08x family has better common-mode rejection and slew rates.These op amps are ideal for various applications, including process control, industrial and instrumentation equipment, active filtering, data conversion, buffering, and power control and monitoring.The A grade amplifiers are available in lead-free packaging. The standard grade amplifiers are available in both leaded and lead-free packaging.The ADTL082A and ADTL084A are specified over the extended industrial (−40°C to +125°C) temperature range. The ADTL082J and ADTL084J are specified over the commercial (0°C to 70°C) temperature range.ApplicationsGeneral-purpose amplificationPower control and monitoringActive filtersIndustrial/process controlData acquisitionSample and hold circuitsIntegratorsInput buffering |
ADTR11076 GHz to 18 GHz, Front-End IC | RF and Wireless | 2 | Active | The ADTR1107 is a compact, 6 GHz to 18 GHz, front-end IC with an integrated power amplifier, low noise amplifier (LNA), and a reflective single-pole double-throw (SPDT) switch. These integrated features make the device ideal for phased array antenna and radar applications. The front-end IC offers 25 dBm of saturated output power (PSAT) and 22 dB small signal gain in transmit state, and 18 dB small signal gain and 2.5 dB noise figure in receive state. The device has a directional coupler for power detection. The input/outputs (I/Os) are internally matched to 50 Ω. The ADTR1107 is supplied in a 5 mm × 5 mm, 24-terminal, land grid array (LGA) package.ApplicationsPhased array antennaMilitary radarWeather radarCommunication linksElectronic warfare |
| Embedded | 1 | Active | ||
| Embedded MCU, DSP | 7 | Active | ||
| Integrated Circuits (ICs) | 7 | Active | ||
| Embedded | 4 | Active | ||
| Integrated Circuits (ICs) | 8 | Active | ||
| Evaluation Boards | 6 | Active | ||