ADP5320Wearable Power Management Solution for Multiple Battery Types | Power Management - Specialized | 1 | Active | The ADP5320 highly integrated power management unit (PMU) combines nine digitally adjustable regulators, a fuel gauge, a 12-bit analog-to-digital converter (ADC), 2 kb of one time programmable (OTP) memory, anticounterfeit logic in a 42-ball, 2.880 mm × 2.980 mm WLCSP. The regulators include: 2× buck-boost, 1× buck regulator, 5× low dropout (LDO) regulators, and one low input LDO. The ADP5320 meets demanding performance and board space requirements for wearable applications.The ADP5320 operates from a 1.8 V to 5.5 V input supply voltage range, enabling the device for use with multiple types of battery inputs including: 2S/3S Zinc-air coin-cells or Li-poly/Li-ion batteries, as well as other types of dc power sources.The ADP5320 PMU fuel gauge includes a precision 16-bit coulomb counter that integrates battery current flowing through the device. A 12-bit ADC is included to monitor battery voltage, output supply voltages, and the junction temperature. Other features include a programmable sequencing engine and system fault recovery.The ADP5320 PMU buck-boost regulators are high efficiency, step up and step down regulators that operate at input voltages greater than, less than, or equal to the regulated output voltage. All regulators, including the six LDOs, are digitally programmable to meet different power requirements for many applications.The ADP5320 includes a 2-wire, I2C-compatible, digital interface and is rated at the −10°C to +70°C operating junction temperature range.APPLICATIONSWearable medical applicationsInternet of Things (IoT) applicationsDisposable sensor devicesBattery-powered devices |
| Power Management (PMIC) | 4 | Active | |
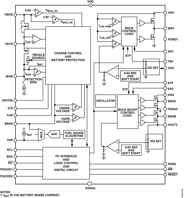
ADP5360Advanced Battery Management PMIC with Ultra Low Power Fuel Gauge, Battery Protection, Buck and Buck Boost | Power Management (PMIC) | 2 | Active | The ADP5360 combines one high performance linear charger for a single lithium-ion (Li-Ion)/lithium-polymer (Li-Poly) battery with a programmable, ultralow quiescent current fuel gauge and battery protection circuit, one ultralow quiescent buck, one buck boost switching regulator, and a supervisory circuit that can monitor output voltage.The ADP5360 charger operates at up to 6.8 V to prevent USB bus spiking during disconnect or connect scenarios.The ADP5360 features an internal isolation field effect transistor (FET) between the linear charger output and the battery node. The full battery protection features are activated when the device is in the battery overcharge and overdischarge fault conditions.The ADP5360 fuel gauge uses a voltage-based algorithm with an adaptive filter limitation solution. The fuel gauge reports real-time battery state of charge (SOC) for the rechargeable Li-Ion battery with ultralow quiescent current.The ADP5360 buck regulator operates at 1.0 MHz switching frequency in forced pulse-width modulation (FPWM) mode. In hysteresis mode, the regulator achieves excellent efficiency at a low output power.The ADP5360 buck boost regulator only operates in hysteresis mode and outputs a voltage less than or greater than the battery voltage.The ADP5360 supervisory circuits monitor the regulator output voltage and provide a power-on reset signal to the system. A watchdog timer and an external pushbutton can reset the microprocessor.The I2C-compatible interface enables the programmability of all battery charging parameters, the protection threshold, the buck output voltage, and the status bit readback.The ADP5360 operates over the −40°C to +85°C junction temperature range and is available in a 32-ball, 2.56 mm × 2.56 mm wafer level chip scale package (WLCSP).ApplicationsRechargeable Li-Ion/Li-Poly battery-powered devicesPortable consumer devicesPortable medical devicesWearable devices |
| Integrated Circuits (ICs) | 2 | Active | |
ADP5585Keypad Decoder and I/O Expansion | Evaluation Boards | 8 | Active | The ADP5585 is a 10I/O port expander with built-in keypad matrix decoder, programmable logic, reset generator, and PWM generator. I/O expander ICs are used in portable devices (phones, remote controls, & cameras) and non-portable applications (healthcare, industrial & instrumentation). I/O expanders can be used to increase the number of I/Os available to a processor or to reduce the number of I/Os required through interface connectors for front panel designs.The ADP5585 handles all key scanning and decoding and can flag the main processor via an interrupt line that new key events have occurred. GPI changes and logic changes can also be tracked as events via the FIFO, eliminating the need to monitor different registers for event changes. The ADP5585 is equipped with a FIFO to store up to 16 events. Events can be read back by the processor via an I2C compatible interface.The ADP5585 frees up the main processor from having to monitor the keypad, thereby reducing power consumption and/or increasing processor bandwidth for performing other functions.The programmable logic functions allow common logic requirements to be integrated as part of the GPIO expander, saving board area and cost.APPLICATIONSKeypad entries and input/output expansion capabilitiesSmart phones, remote controls, and camerasHealthcare, industrial, and instrumentation |
| Specialized | 3 | Active | |
| Evaluation and Demonstration Boards and Kits | 4 | Active | |
ADP5588Mobile I/O Expander and QWERTY Keypad Controller | Specialized | 2 | Active | The ADP5588 is an I/O port expander and keypad matrix designed for QWERTY type phones that require a large keypad matrix and expanded I/O lines. I/O expander ICs are used in mobile platforms as a solution to the limited number of GPIOs available in the main processor.In its small 4 mm × 4 mm package, the ADP5588 contains enough power to handle all key scanning and decoding and flag the processor of key presses and releases via the I2C®interface and interrupt. It frees the main microprocessor from having to monitor the keypad, thereby minimizing current drain and increasing processor bandwidth. It is also equipped with a buffer/FIFO and key event counter to handle and keep track of up to 10 unprocessed key or GPI events with overflow wrap and interrupt capability.The ADP5588 has a keylock capability with an option to trigger or not trigger an interrupt at key presses and releases. All communication to the main processor is done using one interrupt line and two I2C-compatible interface lines. The ADP5588 can be configured to have a keypad matrix of up to 8 rows × 10 columns (a maximum of 80 keys).When used for smaller keypad matrices, unused row and column pins can be reconfigured to act as general-purpose inputs, outputs, or light sensor inputs. R0, R1, R2, R3, R4, R5, R6, and R7 denote the row pins of the matrix, while C0, C1, C2, C3, C4, C5, C6, C7, C8, and C9 denote the column pins. At power-up, all rows and columns default as GPIs and must be programmed to function as part of the keypad matrix, GPOs, or light sensor inputs. In addition to keypad and GPIO functionalities, C8 and C9 can also be configured as light sensor inputs.When configured as keypad lines, the function of the C8 and C9 lines is straightforward: the control interface disconnects these lines from the comparator inputs, disables the light sensor comparator, and connects them to the keypad columns of the keypad matrix. When used as light sensor comparator inputs, the control interface disconnects these pins from the keypad, enables the comparators, and connects these lines to the comparator inputs. Two external capacitors (0.1 μF) are required when these pins are configured as light sensor inputs. When used as GPIOs, these pins are removed from the keypad and the light sensor interface, and the light sensor comparators are disabled, along with the logic for the sensors.ApplicationsKeypad and I/O expander designed for QWERTY type phones that require a large keypad matrix |
| Evaluation Boards | 7 | Active | |
ADP5600Interleaved Inverting Charge Pump with Negative LDO Regulator | Integrated Circuits (ICs) | 1 | Active | The ADP5600 is an interleaved charge pump inverter with an integrated, negative, low dropout (LDO) linear regulator. The interleaved charge pump inverter exhibits reduced output voltage ripple and reflected input current noise over conventional inductive or conventional capacitive based solutions. The integrated LDO provides a rail with good regulation at sufficient power supply rejection ratio (PSRR).The ADP5600 charge pump operates via resistor programming or external clock synchronization at switching frequency range of 100 kHz to 1 MHz. Operating at a higher switching frequency allows the use of small input, output, and fly capacitors. To combine the high switching frequency with internal field effect transistors (FETs), compensation, and soft start gives a best-in-class total solution size for negative rail generation.The ADP5600 also features comprehensive fault protection for robust applications. These protections include overload protection, shorted fly capacitor protection, undervoltage lockout (UVLO), and thermal shutdown. For easy sequencing, the ADP5600 has a power-good pin.The integrated LDO of the ADP5600 uses an advanced proprie-tary architecture to provide high power supply rejection. It also achieves decent line and load transient response with only a small 2.2 μF ceramic output capacitor. The output can be configured via the SEL1 and SEL2 pins to one of four fixed output voltages and is adjustable from −0.505 V to –VIN+ 0.5 V via an external feedback divider.APPLICATIONSPowering the negative rail on bipolar/split supply ADC/DAC/AMP/mux applications |