A
Analog Devices Inc./Maxim Integrated
| Series | Category | # Parts | Status | Description |
|---|---|---|---|---|
| Part | Spec A | Spec B | Spec C | Spec D | Description |
|---|---|---|---|---|---|
| Series | Category | # Parts | Status | Description |
|---|---|---|---|---|
| Part | Spec A | Spec B | Spec C | Spec D | Description |
|---|---|---|---|---|---|
| Part | Category | Description |
|---|---|---|
Analog Devices Inc./Maxim Integrated LTC1879EGN#TRUnknown | Integrated Circuits (ICs) | IC REG BUCK ADJ 1.2A 16SSOP |
Analog Devices Inc./Maxim Integrated LTC2208CUP#TRUnknown | Integrated Circuits (ICs) | IC ADC 16BIT 130MSPS 64-QFN |
Analog Devices Inc./Maxim Integrated ADP2108ACBZ-1.1-R7Obsolete | Integrated Circuits (ICs) | IC REG BUCK 1.1V 600MA 5WLCSP |
Analog Devices Inc./Maxim Integrated EV1HMC832ALP6GObsolete | Development Boards Kits Programmers | EVAL BOARD FOR HMC832ALP6GE |
Analog Devices Inc./Maxim Integrated LTC488ISWUnknown | Integrated Circuits (ICs) | IC LINE RCVR RS485 QUAD 16-SOIC |
Analog Devices Inc./Maxim Integrated LTC6946IUFD-2Obsolete | Integrated Circuits (ICs) | IC CLK/FREQ SYNTH 28QFN |
Analog Devices Inc./Maxim Integrated MAX5556ESA+TObsolete | Integrated Circuits (ICs) | IC DAC/AUDIO 16BIT 50K 8SOIC |
Analog Devices Inc./Maxim Integrated EVAL-FLTR-LD-1RZUnknown | Unclassified | EVAL BRD FOR AD800 SERIES |
Analog Devices Inc./Maxim Integrated | Development Boards Kits Programmers | BOARD EVAL FOR AD9963 |
Analog Devices Inc./Maxim Integrated LTC1296CCSW#TRUnknown | Integrated Circuits (ICs) | IC DATA ACQ SYS 12BIT 5V 20SOIC |
| Series | Category | # Parts | Status | Description |
|---|---|---|---|---|
| Microcontrollers | 4 | Active | ||
| Microcontrollers | 2 | Obsolete | ||
| Microcontrollers | 2 | Active | ||
| Development Boards, Kits, Programmers | 4 | Active | ||
MAXQ61816-Bit Microcontroller with Infrared Module | Microcontrollers | 2 | Obsolete | The MAXQ618 is a low-power, 16-bit MAXQ® microcontroller designed for low-power applications including universal remote controls, consumer electronics, and white goods. The device combines a powerful 16-bit RISC microcontroller and integrated peripherals including two universal synchronous/asynchronous receiver-transmitters (USARTs) and an SPI master/slave communications port, along with an IR module with carrier frequency generation and flexible port I/O capable of multiplexed keypad control.The device includes 80KB of flash memory and 2KB of data SRAM. The MAXQ61C is a ROM version of this device.For the ultimate in low-power battery-operated performance, the device includes an ultra-low-power stop mode (0.2µA typ). In this mode, the minimum amount of circuitry is powered. Wake-up sources include external interrupts, the power-fail interrupt, and a timer interrupt. The microcontroller runs from a wide 1.70V to 3.6V operating voltage.ApplicationsBattery-Powered Portable EquipmentConsumer ElectronicsHome AppliancesRemote ControlsWhite Goods |
| Integrated Circuits (ICs) | 2 | Obsolete | ||
| Embedded MCU, DSP Evaluation Boards | 4 | Active | ||
| Microcontrollers | 1 | Obsolete | ||
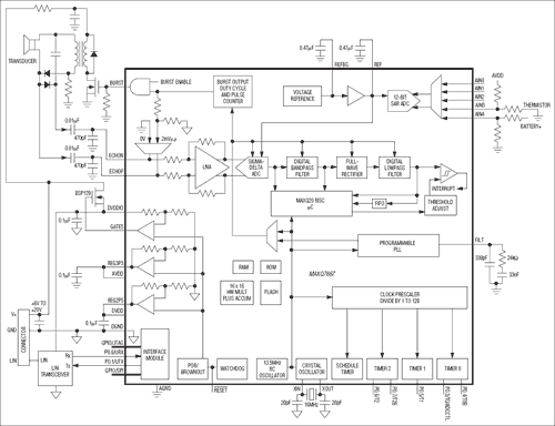
MAXQ766716-Bit, RISC, Microcontroller-Based, Ultrasonic Distance-Measuring System | Integrated Circuits (ICs) | 7 | Active | The MAXQ7667 smart system-on-a-chip (SoC) provides a time-of-flight ultrasonic distance-measuring solution. The device is optimized for applications involving large distance measurement with weak input signals or multiple target identification. The MAXQ7667 features high signal-to-noise ratio achieved by combining flexible electronics with the intelligence necessary to optimize each function as environmental and target conditions change.An integrated burst signal generator and echo reception components process ultrasonic signals between 25kHz and 100kHz. Echo reception components include a programmable gain low-noise amplifier (LNA), a 16-bit sigma-delta ADC to digitize the received echo signals, and digital signal processing (DSP). DSP limits noise with a bandpass filter, and creates an echo envelope through demodulation and lowpass filtering. Input referred noise is a low 0.7µVRMS. A programmable phase-locked loop (PLL) frequency synthesizer supplies the reference frequency for the burst generator and the clock for the echo receiver's digital filter. An embedded 16-bit MAXQ20 microcontroller (µC) controls all the preceding functions.The µC optimizes the burst frequency and reception frequency for each transmission at any temperature. The MAXQ7667 achieves smart sensing by monitoring the echo signals and then actively changing the transmitted and received parameters to obtain optimum results. Digital filtering and burst synthesis do not require CPU intervention. This leaves all the CPU power available for echo optimization, communication, diagnostics, and additional signal processing.The MAXQ7667 operates with three different power supply voltages: +5V, +3.3V, and +2.5V. Two internal linear regulators allow operation from a single +5V supply when three external power supplies are not available. Alternatively, the MAXQ7667 can control an external pass transistor to allow operation from a single supply voltage of +8V to +65V or more, depending on the external component tolerance. The device is available in a 48-pin LQFP package and is specified to operate from -40°C to +125°C.Note: Designers must have the following documents to fully use all the features of this device. This data sheet contains pin descriptions, feature overviews, and electrical specifications. Errata sheets contain deviations from published specifications. The user's guides offer detailed information about device features and operation.MAXQ7667 IC data sheetMAXQ7667 revision-specific errata sheet (Click here for availability)MAXQ7667 User's GuideApplicationsAutomationAutomotive ParkingHandheld DevicesIndustrial ProcessingVehicle Security |
| Microcontrollers | 2 | Active | ||