MAX16828High-Voltage, 100mA/200mA Adjustable Linear High-Brightness LED Drivers with PWM Dimming | LED Driver Evaluation Boards | 4 | Active | The MAX16815/MAX16828 current regulators operate from a 6.5V to 40V input voltage range and deliver up to 100mA (MAX16815) or 200mA (MAX16828) to high-brightness LED (HB LED) loads. The output current is adjusted by using an external current sense resistor in series with the LEDs. The MAX16815/MAX16828's dimming input allows wide-range "pulsed" PWM operation. An on-board pass element minimizes external components while providing ±3.5% output-current accuracy.The MAX16815/MAX16828 are available in a thermally enhanced, 3mm x 3mm, 6-pin TDFN package with exposed pad and in an 8-pin SO package with exposed pad; they are specified over the automotive -40°C to +125°C temperature range.ApplicationsAmbient and Architectural LightingDisplay BacklightingEmergency Vehicle Warning LightsLED BulbsSignage and Indicators |
| Power Management (PMIC) | 2 | Active | |
| LED Driver Evaluation Boards | 4 | Active | |
| Development Boards, Kits, Programmers | 7 | Active | |
| Evaluation Boards | 34 | Active | |
MAX16834High-Power LED Driver with Integrated High-Side LED Current Sense and PWM Dimming MOSFET Driver | LED Driver Evaluation Boards | 11 | Active | The MAX16834 is a current-mode high-brightness LED (HB LED) driver for boost, boost-buck, SEPIC, and high-side buck topologies. In addition to driving an n-channel power MOSFET switch controlled by the switching controller, it also drives an n-channel PWM dimming switch to achieve LED PWM dimming. The MAX16834 integrates all the building blocks necessary to implement a fixed-frequency HB LED driver with wide-range dimming control. The MAX16834 features constant-frequency peak current-mode control with programmable slope compensation to control the duty cycle of the PWM controller.A dimming driver designed to drive an external n-channel MOSFET in series with the LED string provides wide-range dimming control up to 20kHz. In addition to PWM dimming, the MAX16834 provides analog dimming using a DC input at REFI. The programmable switching frequency (100kHz to 1MHz) allows design optimization for efficiency and board space reduction. A single resistor from RT/SYNC to ground sets the switching frequency from 100kHz to 1MHz while an external clock signal at RT/SYNC disables the internal oscillator and allows the MAX16834 to synchronize to an external clock. The MAX16834's integrated high-side current-sense amplifier eliminates the need for a separate high-side LED current-sense amplifier in boost-buck applications.The MAX16834 operates over a wide supply range of 4.75V to 28V and includes a 3A sink/source gate driver for driving a power MOSFET in high-power LED driver applications. It can also operate at input voltages greater than 28V in boost configuration with an external voltage clamp. The MAX16834 is also suitable for DC-DC converter applications such as boost or buck-boost. Additional features include external enable/disable input, an on-chip oscillator, fault indicator output (active-low FLT) for LED open/short or overtemperature conditions, and an overvoltage protection sense input (OVP+) for true overvoltage protection.The MAX16834 is available in a thermally enhanced 4mm x 4mm, 20-pin TQFN-EP package and in a thermally enhanced 20-pin TSSOP-EP package and is specified over the automotive -40°C to +125°C temperature range.ApplicationsArchitectural and Decorative Lighting (MR16, MR111)Automotive Rear and Front LightingDC-DC Boost/Boost-Buck ConvertersProjection System RGB LED Light SourcesSingle-String LED LCD BacklightingSpot and Ambient Lights |
| Integrated Circuits (ICs) | 2 | Active | |
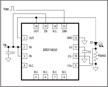
MAX16836High-Voltage, 350mA, High-Brightness LED Driver with PWM Dimming and 5V Regulator | LED Driver Evaluation Boards | 5 | Active | The MAX16836 current regulator operates from a 6.5V to 40V input-voltage range and delivers up to a total of 350mA to one or more strings of high-brightness LEDs (HB LEDs). The output current of the MAX16836 is adjusted by using an external current-sense resistor in series with the LEDs. A dimming input allows wide-range "pulsed" PWM operation. Wave-shaping circuitry reduces EMI. The differential current-sense input increases noise immunity. The MAX16836 is well suited for applications requiring a high-voltage input and is able to withstand automotive load-dump events up to 40V. An on-board pass element minimizes external components while providing ±3.5% output-current accuracy. Additional features include a 5V regulated output and short-circuit and thermal protection.The MAX16836 is available in a thermally enhanced, 5mm x 5mm, 16-pin TQFN package and in an 8-pin SO package with exposed pad. The MAX16836 is specified over the automotive -40°C to +125°C temperature range.ApplicationsAutomotive Interior: Map, Courtesy, and Cluster LightingAutomotive Exterior: Tail Lights and CHMSLEmergency Vehicle Warning LightsNavigation and Marine IndicatorsGeneral LightingSignage, Gasoline Canopies, Beacons |
| LED Drivers | 9 | Active | |
MAX16838BIntegrated, 2-Channel, High-Brightness LED Driver with High-Voltage Boost and SEPIC Controller | Integrated Circuits (ICs) | 4 | Unknown | The MAX16838B is a dual-channel LED driver that integrates both the DC-DC switching boost regulator and two 150mA current sinks. A current-mode switching DC-DC controller provides the necessary voltage to both strings of HB LEDs. The device accepts a wide 4.75V to 40V input voltage range and directly withstands automotive load-dump events. For a 5V ±10% input voltage, connect VINto VCC. The wide input range allows powering HB LEDs for small-to-medium-sized LCD displays in automotive and display backlight applications.An internal current-mode switching DC-DC controller supports the boost or SEPIC topologies and operates in an adjustable frequency range between 200kHz and 2MHz. The current-mode control provides fast response and simplifies loop compensation. The device also features an adaptive output-voltage adjustment scheme that minimizes the power dissipation in the LED current- sink paths. The MAX16838B can be combined with the MAX15054 to achieve a buck-boost LED driver with two integrated current sinks.The channel current is adjustable from 20mA to 150mA using an external resistor. The external resistor sets both channel currents to the same value. The device allows connecting both strings in parallel to achieve a maximum current of 300mA in a single channel. The MAX16838B also features pulsed dimming control with minimum pulse widths as low as 500ns on both channels through a logic input (DIM).The device includes output overvoltage protection, open-LED/shorted-LED detection, and overtemperature protection. The device is available in 20-pin TSSOP (4.4mm) and TQFN (4mm x 4mm) packages and operates over the -40°C to +125°C automotive temperature range.ApplicationsAutomotive Display BacklightsAutomotive Lighting ApplicationsLCD Display Backlights |