
ICL3207E Series
Low Power, +3V To +5.5V, 250kbps, RS-232 Transmitters/Receivers
Manufacturer: Renesas Electronics Corporation
Catalog
Low Power, +3V To +5.5V, 250kbps, RS-232 Transmitters/Receivers
Description
AI
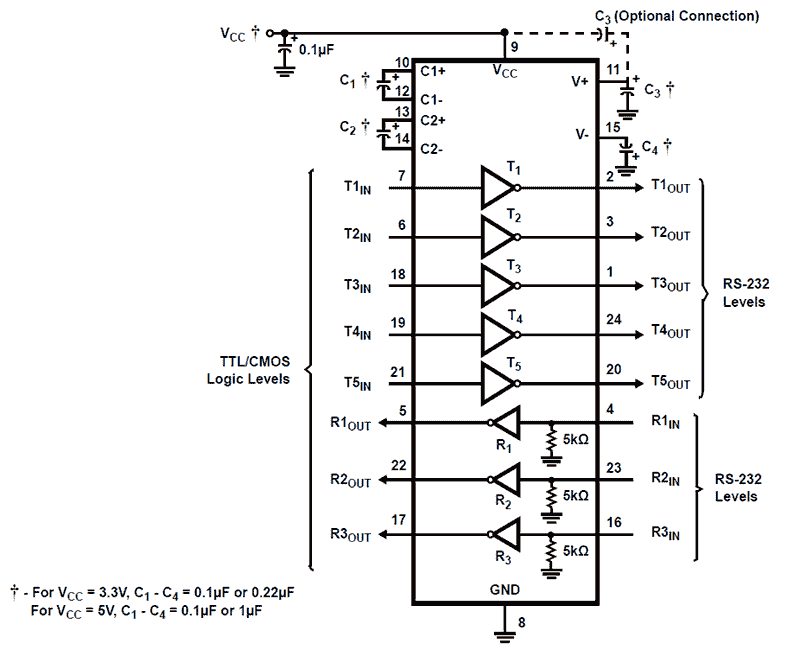
The ICL3207E is a 3V to 5. 5V powered RS-232 transmitter/receiver that meets EIA/TIA-232 and V. 28/V. 24 specifications, even at VCC= 3. 0V. The ICL3207E features five transmitters and three receivers. It provides ±15kV ESD protection (IEC61000-4-2 Air Gap) and ±15kV Human Body Model protection on transmitter outputs and receiver inputs (RS-232 pins). Targeted applications are ISDN Terminal Adapters (TAs), PDAs, Palmtops, peripherals, and notebook and laptop computers where the low operational power consumption and even lower standby power consumption is critical. Small footprint packaging and the use of small, low-value capacitors ensure board space savings. Data rates greater than 250kbps are ensured at worst case load conditions. The ICL3207E is fully compatible with 3. 3V only systems, mixed 3. 3V and 5V systems, and 5V only systems. The ICL3207E is a lower power, pin-for-pin replacement for the MAX207E, HIN207E, and HIN237E.