
Catalog
Inactive Datasheet Archive

Inactive Datasheet Archive
Inactive Datasheet Archive
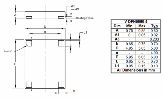
| Part | Operating Temperature [Min] | Operating Temperature [Max] | Current - Reverse Leakage @ Vr | Diode Type | Current - Average Rectified (Io) | Technology | Package / Case | Supplier Device Package | Mounting Type |
|---|---|---|---|---|---|---|---|---|---|
Diodes Inc | -55 °C | 150 °C | 1 mA | Single Phase | 1 A | Schottky | 4-VDFN | V-DFN5060-4 | Surface Mount |