Zenode.ai Logo
Beta

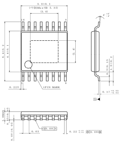
BD18347AEFV-M Series

For Automotive, 40V 150mA 4ch Constant Current LED Driver

Manufacturer: Rohm Semiconductor

Catalog

For Automotive, 40V 150mA 4ch Constant Current LED Driver

Key Features

AEC-Q100 Qualified (Grade1), Functional Safety Supportive Automotive Products, Energy Sharing Control, PWM Dimming Function, License Lamp Mode, LED Open Detection, OUTx pin Short Circuit Protection (SCP), Over Voltage Mute Function (OVM), Disable LED Open Detection Function, Reduced-Voltage, LED Failure Input / Output Functions (PBUS)

Description

AI
BD18347EFV-M are 40V-withstanding constant current LED driver for automotive applications. It is a 4 channel LED driver with the built-in energy sharing control which can realize to make the board size small. High reliability can be realized with LED Open Detection, the OUTx (all later x=1 to 4) pin Short Circuit Protection, Over Voltage Mute and Thermal Shutdown Function. In case the output OUTx pin has 3 LEDs in series, BD18337EFV-M has to be used, in case of 2 LEDs in series, this BD18347EFV-M has to be used.