
Catalog
30V N-Channel Enhancement Mode MOSFET

30V N-Channel Enhancement Mode MOSFET
30V N-Channel Enhancement Mode MOSFET
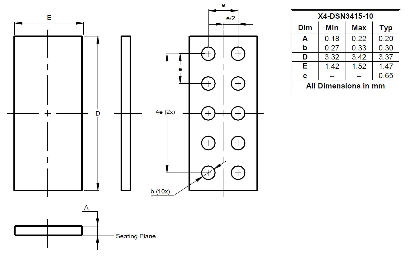
| Part | Input Capacitance (Ciss) (Max) @ Vds [Max] | Power Dissipation (Max) [Max] | FET Type | Rds On (Max) @ Id, Vgs | Technology | Package / Case | Operating Temperature [Min] | Operating Temperature [Max] | Vgs(th) (Max) @ Id | Drain to Source Voltage (Vdss) | Current - Continuous Drain (Id) @ 25°C | Gate Charge (Qg) (Max) @ Vgs [Max] | Supplier Device Package | Mounting Type | Drive Voltage (Max Rds On, Min Rds On) | Vgs (Max) | Power Dissipation (Max) |
|---|---|---|---|---|---|---|---|---|---|---|---|---|---|---|---|---|---|
Diodes Inc | 3690 pF | 900 mW | N-Channel | 4.6 mOhm | MOSFET (Metal Oxide) | 8-PowerVDFN | -55 °C | 150 °C | 2.3 V | 30 V | 17.6 A | 86 nC | POWERDI3333-8 | Surface Mount | 4.5 V 10 V | 20 V | |
Diodes Inc | 1476 pF | N-Channel | 7.8 mOhm | MOSFET (Metal Oxide) | -55 °C | 150 °C | 2.3 V | 30 V | 14.6 A | 31.3 nC | 4.5 V 10 V | 20 V | 2.7 W |