Zenode.ai Logo
Beta

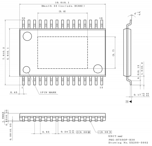
BD18364EFV-M Series

8ch Internal By-pass Switch LED Driver

Manufacturer: Rohm Semiconductor

Catalog

8ch Internal By-pass Switch LED Driver

Description

AI
The BD18364EFV-M is a buck-boost LED driver with built-in 8ch By-pass switch. Sequential winker and animation lamp light circuits are made possible in this circuit. The By-pass switch can be controlled ON and OFF individually by micro-controller communication. In By-pass switch control, generating high current can be prevented from the current limit circuit.