Zenode.ai Logo
Beta

BD63130AFM Series

High Performance, High Reliability 50V DC Brush Motor Driver for PPC's others

Manufacturer: Rohm Semiconductor

Catalog

High Performance, High Reliability 50V DC Brush Motor Driver for PPC's others

Key Features

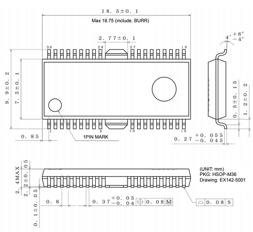
Single Power Supply Input (rated voltage of 50V), Rated Output Current (peak): 3.0A(4.0A), Low ON-Resistance DMOS Output, Forward, Reverse, Brake, Open, Power Save Function, External PWM Control, PWM Constant Current Control (current limit function), Built-in Spike Noise Cancel Function (external noise filter is unnecessary), Driver for DC Brush Motor, Built-in Logic Input Pull-down Resistor, Cross-conduction Prevention Circuit, Output Detection Signal during Abnormal states (Wired-OR), Thermal Shutdown Circuit (TSD), Over-current Protection Circuit (OCP), Under Voltage Lock out Circuit (UVLO), Over Voltage Lock out Circuit (OVLO), Ghost Supply Prevention (protects against malfunction when power supply is disconnected), HSOP-M36 package

Description

AI
BD63130AFM is one H-bridge motor driver for DC brush motor. This driver can facilitate low power consumption by direct PWM or PWM constant current control. There are built in protection circuits in this IC. It is possible to output an abnormal detection signal for Wired-OR that notifies each protection circuit operation, which contributes to set high reliability.