
Catalog
bridge rectifier

bridge rectifier
bridge rectifier
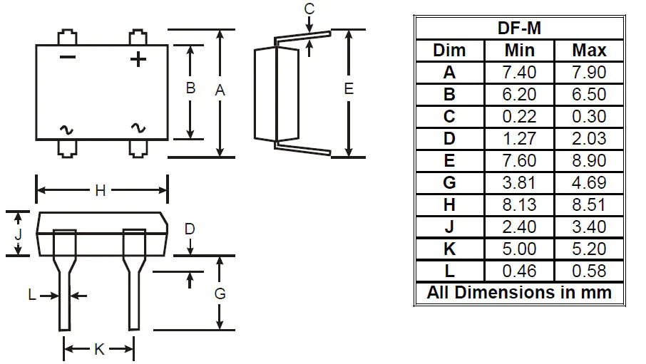
| Part | Current - Reverse Leakage @ Vr | Voltage - Peak Reverse (Max) [Max] | Package / Case | Voltage - Forward (Vf) (Max) @ If | Operating Temperature [Max] | Operating Temperature [Min] | Current - Average Rectified (Io) | Supplier Device Package | Diode Type | Mounting Type | Technology |
|---|---|---|---|---|---|---|---|---|---|---|---|
Diodes Inc | 10 µA | 400 V | 4-EDIP (0.300" 7.62mm) | 1.1 V | 150 °C | -65 °C | 1 A | DFM | Single Phase | Through Hole | Standard |