Zenode.ai Logo
Beta

BD60203EFV Series

36V 2ch DC Brush Motor Driver

Manufacturer: Rohm Semiconductor

Catalog

36V 2ch DC Brush Motor Driver

Key Features

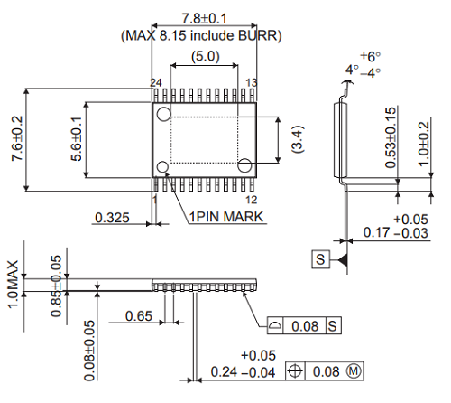
Single Power Supply Input (rated voltage of 36 V), Rated Output Current (peak): 1.7 A(3.0 A), Low ON-Resistance DMOS Output, PH, EN Input, Power Save Function, PWM Constant Current Control (current limit function), Built-in Spike Noise Cancel Function (external noise filter is unnecessary), Driver for 2 DC Brush Motor, Built-in Logic Input Pull-down Resistor, Cross-conduction Prevention Circuit, Thermal Shutdown Circuit (TSD), Over-current Protection Circuit (OCP), Under Voltage Lockout Circuit (UVLO), Over Voltage Lockout Circuit (OVLO), Built-in Comparator for Lock Detection, Ghost Supply Prevention (protects against malfunction when power supply is disconnected), Microminiature, Ultra-thin and High Heat-radiation (exposed metal type) HTSSOP-B24 Package

Description

AI
BD60203EFV is 2ch H-bridge motor driver for DC brush motor. This driver can facilitate low power consumption by PWM constant current control. Various protection circuits are built in. And also a circuit for lock detection is built in, so it is possible to output an error detection signal corresponding to Wired-Or signaling motor lock status. It contributes to high reliability of the set.