Zenode.ai Logo
Beta

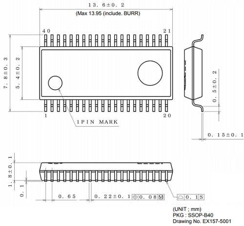
BD9479FV Series

White LED Driver for large LCD Panels (DCDC Converter type)

Manufacturer: Rohm Semiconductor

Catalog

White LED Driver for large LCD Panels (DCDC Converter type)

Description

AI
BD9479FV is a high efficiency driver for white LED sand designed for large LCDs. This IC is built-in a boost DCDC converters that employ an array of LEDs as the light source. BD9479FV has some protect function against fault conditions, such as the over-voltage protection (OVP), the over current limit protection of DCDC (OCP), the short circuit protection (SCP), the open detection of LED string. Therefore BD9479FV is available for the fail-safe design over a wide range output voltage.