
ISL9238C Series
Buck-Boost Narrow VDC Battery Charger with SMBus Interface and USB OTG
Manufacturer: Renesas Electronics Corporation
Catalog
Buck-Boost Narrow VDC Battery Charger with SMBus Interface and USB OTG
Description
AI
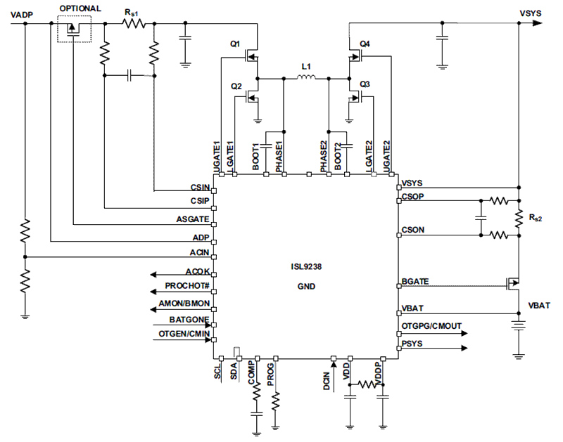
Buck-Boost Narrow VDC Battery Charger with SMBus Interface and USB OTG The ISL9238C is a buck-boost Narrow Output Voltage DC (NVDC) charger. The ISL9238C provides NVDC charging, system bus regulation, and protection features for tablets, Ultrabooks, notebooks, power banks, and any USB-C interface platform. The advanced Renesas R3™ technology provides high light-load efficiency and fast transient response. In Charging mode, the ISL9238C accepts input power from a wide range of DC power sources (such as conventional AC/DC charger adapters, USB PD ports, and travel adapters) and safely charges battery packs with up to 4-series cell Li-ion batteries. As an NVDC topology charger, the ISL9238C also regulates the system output to a narrow DC range for stable system bus voltage. System power can be provided from the adapter, battery, or a combination of both. The ISL9238C can operate with only a battery, only an adapter, or with both connected. For Intel IMVP compliant systems, the ISL9238C includes PSYS (system power monitor) functionality, which provides an analog signal representing total platform power. The PSYS output connects to a wide range of Renesas IMVP core regulators to provide an IMVP compliant power domain function. The ISL9238C supports reverse buck, boost, or buck-boost operation to the input port from 2- to 4-cell batteries. The ISL9238C provides SMBus/I2C serial communication that allows programming of many critical parameters to deliver a customized solution.